Part Number Hot Search : 
SL431XM1 CHTA30 RL207G XOC17 2SC3756 1N3064TR GPJ10M 256KE
Product Description
Full Text Search

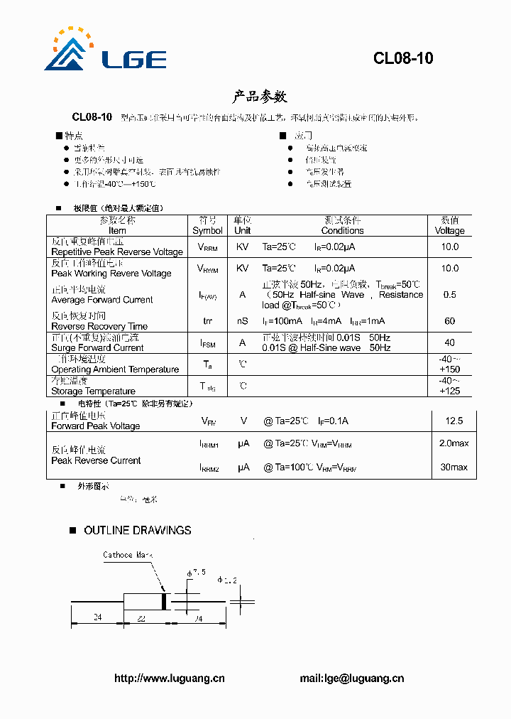
CL08-10 - 型高压硅堆采用高可靠性的台面结构及扩散工艺,环氧树脂真空灌注成密闭的封装外形?

CL08-10_9059887.PDF Datasheet


 Full text search : 型高压硅堆采用高可靠性的台面结构及扩散工艺,环氧树脂真空灌注成密闭的封装外形?
 Product Description search : 型高压硅堆采用高可靠性的台面结构及扩散工艺,环氧树脂真空灌注成密闭的封装外形?


 Related Part Number
PART Description Maker
 
 Related keyword From Full Text Search System
CL08-10 saw filter CL08-10 positive CL08-10 Polarity CL08-10 infineon CL08-10 Integrated
CL08-10 Octal CL08-10 usb-hs otg CL08-10 serial CL08-10 maxim CL08-10 clock
 

 

Price & Availability of CL08-10

All Rights Reserved © IC-ON-LINE 2003 - 2022  

[Add Bookmark] [Contact Us] [Link exchange] [Privacy policy]
Mirror Sites :  [www.datasheet.hk]   [www.maxim4u.com]  [www.ic-on-line.cn] [www.ic-on-line.com] [www.ic-on-line.net] [www.alldatasheet.com.cn] [www.gdcy.com]  [www.gdcy.net]


 . . . . .
  We use cookies to deliver the best possible web experience and assist with our advertising efforts. By continuing to use this site, you consent to the use of cookies. For more information on cookies, please take a look at our Privacy Policy. X
0.037375926971436