Part Number Hot Search : 
MC34063S 2N6395G 2SC3250 123M080A IC501 AN1011 AC10D 3E582L
Product Description
Full Text Search

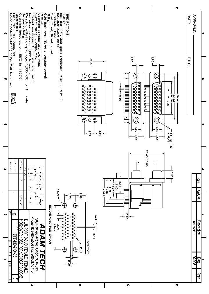
DPD-HD62-00-B3 - DUAL PORT D-SUB FEMALE

DPD-HD62-00-B3_9019560.PDF Datasheet


 Full text search : DUAL PORT D-SUB FEMALE
 Product Description search : DUAL PORT D-SUB FEMALE


 Related Part Number
PART Description Maker
DPD-XX-00-X2 DUAL PORT D-SUB FEMALE
Adam Technologies, Inc.
DPD-HD15-2MDJ-08-00-3 DUAL PORT D-SUB HD FEMALE 15 POSITION
Adam Technologies, Inc.
IDT7134LA70P IDT7134LA70PB IDT7134SA35C IDT7134SA3 150V N-Channel UltraFET Trench MOSFET
HIGH-SPEED 4K x 8 DUAL-PORT STATIC RAM 4K X 8 DUAL-PORT SRAM, 25 ns, PQCC52
HIGH-SPEED 4K x 8 DUAL-PORT STATIC RAM 4K X 8 DUAL-PORT SRAM, 35 ns, PQCC52
HIGH-SPEED 4K x 8 DUAL-PORT STATIC RAM 4K X 8 DUAL-PORT SRAM, 35 ns, CDIP48
250V N-Channel MOSFET; Package: TO-220F; No of Pins: 3; Container: Rail
FTDI232BM, USB-RS232, 32-LQFP SMT
30V Dual Notebook Power Supply N-Channel PowerTrench in SO-14 Package; Package: SO-14; No of Pins: 14; Container: Tape & Reel
Integrated Device Technology, Inc.
IDT[Integrated Device Technology]
INTEGRATED DEVICE TECHNOLOGY INC
Integrated Device Techn...
CY7C09199V CY7C09199V-12AC CY7C09199V-6AC CY7C0919 3.3V 32K/64K/128K x 8/9 Synchronous Dual-Port Static RAM 64K X 9 DUAL-PORT SRAM, 25 ns, PQFP100
3.3V 32K/64K/128K x 8/9 Synchronous Dual-Port Static RAM 32K X 9 DUAL-PORT SRAM, 25 ns, PQFP100
3.3V 32K/64K/128K x 8/9 Synchronous Dual-Port Static RAM 32K X 8 DUAL-PORT SRAM, 18 ns, PQFP100
SM Series Subminiature Basic Switch, Single Pole Double Throw (SPDT), 250 Vac, 11 A, Pin Plunger Actuator, Solder Termination
Memory
Cypress Semiconductor, Corp.
Cypress Semiconductor Corp.
CYPRESS[Cypress Semiconductor]
IDT70V9079L15PF IDT70V9079L15PFI IDT70V9089L15PF I 32K x 8 Sync, 3.3V Dual-Port RAM, PipeLined/Flow-Through
HIGH-SPEED 3.3V 64/32K x 8 SYNCHRONOUS DUAL-PORT STATIC RAM 32K X 8 DUAL-PORT SRAM, 20 ns, PQFP100
HIGH-SPEED 3.3V 64/32K x 8 SYNCHRONOUS DUAL-PORT STATIC RAM 64K X 8 DUAL-PORT SRAM, 20 ns, PQFP100
Small Signal Diode; Package: DO-35; No of Pins: 2; Container: Bulk
64K x 8 Sync, 3.3V Dual-Port RAM, PipeLined/Flow-Through
SRAM
Integrated Device Technology, Inc.
IDT[Integrated Device Technology]
CY7C016-25AI CY7C006-35AI CY7C006-55AC CY7C006-55A 16K x 8/9 Dual-Port Static RAM with Sem, Int, Busy 16K X 8 DUAL-PORT SRAM, 25 ns, PQCC68
16K x 8/9 Dual-Port Static RAM with Sem, Int, Busy 16K X 9 DUAL-PORT SRAM, 25 ns, PQFP80
16K x 8/9 Dual-Port Static RAM with Sem, Int, Busy 16K X 9 DUAL-PORT SRAM, 35 ns, PQFP80
16K x 8/9 Dual-Port Static RAM with Sem, Int, Busy 16K X 8 DUAL-PORT SRAM, 35 ns, PQCC68
16K x 8/9 Dual-Port Static RAM with Sem, Int, Busy 16K X 8 DUAL-PORT SRAM, 35 ns, PQFP64
16K x 9 Dual-Port Static RAM with Sem, Int, Busy( 带Sem, Int, Busyy输入端的16K x 9位双端口静态RAM)
16K x 8 Dual-Port Static RAM with Sem, Int, Busy(带SemIntBusy双端口静态RAM)
From old datasheet system
http://
Cypress Semiconductor, Corp.
Cypress Semiconductor Corp.
CYPRESS[Cypress Semiconductor]
709179L12PF IDT709179L 709179L12PFI 709179L7PF 709 32K x 9 Sync, Dual-Port SRAM, PipeLined/Flow-Through
HIGH-SPEED 32K X 9 SYNCHRONOUS PIPELINED DUAL-PORT STATIC RAM 32K X 9 DUAL-PORT SRAM, 9 ns, PQFP100
IDT[Integrated Device Technology]
Integrated Device Technology, Inc.
CY7C145-35JXC CY7C144-15JXCT 8K x 8/9 Dual-Port Static RAM with SEM, INT, BUSY
8K X 8 DUAL-PORT SRAM, 15 ns, PQCC68
CYPRESS SEMICONDUCTOR CORP
7025E 7025ERPQB-45 7025ERPQS-45 7025ERPQB-35 7025E (8K x 16-Bit) Dual Port RAM High-Speed CMOS 8K X 16 DUAL-PORT SRAM, 35 ns, QFP84
Maxwell Technologies, Inc
IDT70T3519S133DR IDT70T3519S133BC HIGH-SPEED 2.5V 256/128/64K x 36 SYNCHRONOUS DUAL-PORT STATIC RAM WITH 3.3V OR 2.5V INTERFACE 256K X 36 DUAL-PORT SRAM, 15 ns, PQFP208
Integrated Device Technology, Inc.
INTEGRATED DEVICE TECHNOLOGY INC
IDT70T16A999PF IDT70T16A999PFI IDT70T16_5PF IDT70T 16K x 9 2.5V Dual-Port RAM
8K x 9 2.5V Dual-Port RAM
HIGH-SPEED 2.5V 16/8K X 9 DUAL-PORT STATIC RAM
IDT[Integrated Device Technology]
IDT70V658S15BC IDT70V658S15BCI IDT70V658S15BF IDT7 From old datasheet system
Dual N-Channel Digital FET
30V N-Channel PowerTrench MOSFET
HIGH-SPEED 3.3V 64K X 36 ASYNCHRONOUS DUAL-PORT STATIC RAM 64K X 36 DUAL-PORT SRAM, 12 ns, PQFP208
HIGH-SPEED 3.3V 64K X 36 ASYNCHRONOUS DUAL-PORT STATIC RAM 64K X 36 DUAL-PORT SRAM, 10 ns, PQFP208
IDT[Integrated Device Technology]
Integrated Device Technology, Inc.
 
 Related keyword From Full Text Search System
DPD-HD62-00-B3 instruments DPD-HD62-00-B3 Series DPD-HD62-00-B3 Iconline DPD-HD62-00-B3 size DPD-HD62-00-B3 register
DPD-HD62-00-B3 filetype:pdf DPD-HD62-00-B3 Search DPD-HD62-00-B3 electric DPD-HD62-00-B3 rectifier DPD-HD62-00-B3 m85049
 

 

Price & Availability of DPD-HD62-00-B3

All Rights Reserved © IC-ON-LINE 2003 - 2022  

[Add Bookmark] [Contact Us] [Link exchange] [Privacy policy]
Mirror Sites :  [www.datasheet.hk]   [www.maxim4u.com]  [www.ic-on-line.cn] [www.ic-on-line.com] [www.ic-on-line.net] [www.alldatasheet.com.cn] [www.gdcy.com]  [www.gdcy.net]


 . . . . .
  We use cookies to deliver the best possible web experience and assist with our advertising efforts. By continuing to use this site, you consent to the use of cookies. For more information on cookies, please take a look at our Privacy Policy. X
0.056397914886475