Part Number Hot Search : 
1200100 SG3544DW 653615 LC4256V AS50401 K3505 527184XW NJM324D
Product Description
Full Text Search

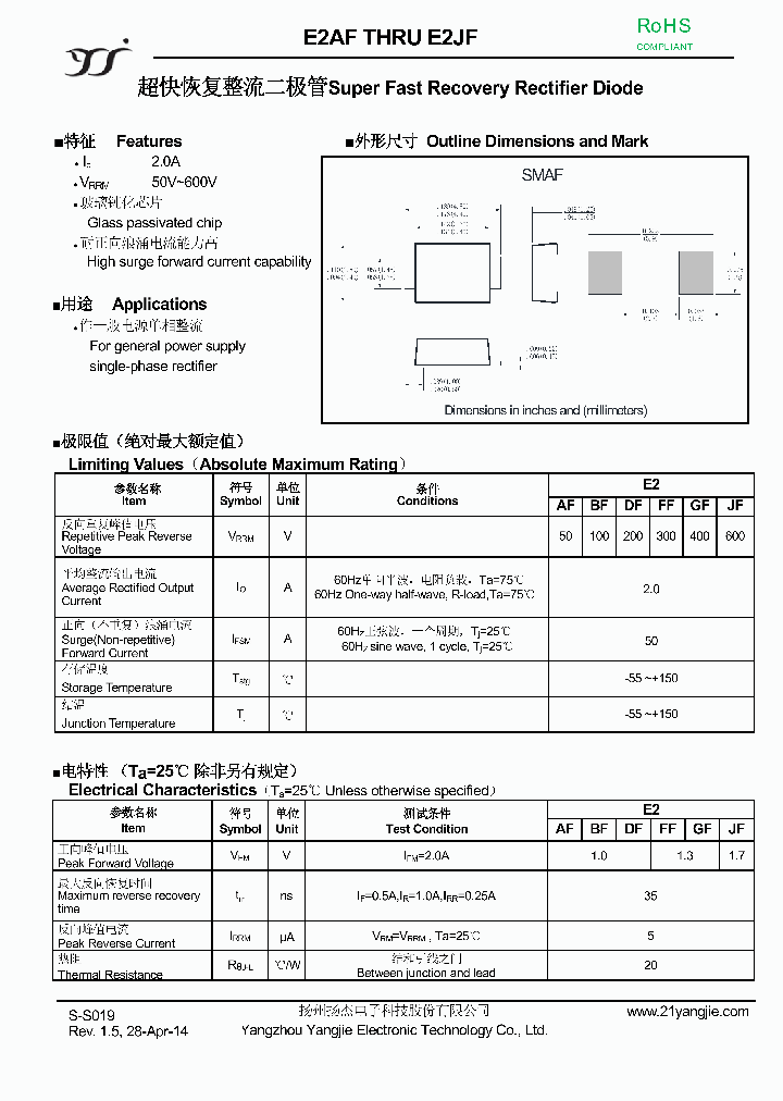
E2GF - Super Fast Recovery Rectifier Diode

E2GF_9003651.PDF Datasheet


 Full text search : Super Fast Recovery Rectifier Diode
 Product Description search : Super Fast Recovery Rectifier Diode


 Related Part Number
PART Description Maker
FFPF15U20DP FFPF15U20DPTU 15A/200V Ultra Fast Recovery Rectifier
FAST RECOVERY POWER RECTIFIER
Fast Recovery Power Rectifer(平均整流电流15A快速恢复功率整流器) 15 A, 200 V, SILICON, RECTIFIER DIODE
FAIRCHILD[Fairchild Semiconductor]
Fairchild Semiconductor, Corp.
DR758 DR750 DR751 DR7510 DR752 DR754 DR756 6.0A, 800V ultra fast recovery rectifier
6.0A, 400V ultra fast recovery rectifier
6.0A, 200V ultra fast recovery rectifier
Passivated Rectifier 50 - 1000 Volts 6 Amp Glass 6 A, 1000 V, SILICON, RECTIFIER DIODE
MCC[Micro Commercial Components]
Micro Commercial Components, Corp.
ES3XB-13-F ES3X-13-F ES3C-13-F ES3B-13-F 3.0A SURFACE MOUNT SUPER-FAST RECTIFIER
RECTIFIER FAST-RECOVERY SINGLE 3A 150V 100A-ifsm 0.9V-vf 25ns 10uA-ir SMC 3K/REEL-13 3 A, 150 V, SILICON, RECTIFIER DIODE
RECTIFIER FAST-RECOVERY SINGLE 3A 100V 100A-ifsm 0.9V-vf 25ns 10uA-ir SMC 3K/REEL-13 3 A, 100 V, SILICON, RECTIFIER DIODE
Diodes Incorporated
Diodes, Inc.
U16U20PT U16U30PT U16U10PT SUPER FAST RECOVERY RECTIFIER
Chenmko Enterprise Co. Ltd.
SD203N08S10 SD203N12S15 SD203N25S20 SD203N04S10 SD Super Fast Recovery Rectifier
TRANSYS Electronics Limited
ES1D ES1B ES1J ES1E SUPER FAST RECOVERY RECTIFIER
CHONGQING PINGYANG ELECTRONICS CO.,LTD
SF82 SF84 SF81 SF83 8.0A SUPER-FAST RECOVERY RECTIFIER
DIODES[Diodes Incorporated]
U16P40PT SUPER FAST RECOVERY RECTIFIER
Chenmko Enterprise Co. Ltd.
ER2J ER2C ER2A SUPER FAST RECOVERY RECTIFIER
CHONGQING PINGYANG ELEC...
CHONGQING PINGYANG ELECTRONICS CO.,LTD
SF86 SF88 SF84 SF81 SF82 SF83 SUPER FAST RECOVERY RECTIFIER
CHONGQING PINGYANG ELECTRONICS CO.,LTD
SF33 SF34 SF31 SF32 3.0A SUPER-FAST RECOVERY RECTIFIER
DIODES[Diodes Incorporated]
 
 Related keyword From Full Text Search System
E2GF Price E2GF intersil E2GF Integrate E2GF circuit board E2GF download
E2GF texas E2GF price E2GF infineon E2GF Dual E2GF high-speed usb
 

 

Price & Availability of E2GF

All Rights Reserved © IC-ON-LINE 2003 - 2022  

[Add Bookmark] [Contact Us] [Link exchange] [Privacy policy]
Mirror Sites :  [www.datasheet.hk]   [www.maxim4u.com]  [www.ic-on-line.cn] [www.ic-on-line.com] [www.ic-on-line.net] [www.alldatasheet.com.cn] [www.gdcy.com]  [www.gdcy.net]


 . . . . .
  We use cookies to deliver the best possible web experience and assist with our advertising efforts. By continuing to use this site, you consent to the use of cookies. For more information on cookies, please take a look at our Privacy Policy. X
0.26240587234497