Part Number Hot Search : 
31106 430450 2SK36 SMBJ11 TLR367 M28010 BAL99W 80N03
Product Description
Full Text Search

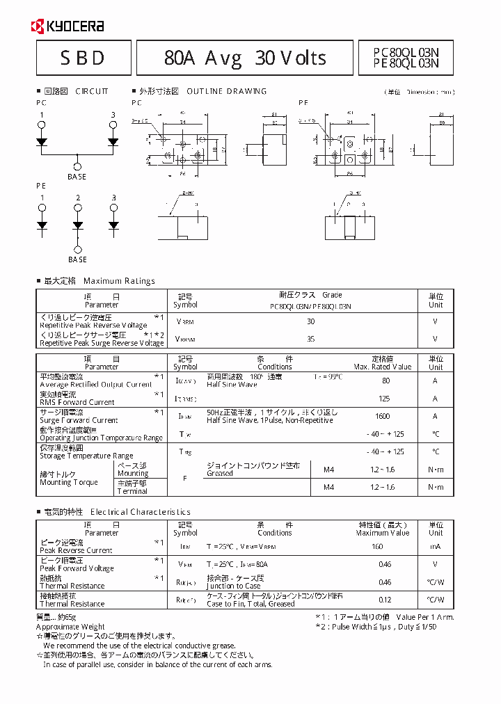
PC80QL03N - Schottky Barrier Diode

PC80QL03N_8995506.PDF Datasheet


 Full text search : Schottky Barrier Diode
 Product Description search : Schottky Barrier Diode


 Related Part Number
PART Description Maker
ZHCS1006 ZHCS1006TA SOT23 SILICON HIGH CURRENT SCHOTTKY BARRIER DIODE ”SuperBAT?/a>
SILICON HIGH CURRENT SCHOTTKY BARRIER DIODE ??uperBAT??/td>
SOT-23
SILICON HIGH CURRENT SCHOTTKY BARRIER DIODE SuperBAT
SILICON HIGH CURRENT SCHOTTKY BARRIER DIODE B>SuperBAT
DIODE SCHOTTKY SOT-23 肖特基二极管采用SOT - 23
High Current Schottky Diode
Fairchild Semiconductor
Zetex Semiconductors
Zetex Semiconductor PLC
NTGD4169F NTGD4169FT1G 30V 2.9A N-Ch with Schottky Barrier Diode TSOP6
Power MOSFET and Schottky Diode 30 V, 2.9 A, N−Channel with Schottky Barrier Diode, TSOP−6
ON Semiconductor
BAT62-02L BAT62-02W BAT62-08S BAT62-07W BAT62-03W Latest Silicon Discretes - Schottky Diode for power leveling
Schottky Diodes - Low barrier silicon RF Schottky diode for detectors
Schottky Diodes - Low barrier silicon RF Schottky diode array
Infineon
SD101AW SD101BW SD101CW SCHOTTKY BARRIER SWITCHING DIODE
(SD101AW - SD101CW) SURFACE MOUNT SCHOTTKY BARRIER DIODE
DIODES[Diodes Incorporated]
FME-230A Schottky Barrier Diode - 90V/100V
100V, 30A Schottky barrier diode in TO220F package
100V/ 30A Schottky barrier diode in TO220F package
CRYSTAL 20.000000 MHZ SMD 8PF
SANKEN[Sanken electric]
Sanken Electric Co.,Ltd.
KDR331E Schottky Barrier Diode
SCHOTTKY BARRIER TYPE DIODE(HIGH SPEED SWITCHING)
Korea Electronics (KEC)
KEC[KEC(Korea Electronics)]
NSR1020MW2T3G NSR1020MW2T1G Schottky Barrier Diode(肖特基势垒二极管) 1 A, 30 V, SILICON, SIGNAL DIODE
Schottky Barrier Diodes
ONSEMI[ON Semiconductor]
RB521ZS-301 Schottky Barrier Diode
0.1 A, 30 V, SILICON, SIGNAL DIODE ULTRA SMALL, GMD2, 2 PIN
   Schottky Barrier Diode
Rohm
Incon, Inc.
SDM40E20L08 SDM40E20LA-7 SDM40E20LS-7-F SDM40E20LC DUAL SURFACE MOUNT SCHOTTKY BARRIER DIODE
DIODE SCHOTTKY 20V 300MW SOT23
0.4 A, 20 V, 2 ELEMENT, SILICON, SIGNAL DIODE
   DUAL SURFACE MOUNT SCHOTTKY BARRIER DIODE
Diodes Incorporated
Diodes Inc.
CDBURT0230R-HF CDBUR0230R-HF Halogen Free Schottky Barrier Diodes, V-RRM=35V, V-R=30V, I-O=0.2A
Low Profile SMD Schottky Barrier Diode
Comchip Technology
HSB88WK Schottky Barrier Diodes for Detection and Mixer
SILICON SCHOTTKY BARRIER DIODE FOR HIGH SPEED SWITCHING
HITACHI[Hitachi Semiconductor]
 
 Related keyword From Full Text Search System
PC80QL03N Amplifiers PC80QL03N 描述 PC80QL03N описание PC80QL03N synchronous PC80QL03N Clock
PC80QL03N outputs PC80QL03N switching PC80QL03N microcontroller PC80QL03N npn transistor PC80QL03N amplifier
 

 

Price & Availability of PC80QL03N

All Rights Reserved © IC-ON-LINE 2003 - 2022  

[Add Bookmark] [Contact Us] [Link exchange] [Privacy policy]
Mirror Sites :  [www.datasheet.hk]   [www.maxim4u.com]  [www.ic-on-line.cn] [www.ic-on-line.com] [www.ic-on-line.net] [www.alldatasheet.com.cn] [www.gdcy.com]  [www.gdcy.net]


 . . . . .
  We use cookies to deliver the best possible web experience and assist with our advertising efforts. By continuing to use this site, you consent to the use of cookies. For more information on cookies, please take a look at our Privacy Policy. X
0.037399053573608