Part Number Hot Search : 
1N5257 ZM85C36 CSPU877A 6027741 MIC23250 43002 GA64A STB6NC80
Product Description
Full Text Search

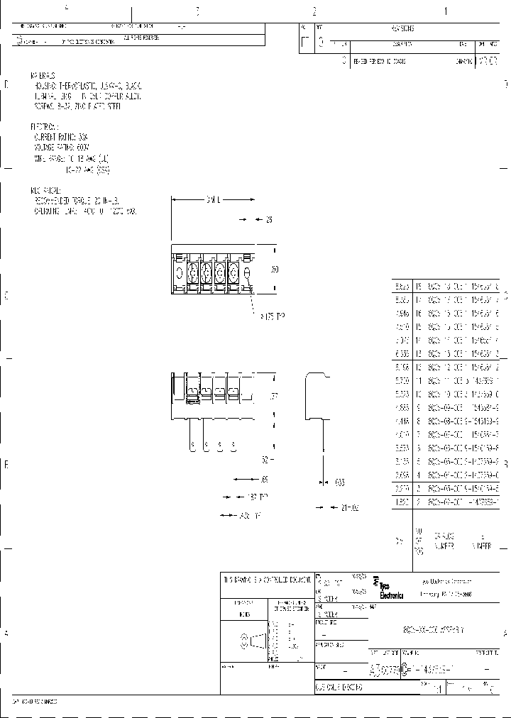
2-1437659-2 -    8QCV-XX-006 ASSEMBLY

2-1437659-2_8907459.PDF Datasheet


 Full text search :    8QCV-XX-006 ASSEMBLY
 Product Description search :    8QCV-XX-006 ASSEMBLY


 Related Part Number
PART Description Maker
2-1437649-9 4PCV-XX-006 ASSEMBLY
Tyco Electronics
AP9412AGI 68 A, 30 V, 0.006 ohm, N-CHANNEL, Si, POWER, MOSFET, TO-220AB ROHS COMPLIANT, TO-220CFM, 3 PIN
Advanced Power Electronics, Corp.
AP85T03GS 75 A, 30 V, 0.006 ohm, N-CHANNEL, Si, POWER, MOSFET, TO-263AB ROHS COMPLIANT, TO-263, 3 PIN
Advanced Power Electronics, Corp.
STB70NF02L -STB70NF02L N-CHANNEL 20V - 0.006 OHM - 70A D2PAK LOW GATE CHARGE STripFET POWER MOSFET N沟道20V 0.006欧姆-0A D2PAK封装,低栅极电荷STripFET功率MOSFET
STMicroelectronics N.V.
IRHMB58064 IRHMB53064 IRHMB54064 IRHMB57064 45 A, 60 V, 0.006 ohm, N-CHANNEL, Si, POWER, MOSFET
RADIATION HARDENED POWER MOSFET THRU-HOLE (Tabless - Low-Ohmic TO-254AA)
IRF[International Rectifier]
http://
JANSF2N7470T1 JANSH2N7470T1 IRHMS57064 JANSG2N7470 45 A, 60 V, 0.006 ohm, N-CHANNEL, Si, POWER, MOSFET, TO-254AA
RADIATION HARDENED POWER MOSFET THRU-HOLE (Low-Ohmic TO-254AA)
IRF[International Rectifier]
STB85NF3LL-1 STP85NF3LL N-CHANNEL 30V - 0.006ohm - 85A TO-220/I2PAK LOW GATE CHARGE STripFET?/a> POWER MOSFET
N-CHANNEL 30V - 0.006ohm - 85A TO-220/I2PAK LOW GATE CHARGE STripFET⑩ POWER MOSFET
N-CHANNEL 30V 0.006 OHM 85A TO-220/I2PAK LOW GATE CHARGE STRIPFET MOSFET
N-CHANNEL 30V - 0.006ohm - 85A TO-220/I2PAK LOW GATE CHARGE STripFET POWER MOSFET
N-CHANNEL 30V 0.006 OHM 85A TO-220/I2PAK LOW GATE CHARGE STRIPFET MOSFET
http://
STMICROELECTRONICS[STMicroelectronics]
ST Microelectronics
S29GL064M90FBIR00 S29GL064M90FCIR02 S29GL064M90FCI MOSFET, Switching; VDSS (V): 300; ID (A): 88; Pch : 150; RDS (ON) typ. (ohm) @10V: 0.042; RDS (ON) typ. (ohm) @4V[4.5V]: -; RDS (ON) typ. (ohm) @2.5V: -; Ciss (pF) typ: 5000; toff (µs) typ: -; Package: TO-3P
MOSFET, Switching; VDSS (V): 30; ID (A): 60; Pch : 90; RDS (ON) typ. (ohm) @10V: 0.0046; RDS (ON) typ. (ohm) @4V[4.5V]: [0.008]; RDS (ON) typ. (ohm) @2.5V: -; Ciss (pF) typ: 2500; toff (µs) typ: 0.07; Package: TO-220AB
MOSFET, Switching; VDSS (V): 60; ID (A): 70; Pch : 80; RDS (ON) typ. (ohm) @10V: 0.006; RDS (ON) typ. (ohm) @4V[4.5V]: [0.008]; RDS (ON) typ. (ohm) @2.5V: -; Ciss (pF) typ: 6200; toff (µs) typ: 0.125; Package: LDPAK (S)- (2)
MOSFET, Switching; VDSS (V): 60; ID (A): 70; Pch : 80; RDS (ON) typ. (ohm) @10V: 0.006; RDS (ON) typ. (ohm) @4V[4.5V]: [0.008]; RDS (ON) typ. (ohm) @2.5V: -; Ciss (pF) typ: 6200; toff (µs) typ: 0.125; Package: LDPAK (L)
MOSFET, Switching; VDSS (V): 150; ID (A): 70; Pch : -; RDS (ON) typ. (ohm) @10V: 0.022; RDS (ON) typ. (ohm) @4V[4.5V]: -; RDS (ON) typ. (ohm) @2.5V: -; Ciss (pF) typ: 5100; toff (µs) typ: -; Package: TO-3P
MOSFET, Switching; VDSS (V): 200; ID (A): 25; Pch : 30; RDS (ON) typ. (ohm) @10V: 0.036; RDS (ON) typ. (ohm) @4V[4.5V]: -; RDS (ON) typ. (ohm) @2.5V: -; Ciss (pF) typ: 2200; toff (µs) typ: 0.11; Package: TO-220FN
MOSFET, Switching; VDSS (V): 200; ID (A): 96; Pch : 150; RDS (ON) typ. (ohm) @10V: 0.02; RDS (ON) typ. (ohm) @4V[4.5V]: -; RDS (ON) typ. (ohm) @2.5V: -; Ciss (pF) typ: 4900; toff (µs) typ: 0.22; Package: TO-3P
MOSFET, Switching; VDSS (V): 290; ID (A): 18; Pch : 30; RDS (ON) typ. (ohm) @10V: 0.07; RDS (ON) typ. (ohm) @4V[4.5V]: -; RDS (ON) typ. (ohm) @2.5V: -; Ciss (pF) typ: 2200; toff (µs) typ: 0.11; Package: TO-220FN
MOSFET, Switching; VDSS (V): 230; ID (A): 35; Pch : -; RDS (ON) typ. (ohm) @10V: 0.03; RDS (ON) typ. (ohm) @4V[4.5V]: -; RDS (ON) typ. (ohm) @2.5V: -; Ciss (pF) typ: 5200; toff (µs) typ: -; Package: TO-3PFM
MOSFET, Switching; VDSS (V): 300; ID (A): 40; Pch : 150; RDS (ON) typ. (ohm) @10V: 0.058; RDS (ON) typ. (ohm) @4V[4.5V]: -; RDS (ON) typ. (ohm) @2.5V: -; Ciss (pF) typ: 5150; toff (µs) typ: 0.22; Package: TO-3P
3.0 Volt-only Page Mode Flash Memory featuring 0.23 um MirrorBit process technology 3.0伏只页面模式闪存具有0.23微米工艺技术的MirrorBit
3.0 Volt-only Page Mode Flash Memory featuring 0.23 um MirrorBit process technology 4M X 16 FLASH 3V PROM, 90 ns, PDSO48
3.0 Volt-only Page Mode Flash Memory featuring 0.23 um MirrorBit process technology 4M X 16 FLASH 3V PROM, 90 ns, PBGA64
3.0 Volt-only Page Mode Flash Memory featuring 0.23 um MirrorBit process technology 16M X 16 FLASH 3V PROM, 100 ns, PDSO56
3.0 Volt-only Page Mode Flash Memory featuring 0.23 um MirrorBit process technology 8M X 16 FLASH 3V PROM, 90 ns, PDSO56
3.0 Volt-only Page Mode Flash Memory featuring 0.23 um MirrorBit process technology 8M X 8 FLASH 3V PROM, 90 ns, PBGA63
MOSFET, Switching; VDSS (V): 30; ID (A): 30; Pch : 50; RDS (ON) typ. (ohm) @10V: 0.008; RDS (ON) typ. (ohm) @4V[4.5V]: 0.013 (5V); RDS (ON) typ. (ohm) @2.5V: -; Ciss (pF) typ: 1400; toff (µs) typ: 0.055; Package: LDPAK (L)
Spansion Inc.
Spansion, Inc.
SPANSION LLC
IRLZ24N-006 IRL530N-015PBF IRL530N-031PBF IRL2505- 18 A, 55 V, 0.06 ohm, N-CHANNEL, Si, POWER, MOSFET, TO-220AB
15 A, 100 V, 0.1 ohm, N-CHANNEL, Si, POWER, MOSFET, TO-220AB
104 A, 55 V, 0.008 ohm, N-CHANNEL, Si, POWER, MOSFET, TO-220AB
120 A, 30 V, 0.006 ohm, N-CHANNEL, Si, POWER, MOSFET, TO-220AB
48 A, 100 V, 0.026 ohm, N-CHANNEL, Si, POWER, MOSFET, TO-220AB
39 A, 20 V, 0.02 ohm, N-CHANNEL, Si, POWER, MOSFET, TO-220AB
61 A, 20 V, 0.013 ohm, N-CHANNEL, Si, POWER, MOSFET, TO-220AB
56 A, 30 V, 0.014 ohm, N-CHANNEL, Si, POWER, MOSFET, TO-220AB
85 A, 20 V, 0.01 ohm, N-CHANNEL, Si, POWER, MOSFET, TO-220AB
100 A, 30 V, 0.007 ohm, N-CHANNEL, Si, POWER, MOSFET, TO-220AB
24 A, 30 V, 0.04 ohm, N-CHANNEL, Si, POWER, MOSFET, TO-220AB
27 A, 55 V, 0.035 ohm, N-CHANNEL, Si, POWER, MOSFET, TO-220AB
41 A, 55 V, 0.022 ohm, N-CHANNEL, Si, POWER, MOSFET, TO-220AB
48 A, 20 V, 0.016 ohm, N-CHANNEL, Si, POWER, MOSFET, TO-220AB
77 A, 55 V, 0.01 ohm, N-CHANNEL, Si, POWER, MOSFET, TO-220AB
Bourns, Inc.
Vishay Intertechnology, Inc.
 
 Related keyword From Full Text Search System
2-1437659-2 Download 2-1437659-2 DIFFERENTIAL CLOCK 2-1437659-2 integrated gigabit 2-1437659-2 chip 2-1437659-2 circuit diagram
2-1437659-2 Positive 2-1437659-2 cost 2-1437659-2 Type 2-1437659-2 transformer 2-1437659-2 制造商
 

 

Price & Availability of 2-1437659-2

All Rights Reserved © IC-ON-LINE 2003 - 2022  

[Add Bookmark] [Contact Us] [Link exchange] [Privacy policy]
Mirror Sites :  [www.datasheet.hk]   [www.maxim4u.com]  [www.ic-on-line.cn] [www.ic-on-line.com] [www.ic-on-line.net] [www.alldatasheet.com.cn] [www.gdcy.com]  [www.gdcy.net]


 . . . . .
  We use cookies to deliver the best possible web experience and assist with our advertising efforts. By continuing to use this site, you consent to the use of cookies. For more information on cookies, please take a look at our Privacy Policy. X
0.045024871826172