Part Number Hot Search : 
06401 ICL8001 GGRNRE HFA1112A M67749MR TLPGE247 HD404669 MB90F882
Product Description
Full Text Search

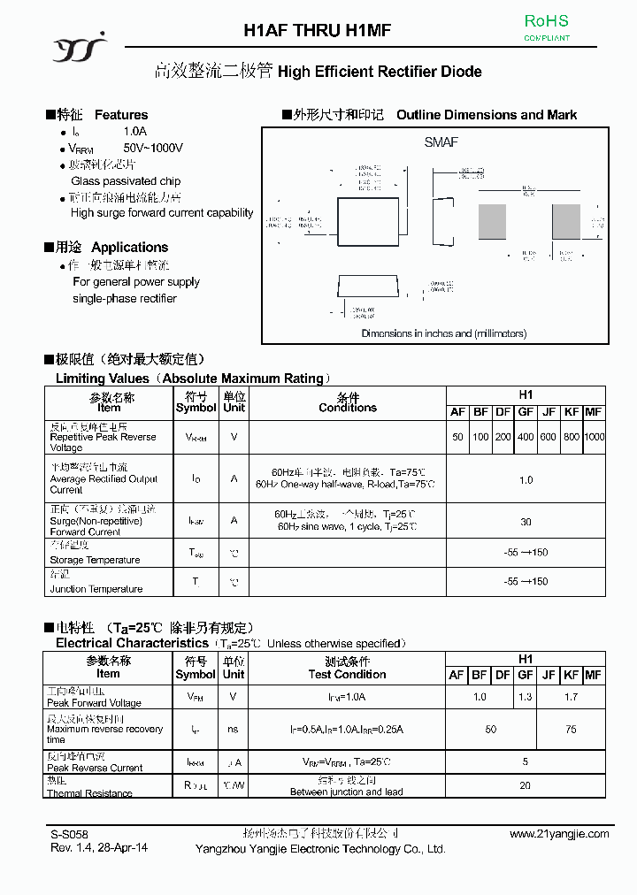
H1DF -    High Efficient Rectifier Diode

H1DF_8883479.PDF Datasheet


 Full text search :    High Efficient Rectifier Diode
 Product Description search :    High Efficient Rectifier Diode


 Related Part Number
PART Description Maker
 
 Related keyword From Full Text Search System
H1DF protection ic H1DF table H1DF C代码 H1DF Cirkuit diagram H1DF huck
H1DF dropout H1DF Technique H1DF video H1DF Detector H1DF hlmp
 

 

Price & Availability of H1DF

All Rights Reserved © IC-ON-LINE 2003 - 2022  

[Add Bookmark] [Contact Us] [Link exchange] [Privacy policy]
Mirror Sites :  [www.datasheet.hk]   [www.maxim4u.com]  [www.ic-on-line.cn] [www.ic-on-line.com] [www.ic-on-line.net] [www.alldatasheet.com.cn] [www.gdcy.com]  [www.gdcy.net]


 . . . . .
  We use cookies to deliver the best possible web experience and assist with our advertising efforts. By continuing to use this site, you consent to the use of cookies. For more information on cookies, please take a look at our Privacy Policy. X
0.24094605445862