Part Number Hot Search : 
L14F1 60116 113AA 21008 DS1556 01P551P CS484 1N3025
Product Description
Full Text Search

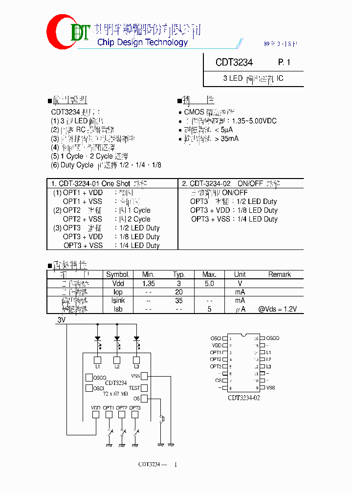
CDT3234 -    3 LED ?出控制IC

CDT3234_8886794.PDF Datasheet


 Full text search :    3 LED ?出控制IC
 Product Description search :    3 LED ?出控制IC


 Related Part Number
PART Description Maker
Q62703-Q1789 Q62703-Q1702 LG3330 LG3330-L Q62703-Q 3 mm (T1) LED/ Non Diffused
T1(3mm) LED LAMP
3 mm (T1) LED Non Diffused
3 mm (T1) LED, Non Diffused 3毫米T1)的LED,非漫射
3 mm (T1) LED, Non Diffused T-1 SINGLE COLOR LED, SUPER RED, 3 mm
3 mm (T1) LED, Non Diffused T-1 SINGLE COLOR LED, YELLOW, 3 mm
3 mm (T1) LED, Non Diffused 3毫米(T1)的LED,非漫射
3 mm (T1) LED, Non Diffused T-1 SINGLE COLOR LED, GREEN, 3 mm
SIEMENS[Siemens Semiconductor Group]
SIEMENS AG
Siemens Semiconductor G...
Q62703-Q0576 Q62703-Q1003 Q62703-Q0759 Q62703-Q057 ARGUS LED 3 mm T1 LED Non Diffused
ARGUS LED 3 mm T1 LED/ Non Diffused
Circular Connector; Body Material:Aluminum Alloy; Series:KPSE07; No. of Contacts:32; Connector Shell Size:18; Connecting Termination:Crimp; Circular Shell Style:Jam Nut Receptacle; Circular Contact Gender:Socket RoHS Compliant: No
452802201
Fail-Safe Floating Electrode MLCC / FE-CAP / X7R Dielectric; Capacitance [nom]: 0.022uF; Working Voltage (Vdc)[max]: 200V; Capacitance Tolerance
ARGUS LED 3 mm T1 LED, Non Diffused SINGLE COLOR LED, YELLOW, 3 mm
ARGUS LED 3 mm T1 LED, Non Diffused 阿格毫米T1的LED发光二极管,非漫
SIEMENS[Siemens Semiconductor Group]
SIEMENS AG
SIEMENS A G
TLYH20T TLSH20T TLOH20T TLRMH20T InGaAlP LED Panel Circuit Indicator
TOSHIBA InGaAP LED
TOSHIBA InGaAГP LED
TOSHIBA InGaA?P LED
TOSHIBA[Toshiba Semiconductor]
Q62703-Q1395 Q62703-Q1746 LG5460-GK LG5460-H LG546 5 mm (T1 3/4) LED Diffused
5 mm (T1 3/4) LED/ Diffused
5 mm (T1 3/4) LED, Diffused 5毫米(T1 3 / 4)的LED,漫
5 mm (T1 3/4) LED, Diffused T-1 3/4 SINGLE COLOR LED, RED, 5 mm
SIEMENS[Siemens Semiconductor Group]
SIEMENS AG
HSMJ-A401-T40M1 HSMJ-A401-U40M1 HSME-A401-P4PM1 HS SINGLE COLOR LED, RED ORANGE
HSMC-A401-T40M1 · Surface Mount LED Indicator
HSMK-A401-R40M2 · Surface Mount LED Indicator
HSMA-A401-U20M1 · Surface Mount LED Indicator
HSMC-A401-T80M1 · Surface Mount LED Indicator
HSMM-A401-S7YM2 · Surface Mount LED Indicator
HSMM-A401-S4YM2 · Surface Mount LED Indicator
HSML-A401-U40M1 · Surface Mount LED Indicator
HSMA-A401-U45M1 · Surface Mount LED Indicator
HSMC-A400-S30M1 · Surface Mount LED Indicator
HSMM-A400-T8YM2 · Surface Mount LED Indicator
HSMK-A400-T80M2 · Surface Mount LED Indicator
HSMM-A400-U4WM2 · Surface Mount LED Indicator
HSMA-A400-T35M1 · Surface Mount LED Indicator
HSMZ-A400-V30M1 · Surface Mount LED Indicator
HSMV-A400-U80M1 · Surface Mount LED Indicator
HSMZ-A400-U80M1 · Surface Mount LED Indicator
HSMU-A400-U85M1 · Surface Mount LED Indicator
HSMC-A401-T60M1 · Surface Mount LED Indicator
HSMN-A400-Q8QM2 · Surface Mount LED Indicator
HSMN-A400-R8PM2 · Surface Mount LED Indicator
HSMN-A401-P7QM2 · Surface Mount LED Indicator
HSMN-A401-P4QM2 · Surface Mount LED Indicator
HSME-A401-P4PM1 · Surface Mount LED Indicator
HSMJ-A401-U40M1 · Surface Mount LED Indicator
HSMJ-A401-T40M1 · Surface Mount LED Indicator
AGILENT TECHNOLOGIES INC
Agilent (Hewlett-Packard)
Q62703-Q3833 Q62703-Q2345 Q62703-Q3858 LG5469-EH L LC 5 mm T1 3/4 LED Diffused Low Current LED
LC 5 mm T1 3/4 LED, Diffused Low Current LED 立法毫米T1 3 / 4的LED,扩散低电流LED
LC 5 mm T1 3/4 LED, Diffused Low Current LED 立法5毫米T1 3 / 4的LED,扩散低电流LED
LC 5 mm T1 3/4 LED, Diffused Low Current LED T-1 3/4 SINGLE COLOR LED, YELLOW, 5 mm
LC 5 mm T1 3/4 LED, Diffused Low Current LED T-1 3/4 SINGLE COLOR LED, GREEN, 5 mm
SIEMENS[Siemens Semiconductor Group]
SIEMENS AG
LGZ180-CO LRZ180-CO Q62703-Q1497 Q62703-Q1501 LGZ1 Array LED 2 mm LED/ Diffused
Array LED 2 mm LED, Diffused SINGLE COLOR LED ARRAY, GREEN, 2 mm
Array LED 2 mm LED, Diffused 2毫米阵列发光二极管发光,漫射
Array LED 2 mm LED, Diffused SINGLE COLOR LED ARRAY, RED, 2 mm
Array LED 2 mm LED Diffused
ITT, Corp.
SIEMENS AG
SIEMENS[Siemens Semiconductor Group]
SIEMENS A G
550-2305F 550-1305F 550-1005F 550-5305F 550-5105F LED Lamp; Leaded Process Compatible:Yes T-1 3/4 SINGLE COLOR LED, YELLOW, 5 mm
LED Lamp; Color:Green; Luminous Intensity (MSCP):1.8; Forward Current:2mA; Forward Voltage:1.8V; LED Color:Green; Leaded Process Compatible:Yes T-1 3/4 SINGLE COLOR LED, GREEN, 5 mm
LED 5MM R/A BLUE WATER CLEAR T-1 3/4 SINGLE COLOR LED, BLUE, 5 mm
LED 5MM RT ANG SUP DIFF YEL PCMT T-1 3/4 SINGLE COLOR LED, YELLOW, 5 mm
LED 5MM RT ANG SUP DIFF RED PCMN T-1 3/4 SINGLE COLOR LED, RED, 5 mm
T-1 3/4 SINGLE COLOR LED, AMBER, 5 mm ROHS COMPLIANT PACKAGE-2
T-1 3/4 SINGLE COLOR LED, YELLOW, 5 mm ROHS COMPLIANT PACKAGE-2
Dialight PLC
DIALIGHT CORP
561-5301-100F 561-5201-070 561-5101-070 561-1301-0 LED Indicator; Color:Yellow; Luminous Intensity (MSCP):34; Viewing Angle:50 ; Forward Current:20mA; Forward Voltage:2.2V; LED Color:Yellow; Leaded Process Compatible:Yes; Wavelength:590nm T-1 3/4 SINGLE COLOR LED, YELLOW, 5 mm
T-1 3/4 SINGLE COLOR LED, GREEN, 5 mm
T-1 3/4 SINGLE COLOR LED, RED, 5 mm
T-1 3/4 DUAL COLOR LED, RED/GREEN, 5 mm
Dialight PLC
HLMA-SL05 HLMA-SH05 HLMP-S600-A00DG HLMP-S301-B000 HLMA-SL05 · 2 mm x 5 mm Rectangular LED Lamp
HLMA-SH05 · 2 mm x 5 mm Rectangular LED Lamp
HLMP-S600-A00DG · 2 mm x 5 mm Rectangular LED Lamp
HLMP-S301-B0000 · 2 mm x 5 mm Rectangular LED Lamp
HLMP-S301-B00DG · 2 mm x 5 mm Rectangular LED Lamp
HLMP-S301-CDB00 · 2 mm x 5 mm Rectangular LED Lamp
HLMP-S501-DE000 · 2 mm x 5 mm Rectangular LED Lamp
HLMP-S301-C0002 · 2 mm x 5 mm Rectangular LED Lamp
HLMP-S501-C0000 · 2 mm x 5 mm Rectangular LED Lamp
HLMP-S501-D0002 · 2 mm x 5 mm Rectangular LED Lamp
HLMP-S201-D0000 · 2 mm x 5 mm Rectangular LED Lamp
HLMP-S201-E0002 · 2 mm x 5 mm Rectangular LED Lamp
HLMP-S201-EF000 · 2 mm x 5 mm Rectangular LED Lamp
Agilent (Hewlett-Packard)
HSMF-A222-A00J1 HSMF-A331-A00J1 HSMF-A228-A00J1 HS HSMF-A222-A00J1 · Surface Mount LED Indicator
HSMF-A331-A00J1 · Surface Mount LED Indicator
HSMF-A228-A00J1 · Surface Mount LED Indicator
HSMF-A205-A00J1 · Surface Mount LED Indicator
HSMF-A204-A00J1 · Surface Mount LED Indicator
HSMF-A201-A00J1 · Surface Mount LED Indicator
HSMF-A301-A00J1 · Surface Mount LED Indicator
HSMF-A202-A00J1 · Surface Mount LED Indicator
HSMF-A203-A00J1 · Surface Mount LED Indicator
HSMF-A211-A00J1 · Surface Mount LED Indicator
HSMF-A341-A00J1 · Surface Mount LED Indicator
HSMF-A212-A00J1 · Surface Mount LED Indicator
HSMF-A227-A00J1 · Surface Mount LED Indicator
HSMF-A332-A00J1 · Surface Mount LED Indicator
HSMF-A206-A00J1 · Surface Mount LED Indicator
HSMF-A342-A00J1 · Surface Mount LED Indicator
Agilent (Hewlett-Packard)
 
 Related keyword From Full Text Search System
CDT3234 appreciate CDT3234 voltage CDT3234 Package CDT3234 npn CDT3234 Pulse
CDT3234 voltage vgs CDT3234 参数查询 CDT3234 Vcc CDT3234 surface CDT3234 stmicroelectronics
 

 

Price & Availability of CDT3234

All Rights Reserved © IC-ON-LINE 2003 - 2022  

[Add Bookmark] [Contact Us] [Link exchange] [Privacy policy]
Mirror Sites :  [www.datasheet.hk]   [www.maxim4u.com]  [www.ic-on-line.cn] [www.ic-on-line.com] [www.ic-on-line.net] [www.alldatasheet.com.cn] [www.gdcy.com]  [www.gdcy.net]


 . . . . .
  We use cookies to deliver the best possible web experience and assist with our advertising efforts. By continuing to use this site, you consent to the use of cookies. For more information on cookies, please take a look at our Privacy Policy. X
0.032767057418823