Part Number Hot Search : 
N60C30 CJD2955 L1117L TB1254N TA8233 COP88 KM751N 102N06
Product Description
Full Text Search

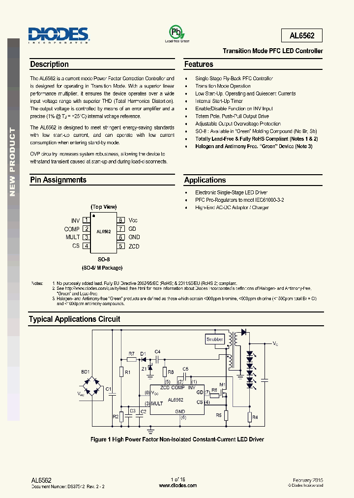
AL6562S-13 - Transition Mode PFC LED Controller

AL6562S-13_8676732.PDF Datasheet


 Full text search : Transition Mode PFC LED Controller
 Product Description search : Transition Mode PFC LED Controller


 Related Part Number
PART Description Maker
L6563 L6563A ADVANCED TRANSITION-MODE PFC CONTROLLER
ST Microelectronics
L6563TR L6563ATR L6563A L6563 ADVANCED TRANSITION-MODE PFC CONTROLLER
STMICROELECTRONICS[STMicroelectronics]
AN667 DESIGNING A HIGH POWER FACTOR SWITCHING PREREGULATOR WITH THE L6560/A TRANSITION MODE I.C.
ST Microelectronics
FAN6921MR KA431 FDB031N08 PC817 FAN6920 FAN6204 TT Integrated Critical-Mode PFC / Quasi-Resonant Current-Mode PWM Controller
Fairchild Semiconductor
http://
FAN6921 AN-6921 Integrated Critical Mode PFC / Quasi-Resonant Current Mode PWM Controller
Fairchild Semiconductor
http://
IRM-2738 INfrared Remote-contro Receiver Module 红外遥控接收模块治理技
Electronic Theatre Controls, Inc.
Everlight Electronics
ETC[ETC]
List of Unclassifed Manufacturers
R2A20113SP09 Critical Conduction Mode PFC Control IC
Renesas Electronics Corporation
R2A20133BSP Critical Conduction Mode PFC Control IC
Renesas Electronics Corporation
FAN7930B FAN7930BMX Critical Conduction Mode PFC Controller
Fairchild Semiconductor Corporation
AN-6961 Critical Conduction Mode PFC Controller
http://
TS3843BCS TS3843BCD Analog IC: PWM and PFC (Current Mode)
Taiwan Semiconductor
 
 Related keyword From Full Text Search System
AL6562S-13 型号替换 AL6562S-13 logic AL6562S-13 Characteristic AL6562S-13 read AL6562S-13 技术资料下载
AL6562S-13 found AL6562S-13 mosfet AL6562S-13 type AL6562S-13 Series AL6562S-13 byte
 

 

Price & Availability of AL6562S-13

All Rights Reserved © IC-ON-LINE 2003 - 2022  

[Add Bookmark] [Contact Us] [Link exchange] [Privacy policy]
Mirror Sites :  [www.datasheet.hk]   [www.maxim4u.com]  [www.ic-on-line.cn] [www.ic-on-line.com] [www.ic-on-line.net] [www.alldatasheet.com.cn] [www.gdcy.com]  [www.gdcy.net]


 . . . . .
  We use cookies to deliver the best possible web experience and assist with our advertising efforts. By continuing to use this site, you consent to the use of cookies. For more information on cookies, please take a look at our Privacy Policy. X
0.032969951629639