Part Number Hot Search : 
TFS274 A3935 FS5VS6 4862G GPF576 MAX2314 UPC805T W567S030
Product Description
Full Text Search

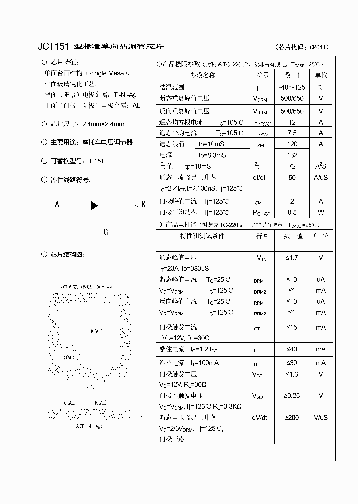
JCT151 - Single Mesa

JCT151_8592177.PDF Datasheet


 Full text search : Single Mesa
 Product Description search : Single Mesa


 Related Part Number
PART Description Maker
JCT151 Single Mesa
JIEJIE MICROELECTRONICS...
2SA1064 2SA1065 2SC2488 2SC2489 SI NPN EPITAXIAL MESA
PANASONIC[Panasonic Semiconductor]
BUY69A MULTIEPITAXIAL MESA NPN
Comset Semiconductor
2SD334 SI NPN DIFFUSED JUCTION MESA
Panasonic Corporation
Panasonic Semiconductor
Sanyo Semicon Device
BYG10 Silicon Mesa SMD Rectifier(低反向电流的表面贴装通用整流
Vishay Intertechnology,Inc.
183T2 BDY26 NPN SILICON TRANSISTORS, DIFFUSED MESA.
Comset Semiconductor
BYG21K BYG21M Fast Silicon Mesa SMD Rectifier
Shenzhen Taychipst Electronic Co., Ltd
BDY53 BDY54 NPN SILICON TRANSISTORS, DIFFUSED MESA
Comset Semiconductor
BDY58 BDY57 NPN SILICON TRANSISTORS, DIFFUSED MESA
Comset Semiconductor
 
 Related keyword From Full Text Search System
JCT151 high-speed usb JCT151 Price JCT151 vishay JCT151 single cell JCT151 rectifier
JCT151 Download JCT151 Chip JCT151 data JCT151 m85049 JCT151 13MHz
 

 

Price & Availability of JCT151

All Rights Reserved © IC-ON-LINE 2003 - 2022  

[Add Bookmark] [Contact Us] [Link exchange] [Privacy policy]
Mirror Sites :  [www.datasheet.hk]   [www.maxim4u.com]  [www.ic-on-line.cn] [www.ic-on-line.com] [www.ic-on-line.net] [www.alldatasheet.com.cn] [www.gdcy.com]  [www.gdcy.net]


 . . . . .
  We use cookies to deliver the best possible web experience and assist with our advertising efforts. By continuing to use this site, you consent to the use of cookies. For more information on cookies, please take a look at our Privacy Policy. X
0.034226894378662