Part Number Hot Search : 
NHSW064T SB260 CM1948 DBF10 IRF7201 CH2056 PT6963 100G47
Product Description
Full Text Search

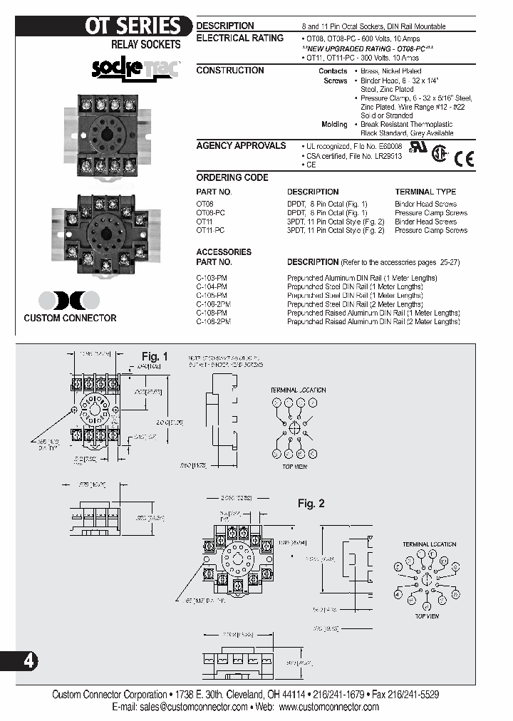
C-103-PM - 8 and 11 Pin Octal Sockets, DIN Rail Mountable

C-103-PM_8540823.PDF Datasheet


 Full text search : 8 and 11 Pin Octal Sockets, DIN Rail Mountable
 Product Description search : 8 and 11 Pin Octal Sockets, DIN Rail Mountable


 Related Part Number
PART Description Maker
LC74793 IC Sockets Adapter; Convert From:20-Pin SOIC; Convert To:20-Pin DIP; Leaded Process Compatible:No; No. of Contacts:20; Peak Reflow Compatible (260 C):No; No. of Positions:20 RoHS Compliant: No 车辆定位系统/ PDC的切片机集成电路
Sanyo Electric Co., Ltd.
546-93-108-12-101-035 546-93-108-12-101-036    Pin Grid Array sockets Press-fit terminations
Precid-Dip Durtal SA
74LVCH245APW 74LVC245A 74LVC245ABQ 74LVC245AD 74LV 74LVC245A/74LVCH245A; Octal bus transceiver with direction pin with 5 V tolerant inputs/outputs (3-state)
Octal bus transceiver with direction pin with 5 V tolerant input/outputs (3-state)
PHILIPS[Philips Semiconductors]
NXP Semiconductors
HDH-12803CHD HDH-12806CID HDH-12810CID HDH-12820CI Integrated CMOS Image Sensor with Digital Output and Timing Controller
Current Monitoring Relay; Contacts:SPDT; Contact Carry Current:10A; Control Voltage:120VAC; Relay Mounting:Plug-In; Mounting Type:Plug-In; Relay Terminals:8-Pin Octal; Terminal Type:8-Pin Octal RoHS Compliant: Yes
Phase Monitoring Relay; Contacts:SPDT; Contact Carry Current:10A; Control Voltage:480V; Relay Mounting:Plug-In; Relay Terminals:8-Pin Octal
Couplers with Connectors (H Type) 耦合与连接器(H型)
Couplers with Connectors (H Type) 耦合与连接器H型)
   Couplers with Connectors (H Type)
Agilent (Hewlett-Packard)
HIROSE[Hirose Electric]
Hirose Electric USA, INC.
HIROSE ELECTRIC Co., Ltd.
74ABT2245 74ABT2245D 74ABT2245DB 74ABT2245N 74ABT2 Octal transceiver with direction pin and 30W series termination resistors (3-State)
Octal transceiver with direction pin with 30ohm series termination resistors 3-State
PHILIPS[Philips Semiconductors]
NXP Semiconductors
EVM649APJ EDGE649 E649-EDGE649 Octal Pin Electronics Driver / Receiver
Octal Pin Electronics Driver/Receiver
Semtech Corporation
EDGE749 EDGE74902 E749-EDGE749 Octal Pin Electronics Driver / Receiver
Octal Pin Electronics Driver/Receiver
Semtech Corporation
74LVT245 74LVT245D 74LVT245PW 74LVT245BQ 74LVT245D 3.3 V octal transceiver with direction pin (3-state)
NXP Semiconductors
74ACT11646N 5 V, octal transceiver/register with direction pin (3-state)
Philips
ADG715 ADG715BRU ADG714 ADG714BRU CMOS/ Low Voltage Serially-Controlled/ Octal SPST Switches
(4kV/6kV Versions); EN and UL Certificates; 3 Pinout Options, 3 Case Styles; Control Pin Option; Efficiency to 86%
CMOS, Low Voltage Serially-Controlled, Octal SPST Switches
Analog Devices, Inc.
AD[Analog Devices]
74LVC2245APWDH 74LVC2245A 74LVC2245ABQ 74LVC2245AD Octal transceiver with direction pin; 30 ohm series termination resistors; 5 V input/output tolerant; 3-state
NXP Semiconductors
PHILIPS[Philips Semiconductors]
160-PP-640-00-001101 DIL SOCKETS
Precid-Dip Durtal SA
 
 Related keyword From Full Text Search System
C-103-PM 应用线路 C-103-PM Product C-103-PM found C-103-PM Instruments C-103-PM eeprom pdf
C-103-PM Detector C-103-PM temperature C-103-PM Processor C-103-PM filtran xfmr C-103-PM Transistors
 

 

Price & Availability of C-103-PM

All Rights Reserved © IC-ON-LINE 2003 - 2022  

[Add Bookmark] [Contact Us] [Link exchange] [Privacy policy]
Mirror Sites :  [www.datasheet.hk]   [www.maxim4u.com]  [www.ic-on-line.cn] [www.ic-on-line.com] [www.ic-on-line.net] [www.alldatasheet.com.cn] [www.gdcy.com]  [www.gdcy.net]


 . . . . .
  We use cookies to deliver the best possible web experience and assist with our advertising efforts. By continuing to use this site, you consent to the use of cookies. For more information on cookies, please take a look at our Privacy Policy. X
0.20388007164001