Part Number Hot Search : 
R1001 RBV1010D LM300 FS7UM 00000 RC2004C 1G126 GL2137
Product Description
Full Text Search

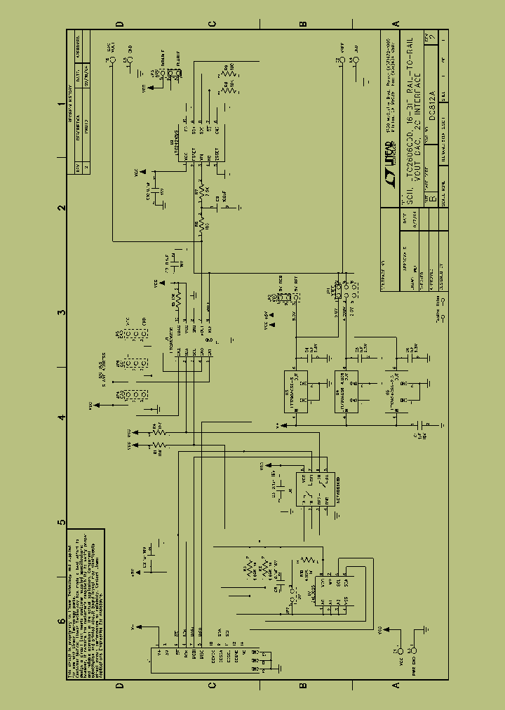
DC812A - SCH LTC2606CDD 16 BIT RAIL TO RAIL VOUT DAC I2C INTERFACE

DC812A_8530478.PDF Datasheet


 Full text search : SCH LTC2606CDD 16 BIT RAIL TO RAIL VOUT DAC I2C INTERFACE
 Product Description search : SCH LTC2606CDD 16 BIT RAIL TO RAIL VOUT DAC I2C INTERFACE


 Related Part Number
PART Description Maker
AM27C128 AM27C128-120 AM27C128-120DC AM27C128-120D    112dB 192kHz 24-BIT SCH DAC
128 Kilobit (16 K x 8-Bit) CMOS EPROM
Octal D-Type Flip-Flops With Clear 20-PDIP 0 to 70
112dB 192kHz 24-BIT SCH DAC 16K X 8 UVPROM, 90 ns, CDIP28
112dB 192kHz 24-BIT SCH DAC 16K X 8 UVPROM, 120 ns, CDIP28
112dB 192kHz 24-BIT SCH DAC 16K X 8 UVPROM, 55 ns, CDIP28
112dB 192kHz 24-BIT SCH DAC 16K X 8 OTPROM, 90 ns, PDIP28
Quad 2-input exclusive-NOR gates with open collector outputs 14-SO 0 to 70 16K X 8 OTPROM, 120 ns, PDIP28
112dB 192kHz 24-BIT SCH DAC 16K X 8 OTPROM, 120 ns, PQCC32
112dB 192kHz 24-BIT SCH DAC 一一二分92kHz4位三星援
Quad /S-/R latches 16-SOIC 0 to 70 一一二分92kHz4位三星援
112dB 192kHz 24-BIT SCH DAC 16K X 8 UVPROM, 250 ns, CDIP28
Triple 3-input positive-NOR gates 14-SOIC 0 to 70
AMD[Advanced Micro Devices]
Advanced Micro Devices, Inc.
ADVANCED MICRO DEVICES INC
D555 ALD555 ALD555DA ALD555PA ALD555SA high speed cmos timer 高CMOS计时
112dB 192kHz 24-BIT SCH DAC
Advanced Linear Devices, Inc.
ALD[Advanced Linear Devices]
AD5302 AD5302BRM AD5322 AD5322BRM AD5312 AD5312BRM 2.5 V to 5.5 V, 230 uA Dual Rail-to-Rail, Voltage Output 8-/10-/12-Bit DACs SERIAL INPUT LOADING, 6 us SETTLING TIME, 8-BIT DAC, PDSO10
2.5 V to 5.5 V, 230 A, Dual Rail-to-Rail Voltage Output 8-Bit DAC in a 10-Lead MicroSOIC Package
Analog Devices, Inc.
AD[Analog Devices]
SOM-5760 SOM-5760-S1A1E SOM-5760-S6A1E Intel? Atom SCH US15W XL COM-Express CPU Module
Intel? Atom?/a> SCH US15W XL COM-Express CPU Module
Intel垄莽 Atom垄芒 SCH US15W XL COM-Express CPU Module
Advantech Co., Ltd.
LTC2602 LTC2612CMS8 LTC2622CMS8 LTC2602CMS8 LTC260 18-Bit Universal Bus Driver With 3-State Outputs 56-SSOP -40 to 85
Dual 16-/14-/12-Bit Rail-to-Rail DACs in 8-Lead MSOP
Linear Technology Corporation
LTC1669 1669F LTC1669-1CS5 LTC1669CS5 LTC1669IMS8 Replaced by TLV5617A : 10-Bit, 2.5 us Dual DAC, Serial Input, Pgrmable Settling Time, Simultaneous Update, Low Power 8-SOIC 0 to 70
10-Bit Rail-to-Rail Micropower DAC with I2C Interface
From old datasheet system
10-Bit Rail-to-Rail Micropower DAC with I²C Interface; Package: SOT; No of Pins: 5; Temperature Range: 0°C to 70°C SERIAL INPUT LOADING, 30 us SETTLING TIME, 10-BIT DAC, PDSO5
Linear Technology Corporation
LINER[Linear Technology]
Linear Technology, Corp.
EL5244CS EL5246CS 100 MHz Single Supply Rail to Rail Amplifier
16-Bit Ultra-Low-Power Microcontroller,16kB EPROM, 512B RAM, 14 bit ADC, 84 segment LCD 68-JLCC
Elantec Semiconductor
AD5662 AD5662ARJ-1 AD5662ARJ-2 AD5662ARM AD5662BRJ 2.7 V to 5.5 V, 250 A, Rail-to-Rail Output 16-Bit DAC D/A in a SOT-23
2.7-5.5V, 16-Bit nanoDAC™ Converter in a Sot-23
2.7 V to 5.5 V, 250 ??A, Rail-to-Rail Output 16-Bit DAC D/A in a SOT-23
2.7 V to 5.5 V, 250 uA, Rail-to-Rail Output 16-Bit DAC D/A in a SOT-23
AD[Analog Devices]
LTC1454L LTC1454 LTC1454CS LTC1454IS LTC1454LCS 14 Dual 12-Bit Rail-to-Rail Micropower DACs DUAL, SERIAL INPUT LOADING, 14 us SETTLING TIME, 12-BIT DAC, PDSO16
Low-Power LinCMOS(TM) Quad Comparator with Totem Pole Output 20-LCCC -55 to 125
From old datasheet system
Linear Technology, Corp.
Linear Technology Corporation
LINER[Linear Technology]
MAX509-MAX510 MAX510 MAX510ACPE MAX510ACWE MAX510A Quad, Serial 8-Bit DACs with Rail-to-Rail Outputs
Quad Serial 8-Bit DACs with Rail-to-Rail Outputs
From old datasheet system
MAXIM - Dallas Semiconductor
Maixm
MAXIM[Maxim Integrated Products]
LTC1450LCGTRPBF Parallel Input, 12-Bit Rail-to-Rail Micropower DACs in SSOP
Linear Technology
 
 Related keyword From Full Text Search System
DC812A step-down converter DC812A lcd DC812A lead DC812A Precision DC812A Specification
DC812A led DC812A Technolog DC812A memory DC812A Port DC812A where to buy
 

 

Price & Availability of DC812A

All Rights Reserved © IC-ON-LINE 2003 - 2022  

[Add Bookmark] [Contact Us] [Link exchange] [Privacy policy]
Mirror Sites :  [www.datasheet.hk]   [www.maxim4u.com]  [www.ic-on-line.cn] [www.ic-on-line.com] [www.ic-on-line.net] [www.alldatasheet.com.cn] [www.gdcy.com]  [www.gdcy.net]


 . . . . .
  We use cookies to deliver the best possible web experience and assist with our advertising efforts. By continuing to use this site, you consent to the use of cookies. For more information on cookies, please take a look at our Privacy Policy. X
0.39876413345337