Part Number Hot Search : 
MIC4574 MMBT404A DTA144E N83605M 6200T7LC 3296P502 SMB137B 81111
Product Description
Full Text Search

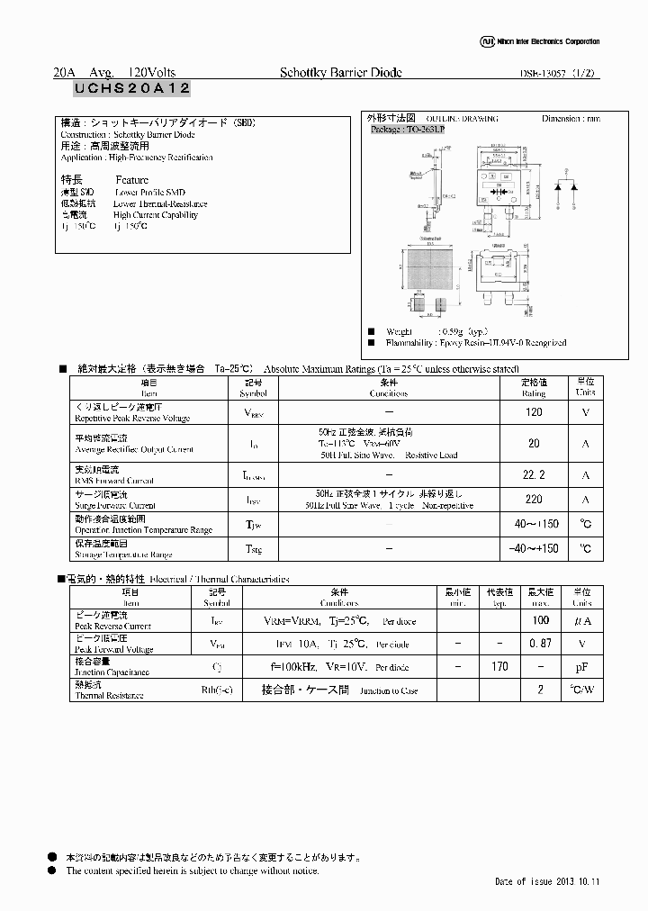
UCHS20A12 - Scokkty Barrier Diode

UCHS20A12_8494159.PDF Datasheet


 Full text search : Scokkty Barrier Diode
 Product Description search : Scokkty Barrier Diode


 Related Part Number
PART Description Maker
SA10QA04 Scokkty Barrier Diode
Schottky Barrier Diode
Nihon Inter Electronics...
SB05-18M Schottky Barrier Diode 180V, 500mA Rectifier
Shottky Barrier Diode
Sanyo Semiconductor
KDR367 Schottky Barrier Diode
SCHOTTKY BARRIER TYPE DIODE(LOW VOLTAGE HIGH SPEED SWITCHING)
Korea Electronics (KEC)
KEC[KEC(Korea Electronics)]
SD101AW SD101BW SD101CW SCHOTTKY BARRIER SWITCHING DIODE
(SD101AW - SD101CW) SURFACE MOUNT SCHOTTKY BARRIER DIODE
DIODES[Diodes Incorporated]
FMB-2306 30A Schottky barrier diode in TO220F package
Schottky Barrier Diode - 60V
Sanken Electric Co.,Ltd.
SANKEN[Sanken electric]
KDR331E Schottky Barrier Diode
SCHOTTKY BARRIER TYPE DIODE(HIGH SPEED SWITCHING)
Korea Electronics (KEC)
KEC[KEC(Korea Electronics)]
5082-2350 50822350 MEDIUM BARRIER SCHOTTKY DIODE SILICON, MEDIUM BARRIER SCHOTTKY, VHF-UHF BAND, MIXER DIODE
From old datasheet system
Advanced Semiconductor, Inc.
SB30-45-25 SB30-40-258RM SB30-40-258M SB30-40-258A Dual Schottky Barrier Diode In TO258 Metal Package For HI-REL Application(Common Anode)(双肖特基势垒二极HI-REL应用,TO258金属封装,共阳极连) 双肖特基二极管在TO258金属封装,高可靠性的应用(共阳极)(双肖特基势垒二极管(高可靠性应用,TO258金属封装,共阳极连接))
DUAL SCHOTTKY BARRIER DIODE IN TO258 METAL PACKAGE FOR HI-REL APPLICATIONS 30 A, 40 V, SILICON, RECTIFIER DIODE, TO-258AA
Dual Schottky Barrier Diode In TO258 Metal Package For HI-REL Application(Series Connection)(双肖特基势垒二极HI-REL应用,TO258金属封装,串行连接))
Dual Schottky Barrier Diode In TO258 Metal Package For HI-REL Application(Common Cathode)(双肖特基势垒二极HI-REL应用,TO258金属封装,共阴极连)
SEMELAB LTD
TT electronics Semelab, Ltd.
TT electronics Semelab Limited
Semelab(Magnatec)
SEME-LAB[Seme LAB]
CD214A-B130L CD214A-B140L Schottky Barrier Rectifier Chip Diode 1 A, 30 V, SILICON, SIGNAL DIODE, DO-214AC
Schottky Barrier Rectifier Chip Diode 肖特基整流二极管芯片
Bourns, Inc.
KDR411S Schottky Barrier Diode
SCHOTTKY BARRIER TYPE DIODE(LOW POWER RECTIFICATION, FOR SWITCHING POWER SUPPLY)
Korea Electronics (KEC)
KEC(Korea Electronics)
CD214A-B40 CD214A-B40L CD214A-B220 CD214A-B30 CD21 Schottky Barrier Diodes 2A, VR=60V 2 A, 60 V, SILICON, RECTIFIER DIODE, DO-214AC
Schottky Barrier Rectifier Chip Diode
Bourns, Inc.
BOURNS[Bourns Electronic Solutions]
FMW-2204 FMW-24H FMW-24L MPE-24H AW04 AE04 SFPE-64 From old datasheet system
Schottky Barrier Diodes 10 A, 40 V, SILICON, RECTIFIER DIODE, TO-220AB
Schottky Barrier Diodes 2 A, SILICON, RECTIFIER DIODE
Schottky Barrier Diodes 1 A, SILICON, SIGNAL DIODE
Sanken Electric Co., Ltd.
Sanken Electric Co.,Ltd.
http://
 
 Related keyword From Full Text Search System
UCHS20A12 Byte UCHS20A12 video UCHS20A12 pdf UCHS20A12 optical UCHS20A12 Processor
UCHS20A12 Command UCHS20A12 dual UCHS20A12 器件参数 UCHS20A12 替换的 UCHS20A12 asm encoder
 

 

Price & Availability of UCHS20A12

All Rights Reserved © IC-ON-LINE 2003 - 2022  

[Add Bookmark] [Contact Us] [Link exchange] [Privacy policy]
Mirror Sites :  [www.datasheet.hk]   [www.maxim4u.com]  [www.ic-on-line.cn] [www.ic-on-line.com] [www.ic-on-line.net] [www.alldatasheet.com.cn] [www.gdcy.com]  [www.gdcy.net]


 . . . . .
  We use cookies to deliver the best possible web experience and assist with our advertising efforts. By continuing to use this site, you consent to the use of cookies. For more information on cookies, please take a look at our Privacy Policy. X
0.27189803123474