Part Number Hot Search : 
SAA6712E 100M1 86718 SH7044 GBC30 UGP15G 22123 40H22
Product Description
Full Text Search

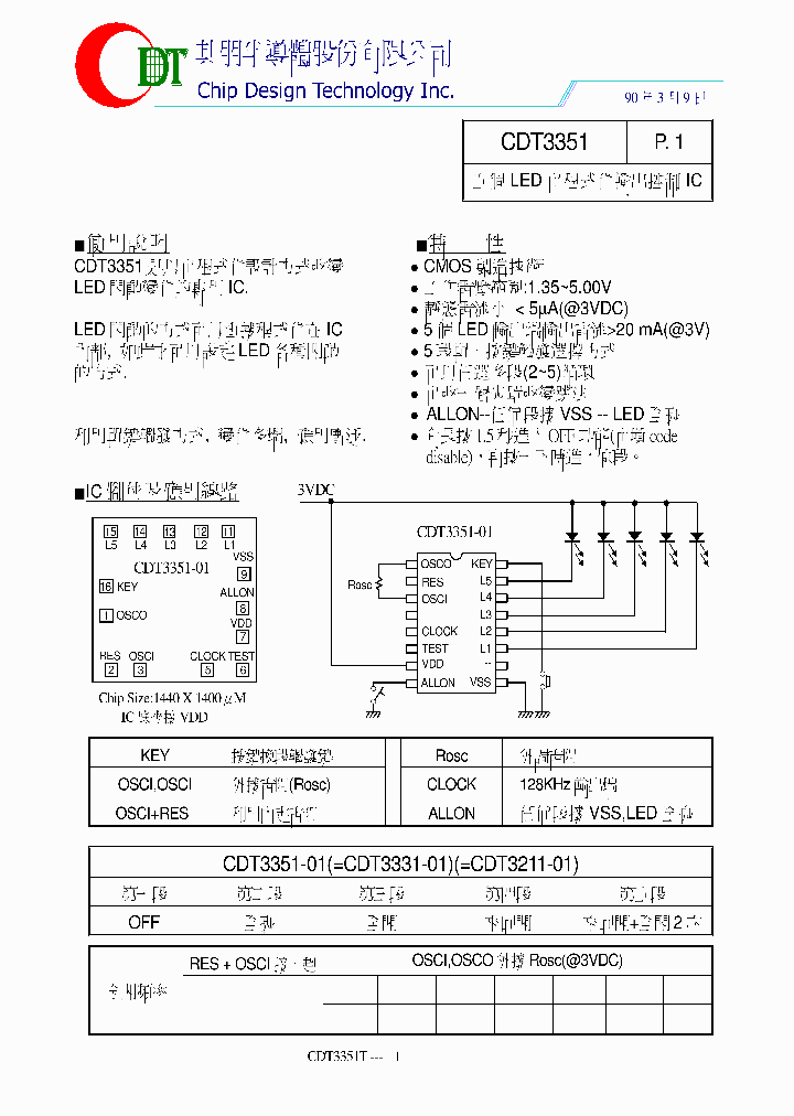
CDT3351 - 五?LED 可程式化?出控制IC

CDT3351_8359967.PDF Datasheet


 Full text search : 五?LED 可程式化?出控制IC
 Product Description search : 五?LED 可程式化?出控制IC


 Related Part Number
PART Description Maker
Q62703-Q3207 LOP380-MP LOP380-N LOP380-NQ LOP380-P CAT5E 350MHZ PATCH CORD, 5 FT PINK, SNAGLESS BOOT SINGLE COLOR LED, YELLOW, 3 mm
Plane 3 mm (T1) LED, Non Diffused SINGLE COLOR LED, ORANGE, 3 mm
Plane 3 mm (T1) LED, Non Diffused SINGLE COLOR LED, PURE GREEN, 3 mm
Plane 3 mm (T1) LED, Non Diffused 平面3毫米(T1)的LED,非漫射
Plane 3 mm (T1) LED, Non Diffused 平面3毫米T1)的LED,非漫射
HDR 12 POS RTANG SMT
Plane 3 mm (T1) LED Non Diffused
Plane 3 mm (T1) LED/ Non Diffused
SIEMENS AG
SIEMENS[Siemens Semiconductor Group]
209-930-21-38 209-521-22-38 209-532-21-38 209-501- LED TELEFONSOCKELT5.5 24V GELB
LED TELEFONSOCKELT5.5 12V GRUEN
LED TELEFONSOCKELT5.5 12V GELB
LED TELEFONSOCKELT5.5 12V ROT 发光二极管TELEFONSOCKELT5.5 12V的腐
LED TELEFONSOCKELT5.5 12V BLAU 发光二极管TELEFONSOCKELT5.5 12V的布
LED TELEFONSOCKELT5.5 28V GELB 发光二极管TELEFONSOCKELT5.5 28V的盖尔布
LED T5.5 SLIDE 12V WHITE 发光二极管T5.52V的白
Molex, Inc.
Marl International Limited
TLYH20T TLSH20T TLOH20T TLRMH20T InGaAlP LED Panel Circuit Indicator
TOSHIBA InGaAP LED
TOSHIBA InGaAГP LED
TOSHIBA InGaA?P LED
TOSHIBA[Toshiba Semiconductor]
LSK389 LSK389-FO LYK389-FO LGK389-FO Q62703-Q1773 LC ARGUS LED Low current 3 mm T1 LED, Non Diffused SINGLE COLOR LED, YELLOW, 3 mm
SIEMENS AG
SIEMENS[Siemens Semiconductor Group]
BP280TO5-2.1V-090T BP280TO5-2.1V-090N BP280TO3-5V- T-1 3/4 SINGLE COLOR LED, PURE ORANGE, 5 mm
T-1 3/4 SINGLE COLOR LED, STANDARD RED, 5 mm
T-1 3/4 SINGLE COLOR LED, HIGH EFFICIENCY GREEN, 5 mm
T-1 3/4 SINGLE COLOR LED, HIGH EFFICIENCY RED, 5 mm
T-1 3/4 SINGLE COLOR LED, BLUE, 5 mm
T-1 3/4 SINGLE COLOR LED, AMBER YELLOW, 5 mm
T-1 3/4 SINGLE COLOR LED, ULTRA RED, 5 mm
5 mm, 1 ELEMENT, INFRARED LED, 850 nm
T-1 3/4 SINGLE COLOR LED, PURE GREEN, 5 mm
T-1 3/4 SINGLE COLOR LED, LIME YELLOW, 5 mm
5 mm, 1 ELEMENT, INFRARED LED, 940 nm
5 mm, 1 ELEMENT, INFRARED LED, 880 nm
LEDtronics, Inc.
LEDTRONICS INC
Q62703-Q3230 Q62703-Q2298 LOGK370-P LOPK370-KN LOP Multi ARGUS LED 3 mm T1 LED/ Non Diffused
Multi ARGUS LED 3 mm T1 LED, Non Diffused 多阿格斯3毫米T1的LED发光二极管,非漫
CONN POWER EDGE 4POS VERT PCB DUAL COLOR LED, SUPER RED/GREEN, 3 mm
Multi ARGUS LED 3 mm T1 LED, Non Diffused DUAL COLOR LED, ORANGE/PURE GREEN, 3 mm
Multi ARGUS LED 3 mm T1 LED, Non Diffused DUAL COLOR LED, ORANGE/GREEN, 3 mm
Multi ARGUS LED 3 mm T1 LED, Non Diffused DUAL COLOR LED, SUPER RED/PURE GREEN, 3 mm
Siemens Semiconductor G...
SIEMENS[Siemens Semiconductor Group]
SIEMENS AG
ASMT-MYK0-NKK00 ASMT-MWK0-NKK00 ASMT-MYK0-AANASMT- SINGLE COLOR LED, WARM WHITE ROHS COMPLIANT PACKAGE-2
SINGLE COLOR LED, COOL WHITE
SINGLE COLOR LED, BLUE
SINGLE COLOR LED, AMBER
MoonstoneTM 1W Power LED Light Source on MCPCB
Avago Technologies Ltd.
L-com, Inc.
Lite-On Technology, Corp.
AVAGO TECHNOLOGIES LIMI...
HSMJ-A401-T40M1 HSMJ-A401-U40M1 HSME-A401-P4PM1 HS SINGLE COLOR LED, RED ORANGE
HSMC-A401-T40M1 · Surface Mount LED Indicator
HSMK-A401-R40M2 · Surface Mount LED Indicator
HSMA-A401-U20M1 · Surface Mount LED Indicator
HSMC-A401-T80M1 · Surface Mount LED Indicator
HSMM-A401-S7YM2 · Surface Mount LED Indicator
HSMM-A401-S4YM2 · Surface Mount LED Indicator
HSML-A401-U40M1 · Surface Mount LED Indicator
HSMA-A401-U45M1 · Surface Mount LED Indicator
HSMC-A400-S30M1 · Surface Mount LED Indicator
HSMM-A400-T8YM2 · Surface Mount LED Indicator
HSMK-A400-T80M2 · Surface Mount LED Indicator
HSMM-A400-U4WM2 · Surface Mount LED Indicator
HSMA-A400-T35M1 · Surface Mount LED Indicator
HSMZ-A400-V30M1 · Surface Mount LED Indicator
HSMV-A400-U80M1 · Surface Mount LED Indicator
HSMZ-A400-U80M1 · Surface Mount LED Indicator
HSMU-A400-U85M1 · Surface Mount LED Indicator
HSMC-A401-T60M1 · Surface Mount LED Indicator
HSMN-A400-Q8QM2 · Surface Mount LED Indicator
HSMN-A400-R8PM2 · Surface Mount LED Indicator
HSMN-A401-P7QM2 · Surface Mount LED Indicator
HSMN-A401-P4QM2 · Surface Mount LED Indicator
HSME-A401-P4PM1 · Surface Mount LED Indicator
HSMJ-A401-U40M1 · Surface Mount LED Indicator
HSMJ-A401-T40M1 · Surface Mount LED Indicator
AGILENT TECHNOLOGIES INC
Agilent (Hewlett-Packard)
DDH-GJS-M1 DDH-GJS-MN2-1 DDH-GJS-NP2-1 DDH-GJS-M2 LED SINGLE COLOR LED, HYPER RED
LED 发光二极
DOMINANT Opto Technologies Sdn Bhd.
DOMINANT Opto Technologies Sdn. Bhd.
DDP-SJS-NP2-1-I3 DDP-SJS-P1 DDP-SJS-P2 DDP-SJS-N2 LED SINGLE COLOR LED, PURE GREEN
LED 发光二极
DOMINANT Opto Technologies Sdn Bhd.
DOMINANT Opto Technologies Sdn. Bhd.
550-5607 550-0707 550-2307 550-5707 550-0207 550-0 5mm LED CBI Circuit Board Indicator Sloped Back Housing with Standoffs
LED 5MM RT ANG SUP CLR YEL PCMNT T-1 3/4 SINGLE COLOR LED, SUPER BRIGHT YELLOW, 5 mm
T-1 3/4 SINGLE COLOR LED, RED, 5 mm
Dialight Corporation
Dialight PLC
552-0222 552-0233 552-0XXX 5SD-9456 521-9183 521-9 5mm LED CBI Circuit Board Indicator Bi-level
LED 2HI 5MM SUP BRIGHT RED PCMNT T-1 3/4 SINGLE COLOR LED ARRAY, RED, 5 mm
LED 2HI 5MM YEL/GRN BICLR PC MNT
http://
DIALIGHT[Dialight Corporation]
Dialight PLC
 
 Related keyword From Full Text Search System
CDT3351 Amp CDT3351 astable multivibrators CDT3351 Step CDT3351 max CDT3351 ic资料查询
CDT3351 channel CDT3351 image sensor CDT3351 circuit CDT3351 m85049 CDT3351 参数网
 

 

Price & Availability of CDT3351

All Rights Reserved © IC-ON-LINE 2003 - 2022  

[Add Bookmark] [Contact Us] [Link exchange] [Privacy policy]
Mirror Sites :  [www.datasheet.hk]   [www.maxim4u.com]  [www.ic-on-line.cn] [www.ic-on-line.com] [www.ic-on-line.net] [www.alldatasheet.com.cn] [www.gdcy.com]  [www.gdcy.net]


 . . . . .
  We use cookies to deliver the best possible web experience and assist with our advertising efforts. By continuing to use this site, you consent to the use of cookies. For more information on cookies, please take a look at our Privacy Policy. X
0.16707706451416