Part Number Hot Search : 
330ZA 0FGCTS KP1010X BR9020 AK4112 EC3H04B LTC38011 ZRA245F
Product Description
Full Text Search

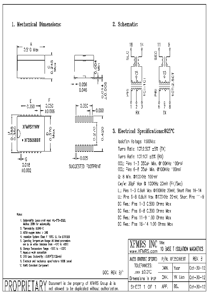
XF35068BIT-15 - 10 BASE T ISOLATION MAGNETICS

XF35068BIT-15_8343884.PDF Datasheet


 Full text search : 10 BASE T ISOLATION MAGNETICS
 Product Description search : 10 BASE T ISOLATION MAGNETICS


 Related Part Number
PART Description Maker
XF07561B XF07561C XF07561A XF10061A XF10061C XF100 10 BASE T MAGNETICS ISOLATION MAGNETICS
XFMRS Inc.
XF14062B 10 BASE ISOLATION MAGNETICS
XFMRS Inc.
XF20065A 10 BASE-T ISOLATION MAGNETICS
XFMRS Inc.
J0026D21 J0011D01 J0011D01B J0011D01BNL J0011D01NL DATACOM TRANSFORMER FOR LAN; 10/100 BASE-TX; ETHERNET APPLICATION(S)
10/100 Base-TX RJ45 1x1 Tab-DOWN with LEDs 8-pin (J0 series) integrated magnetics connector (ICM), designed to
PULSE ELECTRONICS CORP
Pulse A Technitrol Company
Pulse Engineering, Inc.
http://
Pulse A Technitrol Comp...
0560-6600-AA ADSL Magnetics
Isolation Transformer
Bel Fuse Inc.
XF10062B XF10062B10 10 BASE T Magnetics
XFMRS Inc.
XF15062B 10 BASE T Magnetics
XFMRS Inc.
XF20064B4 XF20064B411 10 BASE T Magnetics
XFMRS Inc.
8327 RJ-45 1000 BASE-T Magnetics
Filtran Ltd.
8327 RJ-45 1000 BASE-T Magnetics
FILTRAN[Filtran LTD]
BC328 BC327 BC327-16 BC328-16 BC327-25 BC327-40 Q6 Si-Epitaxial PlanarTransistors
From old datasheet system
ECONOLINE: RSZ/P - 1kVDC & 2kVDC Isolation- UL94V-0 Package Material- No Heatsink Required- No Extern. Components Required- Toroidal Magnetics- ContinuousShort Circuit Protection ( /P-Suffix)
ECONOLINE: RSS & RSD - 1kVDC and 3KVDC Isolation- Internal SMD Construction- UL94V-0 Package Material- Toroidal Magnetics- Efficiency to 85%- SMD5, SMD8, SMD10 and SMD12 case styles
PNP Silicon AF Transistors (High current gain High collector current Low collector-emitter saturation voltage) 自动对焦进步党硅晶体管(高电流增益高集电极电流低集电极发射极饱和电压
SIEMENS A G
Diotec Elektronische
Infineon
Diotec Semiconductor
SIEMENS[Siemens Semiconductor Group]
SIEMENS AG
VP80 10/100 BASE-TX VOICE OVER IP MAGNETICS
Bothhand USA, LP.
 
 Related keyword From Full Text Search System
XF35068BIT-15 电子元器件 XF35068BIT-15 sfp configuration XF35068BIT-15 Vcc XF35068BIT-15 Octal XF35068BIT-15 international
XF35068BIT-15 filetype:pdf XF35068BIT-15 Amplifiers XF35068BIT-15 Pin XF35068BIT-15 products XF35068BIT-15 Crystals
 

 

Price & Availability of XF35068BIT-15

All Rights Reserved © IC-ON-LINE 2003 - 2022  

[Add Bookmark] [Contact Us] [Link exchange] [Privacy policy]
Mirror Sites :  [www.datasheet.hk]   [www.maxim4u.com]  [www.ic-on-line.cn] [www.ic-on-line.com] [www.ic-on-line.net] [www.alldatasheet.com.cn] [www.gdcy.com]  [www.gdcy.net]


 . . . . .
  We use cookies to deliver the best possible web experience and assist with our advertising efforts. By continuing to use this site, you consent to the use of cookies. For more information on cookies, please take a look at our Privacy Policy. X
0.033776044845581