Part Number Hot Search : 
803DH3 00213V G511004 4LVC1G17 FP9700 BD9325FJ AAT3223 M62230E
Product Description
Full Text Search

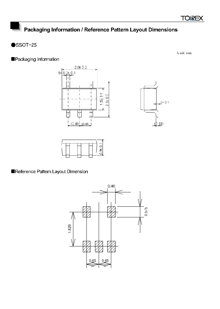
SSOT-25 - Packaging Information / Reference Pattern Layout Dimensions

SSOT-25_8314879.PDF Datasheet


 Full text search : Packaging Information / Reference Pattern Layout Dimensions
 Product Description search : Packaging Information / Reference Pattern Layout Dimensions


 Related Part Number
PART Description Maker
MCS-51 MCS-96 (MCS-51/-96) Packaging Information
Intel Corporation
6847 C20 C30 MEMORY MICROMODULES GENERAL INFORMATION FOR D1, D2 AND C PACKAGING
From old datasheet system
ST Microelectronics
MCS-96 MCS-51 and MCS-96 Packaging Information
Intel Corporation
MCS-51 MCS-96 MCS-51 and MCS-96 Packaging Information MCS - 51单片机与MCS - 96封装信息
Intel Corp.
Intel, Corp.
MIC94030 MIC94030BM4 MIC94031BM4 4030B MIC94031 TinyFET P-Channel MOSFET(TinyFET???P娌??澧?己??OS?烘?搴??)
TinyFETP-Channel MOSFET Preliminary Information TinyFETP沟道MOSFET的初步信
10000 SYSTEM GATE 3.3 VOLT LOGIC CELL AR - NOT RECOMMENDED for NEW DESIGN
TinyFET P-Channel MOSFET(TinyFET技P沟道增强型MOS场效应管)
TinyFET P-Channel MOSFET Preliminary Information
TinyFET⑩ P-Channel MOSFET Preliminary Information
TinyFET?/a> P-Channel MOSFET Preliminary Information
Micrel Semiconductor, Inc.
Micrel Semiconductor,Inc.
MICREL[Micrel Semiconductor]
PST9346U PST9319U PST9342U PST9339U PST9338U PST93 -40V Single P-Channel HEXFET Power MOSFET in a SO-8 package; Similar to IRF7241 with Lead Free Packaging
-55V Single P-Channel HEXFET Power MOSFET in a D-Pak package; A IRFR9024NCPBF with Standard Packaging
-55V Single P-Channel HEXFET Power MOSFET in a D2-Pak package; A IRF9Z24NS with Standard Packaging
-20V Single P-Channel HEXFET Power MOSFET in a Micro 3 package; A IRLML6402 with Tape and Reel Packaging
-55V Single P-Channel HEXFET Power MOSFET in a TO-220AB package; A IRF5305 with Standard Packaging
Voltage Detector 电压检测器
-12V Single P-Channel HEXFET Power MOSFET in a SO-8 package; A IRF7220 with Standard Packaging 电压检测器
-30V Single P-Channel HEXFET Power MOSFET in a SO-8 package; A IRF7406 with Standard Packaging
-100V Single P-Channel HEXFET Power MOSFET in a I-Pak package; A IRFU9120N with Standard Packaging
Maxim Integrated Products, Inc.
AM29F002BB-120EE AM29F002BB-120EI AM29F002BB-120JC -55V Single P-Channel HEXFET Power MOSFET in a D2-Pak package; A IRF5305S with Standard Packaging
-100V Single P-Channel HEXFET Power MOSFET in a D2-Pak package; Similar to IRF5210S with Lead Free Packaging
-100V Single P-Channel HEXFET Power MOSFET in a D2-Pak package; Similar to IRF9520NS with Lead Free Packaging
-100V Single P-Channel HEXFET Power MOSFET in a TO-220AB package; A IRF9540NPBF with Standard Packaging
-55V Single P-Channel HEXFET Power MOSFET in a I-Pak package; A IRFU9024N with Standard Packaging
-55V Single P-Channel HEXFET Power MOSFET in a TO-220 Full-Pak package; A IRLIB9343 with Standard Packaging
-55V Single P-Channel HEXFET Power MOSFET in a TO-262 package; A IRF5305L with Standard Packaging
-150V Single P-Channel HEXFET Power MOSFET in a D-Pak package; Similar to IRFR6215 with Lead Free Packaging
-30V Single P-Channel HEXFET Power MOSFET in a Micro 8 package; A IRF7726 with Lead Free Packaging
-55V Single P-Channel HEXFET Power MOSFET in a D-Pak package; A IRFR9024N with Standard Packaging
-20V Single P-Channel HEXFET Power MOSFET in a SO-8 package; Similar to IRF7204 with Lead Free Packaging
-100V Single P-Channel HEXFET Power MOSFET in a I-Pak package; Similar to IRFU5410 with Lead Free Packaging
-100V Single P-Channel HEXFET Power MOSFET in a D2-Pak package; A IRF9530NS with Tape and Reel Right Packaging
-150V Single P-Channel HEXFET Power MOSFET in a TO-220AB package; A IRF6215PBF with Standard Packaging
-100V Single P-Channel HEXFET Power MOSFET in a D2-Pak package; A IRF9540NS with Tape and Reel Left Packaging
-55V Single P-Channel HEXFET Power MOSFET in a D2-Pak package; Similar to IRF9Z34NS with Lead Free Packaging
-55V Single P-Channel HEXFET Power MOSFET in a I-Pak package; Similar to IRFU5505 with Lead Free Packaging
-55V Single P-Channel HEXFET Power MOSFET in a TO-220AB package; A IRF5305PBF with Standard Packaging
-30V Single P-Channel HEXFET Power MOSFET in a SO-8 package; Similar to IRF7406 with Lead Free Packaging
-55V Single P-Channel HEXFET Power MOSFET in a I-Pak package; Similar to IRFU9024N with Lead Free Packaging
-55V Single P-Channel HEXFET Power MOSFET in a TO-262 package; A IRF4905L with Standard Packaging
-150V Single P-Channel HEXFET Power MOSFET in a I-Pak package; A IRFU6215 with Standard Packaging
-55V Single P-Channel HEXFET Power MOSFET in a D-Pak package; A IRFR5305 with Standard Packaging
-55V Single P-Channel HEXFET Power MOSFET in a TO-220AB package; A IRF9Z34N with Standard Packaging
-100V Single P-Channel HEXFET Power MOSFET in a D2-Pak package; Similar to IRF9530NS with Lead Free Packaging
-20V Single P-Channel HEXFET Power MOSFET in a SO-8 package; A IRF7204 with Standard Packaging
-100V Single P-Channel HEXFET Power MOSFET in a D2-Pak package; A IRF9540NS with Standard Packaging
-12V Single P-Channel HEXFET Power MOSFET in a SO-8 package; Similar to IRF7233 with Lead Free Packaging
-40V Single P-Channel HEXFET Power MOSFET in a SO-8 package; A IRF7241 with Standard Packaging
-100V Single P-Channel HEXFET Power MOSFET in a TO-220AB package; A IRF5210 with Standard Packaging
-55V Single P-Channel HEXFET Power MOSFET in a I-Pak package; A IRFU5305 with Standard Packaging
-40V Single P-Channel HEXFET Power MOSFET in a TSSOP-8 package; A IRF7704 with Standard Packaging
-100V Single P-Channel HEXFET Power MOSFET in a TO-247AC package; Similar to IRFP9140N with Lead Free Packaging
-30V Single P-Channel HEXFET Power MOSFET in a SO-8 package; Similar to SI4435DY with Lead Free Packaging
-40V Single P-Channel HEXFET Power MOSFET in a TSSOP-8 package; Similar to IRF7704 with Lead-Free Packaging.
-12V Single P-Channel HEXFET Power MOSFET in a SO-8 package; Similar to IRF7210 with Lead-Free Packaging.
-100V Single P-Channel HEXFET Power MOSFET in a TO-262 package; Similar to IRF5210L with Lead Free Packaging x8闪存EEPROM
x8 Flash EEPROM x8闪存EEPROM
Advanced Micro Devices, Inc.
F4-50R12MS4 Technische Information / Technical Information
Infineon Technologies AG
FZ300R12KE3G Technische Information / technical information
eupec GmbH
IFS75B12N3T4B31 Technische Information / technical information
Infineon Technologies AG
 
 Related keyword From Full Text Search System
SSOT-25 quad SSOT-25 电子元器件 SSOT-25 datasheet online SSOT-25 Pin SSOT-25 pci endian mode
SSOT-25 Byte SSOT-25 digital ic SSOT-25 Driver SSOT-25 Electronic SSOT-25 circuit board
 

 

Price & Availability of SSOT-25

All Rights Reserved © IC-ON-LINE 2003 - 2022  

[Add Bookmark] [Contact Us] [Link exchange] [Privacy policy]
Mirror Sites :  [www.datasheet.hk]   [www.maxim4u.com]  [www.ic-on-line.cn] [www.ic-on-line.com] [www.ic-on-line.net] [www.alldatasheet.com.cn] [www.gdcy.com]  [www.gdcy.net]


 . . . . .
  We use cookies to deliver the best possible web experience and assist with our advertising efforts. By continuing to use this site, you consent to the use of cookies. For more information on cookies, please take a look at our Privacy Policy. X
0.040945053100586