Part Number Hot Search : 
UL1959 TB9408VA HD68B40P BCX70J SLASC1 SW1280 SQFP100 SRC1212K
Product Description
Full Text Search

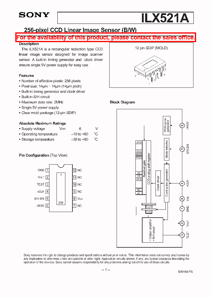
ILX521A - 256-pixel CCD Linear Image Sensor(B/W)

ILX521A_8304492.PDF Datasheet


 Full text search : 256-pixel CCD Linear Image Sensor(B/W)
 Product Description search : 256-pixel CCD Linear Image Sensor(B/W)


 Related Part Number
PART Description Maker
ILX505A 2592-pixel CCD Linear Image Sensor(B/W)
SONY
ILX514 3918-pixel CCD Linear Image Sensor (B/W)
SONY[Sony Corporation]
UPD8873 UPD8873CY (5,400 5,400) pixel x 3 line color CCD linear image sensor
(5400 ?5400) PIXELS X 3 COLOR CCD LINEAR IMAGE SENSOR
NEC
TCD2561D The TCD2561D is a high sensitive and low dark current 5340 elements 4 line CCD color image sensor which includes CCD drive circuit, clamp circuit.
TOSHIBA CCD Linear Image Sensor CCD (charge coupled device)
TOSHIBA[Toshiba Semiconductor]
CCD65-06-1-B46 CCD65-05-1-B44 CCD65-05-1-A84 IMAGE SENSOR-CCD, 576(H) X 288(V) PIXEL, 0.60V, SQUARE, THROUGH HOLE MOUNT
IMAGE SENSOR-CCD, 576(H) X 244(V) PIXEL, 0.60V, SQUARE, THROUGH HOLE MOUNT
E2V TECHNOLOGIES PLC
TCD1304AP CCD LINEAR IMAGE SENSOR The TCD1252AP is a high sensitive and low dark current 3648 - elements linear image sensor.
TOSHIBA
TCD2703D CCD Linear Image Sensor CCD (Charge Coupled Device)
Toshiba Semiconductor
AT71200M AT71200MCRER AT71200MCRERB AT71200MCRHR AT71200M Monochrome [Updated 2/03. 23 Pages] Full field CCD. 3500 x 2300 pixels. 4 x 25 MHz
Full field image sensor 3500 x 2300 pixels, 4 x 25 MHz
8M-pixel color image sensor. Full frame version standard image grade. Anti-reflective window.
8M-pixel color image sensor. Frame transfer version with two memories zones. Anti-reflective window.
8M-pixel color image sensor. Full frame version high image grade. Anti-reflective window.
Atmel
ICX248AK CCD Image Sensor with Square Pixel for Color Cameras
Sony
MN39160FH 4.5 mm (type-1/4) 680k-pixel CCD Area Image Sensor
Panasonic Semiconductor
 
 Related keyword From Full Text Search System
ILX521A ic marking ILX521A precision ILX521A Source ILX521A motor ILX521A application
ILX521A sfp configuration ILX521A marking code ILX521A 查ic资料 ILX521A Analog ILX521A Diode
 

 

Price & Availability of ILX521A

All Rights Reserved © IC-ON-LINE 2003 - 2022  

[Add Bookmark] [Contact Us] [Link exchange] [Privacy policy]
Mirror Sites :  [www.datasheet.hk]   [www.maxim4u.com]  [www.ic-on-line.cn] [www.ic-on-line.com] [www.ic-on-line.net] [www.alldatasheet.com.cn] [www.gdcy.com]  [www.gdcy.net]


 . . . . .
  We use cookies to deliver the best possible web experience and assist with our advertising efforts. By continuing to use this site, you consent to the use of cookies. For more information on cookies, please take a look at our Privacy Policy. X
0.028388023376465