Part Number Hot Search : 
CS3014 2SZE150M 0SO8B LT0398S8 BR3510L 54254 AD713KN PCF7946
Product Description
Full Text Search

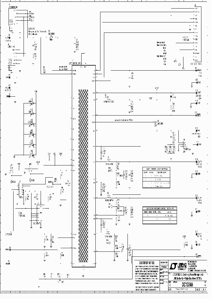
DC1334A - LTC3576EUFE: Switching Power Manager

DC1334A_8305642.PDF Datasheet


 Full text search : LTC3576EUFE: Switching Power Manager
 Product Description search : LTC3576EUFE: Switching Power Manager


 Related Part Number
PART Description Maker
SXI100-05S SXI100-12S SXI100-24S SXI50-24S SXI150- 30 Watt, output voltage 5V (4A) switching power supplie
Switching Power Supplies 开关电
Switching Power Supplies (SXI Series 15 - 150 Watt)
100 Watt, output voltage 12V (8.4A) switching power supplie
TRACO ELECTRONIC AG.
TRACOPOWER[TRACO Electronic AG]
MP6901 4 A, 80 V, 6 CHANNEL, NPN AND PNP, Si, POWER TRANSISTOR
Power Transistor Module Silicon Epitaxial Type (Darlington power transistor 6 in 1) High Power Switching Applications. Hammer Drive, Pulse Motor Drive and Inductive Load Switching.
High Power Switching Applications. Hammer Drive, Pulse Motor Drive and Inductive Load Switching
High Power Switching Applications / Hammer Drive
TOSHIBA[Toshiba Semiconductor]
HAT1047R HAT1047RJ Transistors>Switching/MOSFETs
Silicon P Channel Power MOS FET High Speed Power Switching
Renesas Electronics Corporation
2SJ528 2SJ528L 2SJ528S Power switching MOSFET
Silicon P Channel MOS FET High Speed Power Switching
HITACHI[Hitachi Semiconductor]
MP4303 Power Transistor Module Silicon NPN Epitaxial Type (Darlington power transistor 4 in 1) High Power Switching Applications. Hammer Drive, Pulse Motor Drive and Inductive Load Switching.
TOSHIBA
MB3807A Power Management Switching IC (with flash memory power switching function)
Fujitsu
KA1M0380RB KA1M0380RB-TU KA1M0380RB-YDTU KA1L0380 RES NET BUSSED 560K OHM 10-SIP
Fairchild Power Switch(SPS) 12 A SWITCHING REGULATOR, 100 kHz SWITCHING FREQ-MAX, PZFM4
Fairchild Power Switch(SPS) 2.41 A SWITCHING REGULATOR, 100 kHz SWITCHING FREQ-MAX, PSFM4
Fairchild Power Switch(SPS) 12 A SWITCHING REGULATOR, 50 kHz SWITCHING FREQ-MAX, PSFM4
Fairchild Power Switch(SPS) 2.41 A SWITCHING REGULATOR, 50 kHz SWITCHING FREQ-MAX, PSFM4
http://
FAIRCHILD[Fairchild Semiconductor]
Fairchild Semiconductor Corporation
Fairchild Semiconductor, Corp.
2SA1241 E000486 TRANSISTOR (POWER AMPLIFIER, SWITCHING APPLICATIONS) 晶体管(功率放大器,开关应用)
TRANSISTOR (POWER AMPLIFIER/ SWITCHING APPLICATIONS)
POWER AMPLIFIER APPLICATIONS POWER SWITCHING APPLICATIONS
From old datasheet system
Toshiba, Corp.
TOSHIBA[Toshiba Semiconductor]
2SC3266 E000811 2SC3266GR 2SC3266BL SMALL SIGNAL TRANSISTOR, TO-92
POWER AMPLIFIER APPLICATIONS POWER SWITCHING APPLICATIONS
From old datasheet system
NPN EPITAXIAL TYPE (POWER AMPLIFIER, SWITCHING APPLICATIONS)
Toshiba Semiconductor
TN6R04 RCC Power Supply Switching Regulators
Switching Regulator IC for RCC Method Power Supplies Applications
SANYO[Sanyo Semicon Device]
 
 Related keyword From Full Text Search System
DC1334A Emitter DC1334A maker DC1334A level DC1334A integrated gigabit DC1334A Rectifier
DC1334A texas DC1334A interrupt DC1334A high-speed usb DC1334A operation DC1334A address
 

 

Price & Availability of DC1334A

All Rights Reserved © IC-ON-LINE 2003 - 2022  

[Add Bookmark] [Contact Us] [Link exchange] [Privacy policy]
Mirror Sites :  [www.datasheet.hk]   [www.maxim4u.com]  [www.ic-on-line.cn] [www.ic-on-line.com] [www.ic-on-line.net] [www.alldatasheet.com.cn] [www.gdcy.com]  [www.gdcy.net]


 . . . . .
  We use cookies to deliver the best possible web experience and assist with our advertising efforts. By continuing to use this site, you consent to the use of cookies. For more information on cookies, please take a look at our Privacy Policy. X
0.070413112640381