Part Number Hot Search : 
EN5365QI 210CTTP2 MSC23 SC220 P7200L MC1302 ADT5115T R65C21J1
Product Description
Full Text Search

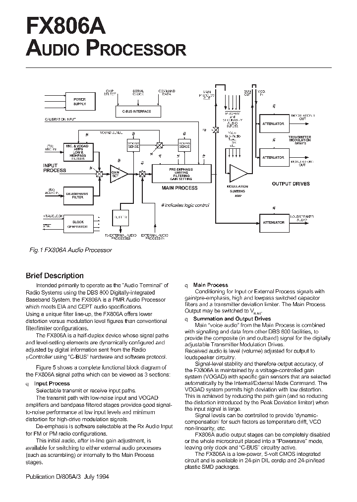
FX806A - PLMR Audio Processor

FX806A_8282771.PDF Datasheet

 
Part No. FX806A
Description PLMR Audio Processor

File Size 134.35K  /  12 Page  

Maker

CONSUMER MICROCIRCUITS LIMITED



JITONG TECHNOLOGY
(CHINA HK & SZ)
Datasheet.hk's Sponsor

Part: FX806ALG
Maker: CML
Pack: QFP
Stock: Reserved
Unit price for :
    50: $6.46
  100: $6.14
1000: $5.82

Email: oulindz@gmail.com

Contact us

Homepage
Download [ ]
[ FX806A Datasheet PDF Downlaod from Datasheet.HK ]
[FX806A Datasheet PDF Downlaod from Maxim4U.com ] :-)


[ View it Online ]   [ Search more for FX806A ]

[ Price & Availability of FX806A by FindChips.com ]

 Full text search : PLMR Audio Processor
 Product Description search : PLMR Audio Processor


 Related Part Number
PART Description Maker
TDA7429L TDA7429S TDA7429T DIGITALLY CONTROLLED AUDIO PROCESSOR WITH SURROUND SOUND MATRIX
3 BAND EQUALIZER AUDIO PROCESSOR WITH SUBWOOFER CONTROL
ST Microelectronics
STMicroelectronics
ADSST-MELODY-32 SST-MELODY-32 Melody 32 Audio Processor for High Volume Applications
ADSST-Melody-32: Melody32 Audio Processor Data Sheet (Rev. A. 7/02)
Analog Devices
BD3861FS Audio LSIs > Sound processor/Electronic volume > Sound processor for home audio
ROHM
BUW32 BUW32P BUW32APFI BUW32PFI Carradio signal processor
Digitally controlled audio processor
TRANSISTOR | BJT | PNP | 400V V(BR)CEO | 10A I(C) | TO-218
CAR RADIO SIGNAL PROCESSOR 晶体管|晶体管|进步党| 350V五(巴西)总裁| 10A条一(c)|18
MtronPTI
PCM-9586F-M0A1E PCM-9586F-S0A1E Intel庐 Celeron庐 M Processor 5.25" SBC with LAN/LVDS/Audio
Intel? Celeron? M Processor 5.25 SBC with LAN/LVDS/Audio
Advantech Co., Ltd.
PT2315E-S PT2315E10 Stereo Audio Processor for Home TV Audio
Princeton Technology Corp
BD3870FS Audio Sound Processor for home audio
Rohm
CS48DV2B09 CS48DV2A-CQZR CS48DV2A-DQZR CS48DV2B-CQ Mononuclear for Dolby Volume-Enabled 2-channel 32-bit fixed-function products, audio DSP
32-bit Audio DSP for Dedicated Dolby Volume and Audistry by Dolby
DSP - Audio I/C 12 Ch Audio Enhancement Processr DOLBY NOISE REDUCTION IC, PQFP48
DSP - Audio 12-Ch Audio Enhance Processor DOLBY NOISE REDUCTION IC, PQFP48
Cirrus Logic, Inc.
http://
BH7775K Video LSIs > VCR audio signal processor > Single chip Hi-Fi audio signal processing
ROHM
BH7800K Video LSIs > VCR audio signal processor > Single chip Hi-Fi audio signal processing
ROHM
 
 Related keyword From Full Text Search System
FX806A example commands FX806A vdd FX806A tdma modulator FX806A flash FX806A video monitor
FX806A download FX806A sanyo FX806A header FX806A Serie FX806A использование
 

 

Price & Availability of FX806A

All Rights Reserved © IC-ON-LINE 2003 - 2022  

[Add Bookmark] [Contact Us] [Link exchange] [Privacy policy]
Mirror Sites :  [www.datasheet.hk]   [www.maxim4u.com]  [www.ic-on-line.cn] [www.ic-on-line.com] [www.ic-on-line.net] [www.alldatasheet.com.cn] [www.gdcy.com]  [www.gdcy.net]


 . . . . .
  We use cookies to deliver the best possible web experience and assist with our advertising efforts. By continuing to use this site, you consent to the use of cookies. For more information on cookies, please take a look at our Privacy Policy. X
0.13876986503601