Part Number Hot Search : 
5J352 B1658 IRL8113L 080247 H5401 212DH 00MHZ ZG2100M
Product Description
Full Text Search

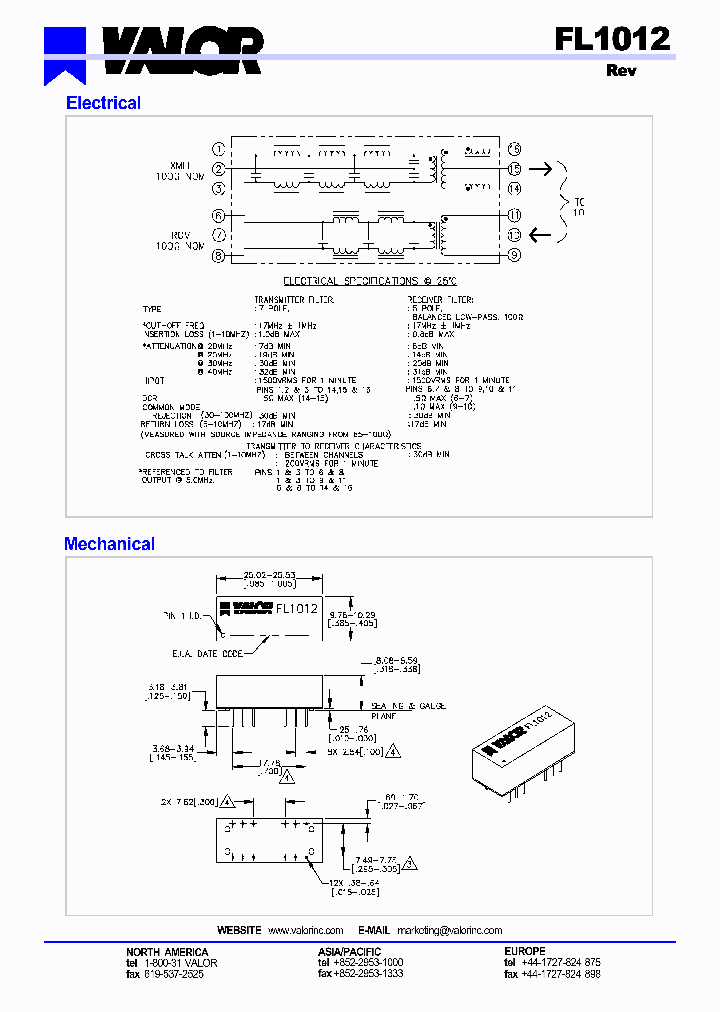
FL1012 - ELECTRICAL SPECIFICATIONS

FL1012_8079667.PDF Datasheet


 Full text search : ELECTRICAL SPECIFICATIONS
 Product Description search : ELECTRICAL SPECIFICATIONS


 Related Part Number
PART Description Maker
SM08473410 Electrical Specifications: Mechanical Specifications:
AMETHERM Circuit Protection Thermistors
SM06104450 Electrical Specifications: Mechanical Specifications:
AMETHERM Circuit Protection Thermistors
SM08223410 Electrical Specifications: Mechanical Specifications:
AMETHERM Circuit Protection Thermistors
SM08104410 Electrical Specifications: Mechanical Specifications:
AMETHERM Circuit Protection Thermistors
SM06503410 Electrical Specifications: Mechanical Specifications:
AMETHERM Circuit Protection Thermistors
PD-L1430P-B ELECTRICAL SPECIFICATIONS
PowerDynamics, Inc
749022015 ELECTRICAL SPECIFICATIONS
Wurth Elektronik GmbH & Co. KG, Germany.
ASA00B24-LS ASA00B48-LS ASA03F24-LS Electrical Specifications
Artesyn Technologies
S560-6600-FU ELECTRICAL SPECIFICATIONS
Bel Fuse Inc.
PD-L530P-B ELECTRICAL SPECIFICATIONS
PowerDynamics, Inc
MRF1001A ELECTRICAL SPECIFICATIONS (Tease - 25°C)
New Jersey Semi-Conduct...
 
 Related keyword From Full Text Search System
FL1012 Semiconductor FL1012 Nation FL1012 ghz FL1012 Test FL1012 Step
FL1012 Protect FL1012 prezzo baumer FL1012 Frequenc FL1012 varactor FL1012 analog devices
 

 

Price & Availability of FL1012

All Rights Reserved © IC-ON-LINE 2003 - 2022  

[Add Bookmark] [Contact Us] [Link exchange] [Privacy policy]
Mirror Sites :  [www.datasheet.hk]   [www.maxim4u.com]  [www.ic-on-line.cn] [www.ic-on-line.com] [www.ic-on-line.net] [www.alldatasheet.com.cn] [www.gdcy.com]  [www.gdcy.net]


 . . . . .
  We use cookies to deliver the best possible web experience and assist with our advertising efforts. By continuing to use this site, you consent to the use of cookies. For more information on cookies, please take a look at our Privacy Policy. X
0.47848081588745