Part Number Hot Search : 
74HC4316 2N3458 MSMLG18A SLOU003 KA2822BD 40N50 TYN625RG NJ450
Product Description
Full Text Search

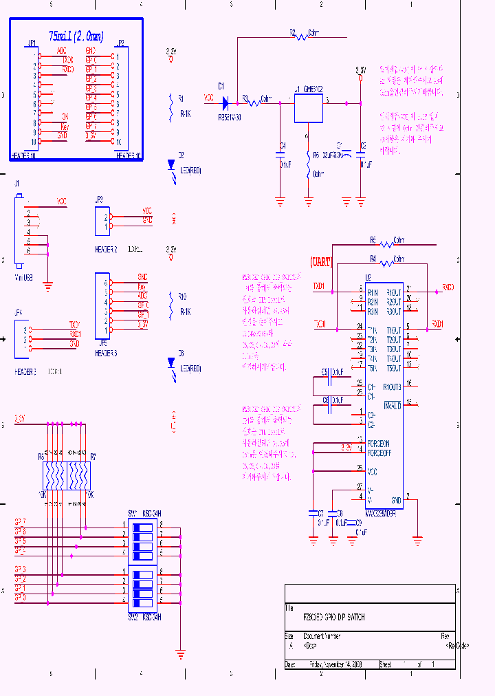
FZ800ED-GPIO-DIP-SWITCH - GPIO-DIP-SWITCH

FZ800ED-GPIO-DIP-SWITCH_7963404.PDF Datasheet


 Full text search : GPIO-DIP-SWITCH
 Product Description search : GPIO-DIP-SWITCH


 Related Part Number
PART Description Maker
204-2ST 204-3ST 204-4ST 204-5ST 204-7ST SWITCH DIP 2POS TOP SLIDE SMT SLIDE DIP SWITCH-2SWITCHES, SPST, LATCHED,0.05A, 24VDC, SURFACE MOUNT-STRAIGHT
SWITCH DIP 3POS TOP SLIDE SMT SLIDE DIP SWITCH-3SWITCHES, SPST, LATCHED,0.05A, 24VDC, SURFACE MOUNT-STRAIGHT
SWITCH DIP 4POS TOP SLIDE SMT SLIDE DIP SWITCH-4SWITCHES, SPST, LATCHED,0.05A, 24VDC, SURFACE MOUNT-STRAIGHT
SWITCH DIP 5POS TOP SLIDE SMT SLIDE DIP SWITCH-5SWITCHES, SPST, LATCHED,0.05A, 24VDC, SURFACE MOUNT-STRAIGHT
SWITCH DIP 7POS TOP SLIDE SMT SLIDE DIP SWITCH-7SWITCHES, SPST, LATCHED,0.05A, 24VDC, SURFACE MOUNT-STRAIGHT
CTS, Corp.
CTS CORP
BGS18GA14 SP8T Diversity Antenna Switch with GPIO Interface
Infineon Technologies A...
BGSF110GN26 Antenna Switch Module with integrated GPIO interface
Infineon Technologies A...
76PSB12ST 76RSB03ST 76RSB06ST 76PSB07ST 76RSB04ST SPST Rocker DIP Switches PIANO DIP SWITCH-12SWITCHES, SPST, MOMENTARY,0.15A, 30VDC, THROUGH HOLE-STRAIGHT
SPST Rocker DIP Switches SLIDE DIP SWITCH-3SWITCHES, SPST, LATCHED,0.15A, 30VDC, THROUGH HOLE-STRAIGHT
SPST Rocker DIP Switches SLIDE DIP SWITCH-6SWITCHES, SPST, LATCHED,0.15A, 30VDC, THROUGH HOLE-STRAIGHT
Raised and Recessed, Rocker and PIANO-DIP Styles
Raised and Recessed, Rocker and PIANO-DIP? Styles
PIANO DIP SWITCH-9SWITCHES, SPST, MOMENTARY,0.15A, 30VDC, THROUGH HOLE-STRAIGHT
Grayhill, Inc.
GRAYHILL INC
SDA08H0B SDA08H0BD SDA08H0SB SDA10H1SBD SDA10H0B S Low Profile DIP Switches
SLIDE DIP SWITCH-3SWITCHES, SPST, LATCHED,0.1A, 50VDC, THROUGH HOLE-STRAIGHT
C&K Components
C & K COMPONENTS INC
FSBH0F70A10 FSBH0170A FSBH0170NY FSBH0370NY FAIRCH 2A/700V 100kHz Power Switch
1A/700V 100kHz Power Switch; Package: 8-DIP; Container: Rail
3A/700V 100kHz Power Switch; Package: 8-DIP; Container: Rail 1.3 A SWITCHING CONTROLLER, 106 kHz SWITCHING FREQ-MAX, PDIP8
Green Mode Fairchild Power Switch
FAIRCHILD SEMICONDUCTOR CORP
Fairchild Semiconductor, Corp.
76SD01T DPDT DIP Switches SLIDE DIP SWITCH-1SWITCHES, DPDT, LATCHED,0.15A, 30VDC, THROUGH HOLE-STRAIGHT
Grayhill, Inc.
76RSB04S 76PRB05S PIANO DIP SWITCH-5SWITCHES, SPST, MOMENTARY,THROUGH HOLE-STRAIGHT
Thru-Hole DIP Switches
GRAYHILL INC
N.A.
ETC[ETC]
List of Unclassifed Manufacturers
1-1825059-8 DIP, Rotary DIP, SIP Switches and DIP Shunts - Standard; ADF04STTR04=DIP S,FLUSH,SMT-GW ( Tyco Electronics )
Tyco Electronics
SX1509QBIULTRT SX1508QBIULTRT SX1507QB SX1507QBXXX World’s Lowest Voltage Level Shifting GPIO with LED Driver and Keypad Engine
World’s Lowest Voltage Level Shifting GPIO ADVANCED COMMUNICATIONS & SENSING
Semtech Corporation
 
 Related keyword From Full Text Search System
FZ800ED-GPIO-DIP-SWITCH Step FZ800ED-GPIO-DIP-SWITCH Resistor FZ800ED-GPIO-DIP-SWITCH Serial FZ800ED-GPIO-DIP-SWITCH Register FZ800ED-GPIO-DIP-SWITCH quad
FZ800ED-GPIO-DIP-SWITCH 替换表 FZ800ED-GPIO-DIP-SWITCH Module FZ800ED-GPIO-DIP-SWITCH micro FZ800ED-GPIO-DIP-SWITCH capacitors FZ800ED-GPIO-DIP-SWITCH 资料
 

 

Price & Availability of FZ800ED-GPIO-DIP-SWITCH

All Rights Reserved © IC-ON-LINE 2003 - 2022  

[Add Bookmark] [Contact Us] [Link exchange] [Privacy policy]
Mirror Sites :  [www.datasheet.hk]   [www.maxim4u.com]  [www.ic-on-line.cn] [www.ic-on-line.com] [www.ic-on-line.net] [www.alldatasheet.com.cn] [www.gdcy.com]  [www.gdcy.net]


 . . . . .
  We use cookies to deliver the best possible web experience and assist with our advertising efforts. By continuing to use this site, you consent to the use of cookies. For more information on cookies, please take a look at our Privacy Policy. X
0.59842109680176