Part Number Hot Search : 
SMAJ4464 V24B12T MTEZ515D DT74C C4400 RC288ACA MC1451 AAMDA
Product Description
Full Text Search

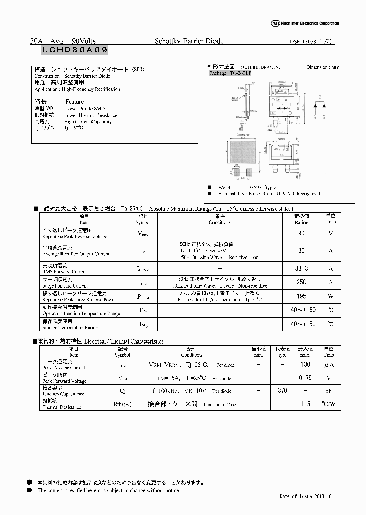
UCHD30A09 - Scokkty Barrier Diode

UCHD30A09_7901033.PDF Datasheet


 Full text search : Scokkty Barrier Diode
 Product Description search : Scokkty Barrier Diode


 Related Part Number
PART Description Maker
TCQ10A06    Scokkty Barrier Diode
Nihon Inter Electronics...
SB05-18M Schottky Barrier Diode 180V, 500mA Rectifier
Shottky Barrier Diode
Sanyo Semiconductor
KDR720S Schottky Barrier Diode
SCHOTTKY BARRIER TYPE DIODE(FOR HIGH SPEED SWITCHING CIRCUIT, FOR SMALL CURRENT RECTIFICATION)
Korea Electronics (KEC)
KEC[KEC(Korea Electronics)]
5082-2271 50822271 SCHOTTKY BARRIER DUAL DIODE SILICON, LOW BARRIER SCHOTTKY, S BAND, MIXER DIODE
From old datasheet system
Advanced Semiconductor, Inc.
ASI[Advanced Semiconductor]
KDR357 Schottky Barrier Diode
SCHOTTKY BARRIER TYPE DIODE(LOW VOLTAGE HIGH SPEED SWITCHING)
Korea Electronics (KEC)
KEC[KEC(Korea Electronics)]
KDR368E Schottky Barrier Diode
SCHOTTKY BARRIER TYPE DIODE(LOW VOLTAGE HIGH SPEED SWITCHING)
Korea Electronics (KEC)
KEC[KEC(Korea Electronics)]
KDR367E Schottky Barrier Diode
SCHOTTKY BARRIER TYPE DIODE(LOW VOLTAGE HIGH SPEED SWITCHING)
Korea Electronics (KEC)
KEC[KEC(Korea Electronics)]
KDR393 Schottky Barrier Diode
SCHOTTKY BARRIER TYPE DIODE(LOW VOLTAGE HIGH SPEED SWITCHING)
Korea Electronics (KEC)
KEC[KEC(Korea Electronics)]
KEC Holdings
FMB-2306 30A Schottky barrier diode in TO220F package
Schottky Barrier Diode - 60V
Sanken Electric Co.,Ltd.
SANKEN[Sanken electric]
5082-2351 50822351 MEDIUM BARRIER SCHOTTKY DIODE SILICON, MEDIUM BARRIER SCHOTTKY, VHF-UHF BAND, MIXER DIODE
From old datasheet system
Advanced Semiconductor, Inc.
SB30-45-25 SB30-40-258RM SB30-40-258M SB30-40-258A Dual Schottky Barrier Diode In TO258 Metal Package For HI-REL Application(Common Anode)(双肖特基势垒二极HI-REL应用,TO258金属封装,共阳极连) 双肖特基二极管在TO258金属封装,高可靠性的应用(共阳极)(双肖特基势垒二极管(高可靠性应用,TO258金属封装,共阳极连接))
DUAL SCHOTTKY BARRIER DIODE IN TO258 METAL PACKAGE FOR HI-REL APPLICATIONS 30 A, 40 V, SILICON, RECTIFIER DIODE, TO-258AA
Dual Schottky Barrier Diode In TO258 Metal Package For HI-REL Application(Series Connection)(双肖特基势垒二极HI-REL应用,TO258金属封装,串行连接))
Dual Schottky Barrier Diode In TO258 Metal Package For HI-REL Application(Common Cathode)(双肖特基势垒二极HI-REL应用,TO258金属封装,共阴极连)
SEMELAB LTD
TT electronics Semelab, Ltd.
TT electronics Semelab Limited
Semelab(Magnatec)
SEME-LAB[Seme LAB]
CD214A-B40 CD214A-B40L CD214A-B220 CD214A-B30 CD21 Schottky Barrier Diodes 2A, VR=60V 2 A, 60 V, SILICON, RECTIFIER DIODE, DO-214AC
Schottky Barrier Rectifier Chip Diode
Bourns, Inc.
BOURNS[Bourns Electronic Solutions]
 
 Related keyword From Full Text Search System
UCHD30A09 configuration UCHD30A09 products UCHD30A09 molex UCHD30A09 temperature UCHD30A09 wire
UCHD30A09 ic marking UCHD30A09 Source UCHD30A09 device UCHD30A09 vdd UCHD30A09 ohm
 

 

Price & Availability of UCHD30A09

All Rights Reserved © IC-ON-LINE 2003 - 2022  

[Add Bookmark] [Contact Us] [Link exchange] [Privacy policy]
Mirror Sites :  [www.datasheet.hk]   [www.maxim4u.com]  [www.ic-on-line.cn] [www.ic-on-line.com] [www.ic-on-line.net] [www.alldatasheet.com.cn] [www.gdcy.com]  [www.gdcy.net]


 . . . . .
  We use cookies to deliver the best possible web experience and assist with our advertising efforts. By continuing to use this site, you consent to the use of cookies. For more information on cookies, please take a look at our Privacy Policy. X
0.050956964492798