Part Number Hot Search : 
1N6293A 10101 2SJ522 20025T P2779A 68745L UPA1552 TSV32107
Product Description
Full Text Search

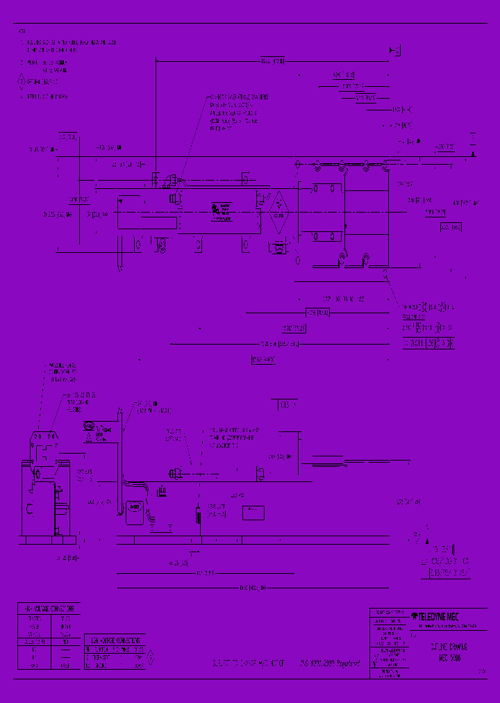
MEC5096-D - TWTs, Continuous Wave

MEC5096-D_7915189.PDF Datasheet


 Full text search : TWTs, Continuous Wave
 Product Description search : TWTs, Continuous Wave


 Related Part Number
PART Description Maker
MTD5119-D TWTs, Continuous Wave
Teledyne Technologies Incor...
MEC5416 TWTs, Continuous Wave
Teledyne Technologies I...
MEC5421-D TWTs, Continuous Wave
Teledyne Technologies I...
MTG5082H-D TWTs, Continuous Wave
Teledyne Technologies I...
MEC5296 TWTs, Continuous Wave
Teledyne Technologies Incorporated
MEC5208-D TWTs, Continuous Wave
Teledyne Technologies Incorporated
MEC5203-D TWTs, Continuous Wave
Teledyne Technologies Incorporated
M5670NO MEC5670 TWTs, Continuous Wave
Teledyne Technologies Incorporated
Teledyne Technologies I...
DGB9335 DGB9344 DGB9345 DGB8544 DGB8514 DGB8164 DG 12.4 GHz - 18 GHz, GALLIUM ARSENIDE, CONTINUOUS WAVE GUNN DIODE
18 GHz - 26.5 GHz, GALLIUM ARSENIDE, CONTINUOUS WAVE GUNN DIODE
5 GHz - 8.2 GHz, GALLIUM ARSENIDE, CONTINUOUS WAVE GUNN DIODE
40 GHz - 60 GHz, GALLIUM ARSENIDE, CONTINUOUS WAVE GUNN DIODE
8.2 GHz - 12.4 GHz, GALLIUM ARSENIDE, CONTINUOUS WAVE GUNN DIODE
SKYWORKS SOLUTIONS INC
TB6539F TB6539N TB6539NG TB6539FG 3-Phase Full-Wave Sine-Wave PWM Brushless Motor Control
TOSHIBA[Toshiba Semiconductor]
 
 Related keyword From Full Text Search System
MEC5096-D MEC5096-D memory MEC5096-D Operation MEC5096-D 替换的 MEC5096-D intersil
MEC5096-D applications MEC5096-D download MEC5096-D example commands MEC5096-D Memory MEC5096-D Bit
 

 

Price & Availability of MEC5096-D

All Rights Reserved © IC-ON-LINE 2003 - 2022  

[Add Bookmark] [Contact Us] [Link exchange] [Privacy policy]
Mirror Sites :  [www.datasheet.hk]   [www.maxim4u.com]  [www.ic-on-line.cn] [www.ic-on-line.com] [www.ic-on-line.net] [www.alldatasheet.com.cn] [www.gdcy.com]  [www.gdcy.net]


 . . . . .
  We use cookies to deliver the best possible web experience and assist with our advertising efforts. By continuing to use this site, you consent to the use of cookies. For more information on cookies, please take a look at our Privacy Policy. X
0.24550819396973