Part Number Hot Search : 
SH7201 74LVC2 CSOD4003 CXA1522 236005 ZL380 XFATM2B NTE74C73
Product Description
Full Text Search

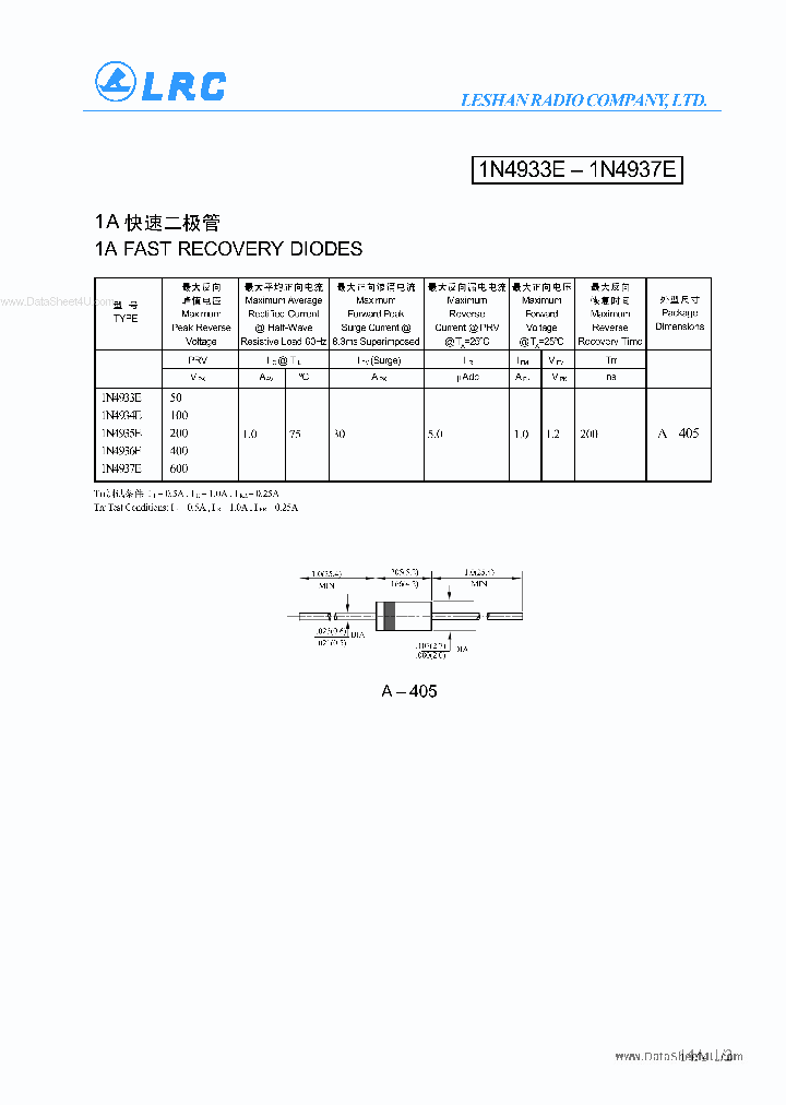
IN4936E - (IN4933E - IN4937E) 1A FAST RECOVERY DIODES

IN4936E_7779309.PDF Datasheet


 Full text search : (IN4933E - IN4937E) 1A FAST RECOVERY DIODES
 Product Description search : (IN4933E - IN4937E) 1A FAST RECOVERY DIODES


 Related Part Number
PART Description Maker
1N4933G2 1N4935 1N4935G-T 1N4936G-T 1N4933G-T 1N49 1.0A FAST RECOVERY GLASS PASSIVATED RECTIFIER
Fast / Super-Fast / Ultra-Fast Recovery Rectifiers
Diodes Incorporated
SF20AG SF20JG Fast / Super-Fast / Ultra-Fast Recovery Rectifiers
Diodes
AD5240 AD5240KD AD5240SD ADADC84 ADADC84-10 ADADC8 Fast, Complete 10-Bit A/D Converters
FAST, COMPLETE 12-BIT A/D CONVERTERS 2-CH 12-BIT SUCCESSIVE APPROXIMATION ADC, PARALLEL ACCESS, CDIP32
16 Characters x 2 Lines, 5x7 Dot Matrix Character and Cursor
FAST/ COMPLETE 12-BIT A/D CONVERTERS
Fast,Complete 12 Bit A/D Converter(快完备2位A/D转换
Analog Devices, Inc.
AD[Analog Devices]
OM100Q05CB OM100Q80XX OM100Q05DB OM100Q05RB OM100Q 50 A, SILICON, RECTIFIER DIODE
600V 100A Hi-Rel Ultra-Fast Common Cathode Diode in a PB-3A package
300V 100A Hi-Rel Ultra-Fast Common Cathode Diode in a PB-3A package
700V 100A Hi-Rel Ultra-Fast Common Cathode Diode in a PB-3A package
500V 100A Hi-Rel Ultra-Fast Common Cathode Diode in a PB-3A package
400V 100A Hi-Rel Ultra-Fast Common Cathode Diode in a PB-3A package
200V 100A Hi-Rel Ultra-Fast Common Cathode Diode in a PB-3A package
150V 100A Hi-Rel Ultra-Fast Common Cathode Diode in a PB-3A package
100V 100A Hi-Rel Ultra-Fast Common Cathode Diode in a PB-3A package
800V 100A Hi-Rel Ultra-Fast Common Cathode Diode in a PB-3A package
100 AMP ULTRA FAST CENTER-TAP IN HERMETIC ISOLATED POWER BLOCK PACKAGE
International Rectifier
ETC[ETC]
N.A.
Electronic Theatre Controls, Inc.
List of Unclassifed Manufacturers
http://
PDU620CT-13 PDU620CT PDU620CT1 PDU620CT-15 Discrete - Rectifiers (0.5A and higher) - Fast / Super-Fast / Ultra-Fast Recovery Rectifiers
6A DUAL ULTRA-FAST RECOVERY RECTIFIER
6A DUAL ULTRA-FAST RECOVERY RECTIFIER PowerDI 5
Diodes Incorporated
UPD4382322GF-A67 UPD4382362GF-A67 UPD4382162GF-A75 x32 Fast Synchronous SRAM
x16 Fast Synchronous SRAM
x18 Fast Synchronous SRAM
x36 Fast Synchronous SRAM x36快速同步SRAM
Lumex, Inc.
F1T7G F1T1G F1T2G F1T3G F1T4G F1T5G F1T6G Rectifier: Fast
1.0 AMP. Glass Passivated Fast Recovery Rectifiers
TSC[Taiwan Semiconductor Company, Ltd]
BAV21W 200mW SMD Fast Switch Diode Fast Switching Speed
First Components Intern...
SKP06N6007 SKA06N60 Fast IGBT in NPT-technology with soft, fast recovery anti-parallel EmCon diode
Infineon Technologies AG
Infineon Technologies A...
SKW25N120 Fast IGBT in NPT-technology with soft, fast recovery anti-parallel EmCon diode
INFINEON[Infineon Technologies AG]
 
 Related keyword From Full Text Search System
IN4936E level converter IN4936E audio IN4936E terminal IN4936E huck IN4936E dual
IN4936E rohm IN4936E Data IN4936E usb-hs otg IN4936E Serial IN4936E panasonic
 

 

Price & Availability of IN4936E

All Rights Reserved © IC-ON-LINE 2003 - 2022  

[Add Bookmark] [Contact Us] [Link exchange] [Privacy policy]
Mirror Sites :  [www.datasheet.hk]   [www.maxim4u.com]  [www.ic-on-line.cn] [www.ic-on-line.com] [www.ic-on-line.net] [www.alldatasheet.com.cn] [www.gdcy.com]  [www.gdcy.net]


 . . . . .
  We use cookies to deliver the best possible web experience and assist with our advertising efforts. By continuing to use this site, you consent to the use of cookies. For more information on cookies, please take a look at our Privacy Policy. X
0.07899808883667