Part Number Hot Search : 
STP7NB80 EA09889 235001P 76M00 ZY22V GXXCA1 BF968 3225X
Product Description
Full Text Search

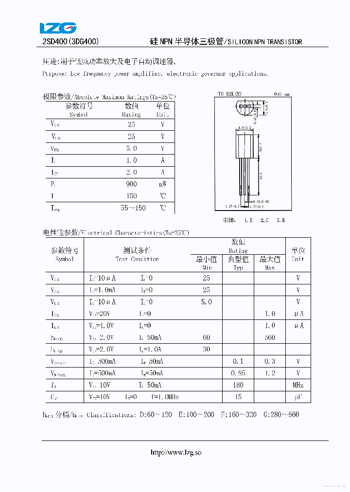
2SD400 - SILICON NPN TRANSISTOR

2SD400_7754807.PDF Datasheet

 
Part No. 2SD400
Description SILICON NPN TRANSISTOR

File Size 280.69K  /  2 Page  

Maker

LZG



JITONG TECHNOLOGY
(CHINA HK & SZ)
Datasheet.hk's Sponsor

Part: 2SD400
Maker: TOSHIBA(东芝)
Pack: TO3P
Stock: 462
Unit price for :
    50: $0.06
  100: $0.06
1000: $0.06

Email: oulindz@gmail.com

Contact us

Homepage
Download [ ]
[ 2SD400 Datasheet PDF Downlaod from Datasheet.HK ]
[2SD400 Datasheet PDF Downlaod from Maxim4U.com ] :-)


[ View it Online ]   [ Search more for 2SD400 ]

[ Price & Availability of 2SD400 by FindChips.com ]

 Full text search : SILICON NPN TRANSISTOR
 Product Description search : SILICON NPN TRANSISTOR


 Related Part Number
PART Description Maker
FCX688B FCX688BTA TRANSISTOR NPN 12V 3000MA SOT-89 3000 mA, 12 V, NPN, Si, SMALL SIGNAL TRANSISTOR
NPN SILICON POWER (SWITCHING) TRANSISTOR
Zetex Semiconductor PLC
Zetex Semiconductors
2SD414 2SD415 2SB548 2SB549 2SD414Q 2SD414Q-AZ 800 mA, 80 V, NPN, Si, SMALL SIGNAL TRANSISTOR
PNP/NPN SILICON EPITAXIAL TRANSISTOR FOR LOW-FREQUENCY POWER AMPLIFIERS
(2SB548) PNP/NPN Silicon Epitaxial Transistor
NEC[NEC]
FJPF13007H2TTU FJPF13007TU NPN Silicon Transistor 8 A, 400 V, NPN, Si, POWER TRANSISTOR, TO-220AB
NPN Silicon Transistor; Package: TO-220F; No of Pins: 3; Container: Rail 8 A, 400 V, NPN, Si, POWER TRANSISTOR, TO-220AB
Fairchild Semiconductor, Corp.
2SC4517 2SC4517A 2SC3832 Silicon NPN Triple Diffused Planar Transistor(High Voltage Switching Transistor)(硅NPN三倍扩散平面晶体管(高压开关晶体管 3 A, 550 V, NPN, Si, POWER TRANSISTOR, TO-220AB
Silicon NPN Triple Diffused Planar Transistor(Switching Regulator and General Purpose)
Sanken Electric Co., Ltd.
SANKEN[Sanken electric]
2SC3832 Silicon NPN Transistor
Silicon NPN Triple Diffused Planar Transistor(Switching Regulator and General Purpose)
Silicon NPN Triple Diffused Planar Transistor(High Voltage And High Speed Switching Transistor)(硅NPN三倍扩散平面晶体管(高压和高速开关晶体管
Sanken Electric Co.,Ltd.
FZT1051A NPN Low Sat Transistor
NPN SILICON PLANAR MEDIUM POWER HIGH GAIN TRANSISTOR
SOT223 NPN SILICON PLANAR
Zetex Semiconductors
Diodes Incorporated
BD159 BD157 BD158 BD157STU BD158STU BD159STU Low Power Fast Switching Output Stages
NPN Epitxial Silicon Transistor
NPN Epitaxial Silicon Transistor
Fairchild Semiconductor Corporation
FAIRCHILD[Fairchild Semiconductor]
2SC4130 Silicon NPN Transistor
Silicon NPN Epitaxial Planar Transistor(Switching Regulator and General Purpose)
SANKEN[Sanken electric]
BC639L34Z BC639D74Z NPN Epitaxial Silicon Transistor 1000 mA, 80 V, NPN, Si, SMALL SIGNAL TRANSISTOR, TO-92
NPN Epitaxial Silicon Transistor; Package: TO-92; No of Pins: 3; Container: Ammo 1000 mA, 80 V, NPN, Si, SMALL SIGNAL TRANSISTOR, TO-92
Fairchild Semiconductor, Corp.
JANS2N3700S JANTXV2N3057A JANTX2N3057A JANS2N3057A    LOW POWER NPN SILICON TRANSISTOR
LOW POWER NPN SILICON TRANSISTOR 1000 mA, 80 V, NPN, Si, SMALL SIGNAL TRANSISTOR, TO-205AD
NPN Transistor
Microsemi, Corp.
MICROSEMI[Microsemi Corporation]
 
 Related keyword From Full Text Search System
2SD400 Pin 2SD400 Pass 2SD400 Purpose 2SD400 semicon 2SD400 Clock
2SD400 Technique 2SD400 voltage 2SD400 技术参数 2SD400 appreciate 2SD400 Fairchild
 

 

Price & Availability of 2SD400

All Rights Reserved © IC-ON-LINE 2003 - 2022  

[Add Bookmark] [Contact Us] [Link exchange] [Privacy policy]
Mirror Sites :  [www.datasheet.hk]   [www.maxim4u.com]  [www.ic-on-line.cn] [www.ic-on-line.com] [www.ic-on-line.net] [www.alldatasheet.com.cn] [www.gdcy.com]  [www.gdcy.net]


 . . . . .
  We use cookies to deliver the best possible web experience and assist with our advertising efforts. By continuing to use this site, you consent to the use of cookies. For more information on cookies, please take a look at our Privacy Policy. X
0.52437114715576