Part Number Hot Search : 
F5Y954 AM7334N SDS20F A162D 5R105 DDAXXXXU YD78LXX APW7047
Product Description
Full Text Search

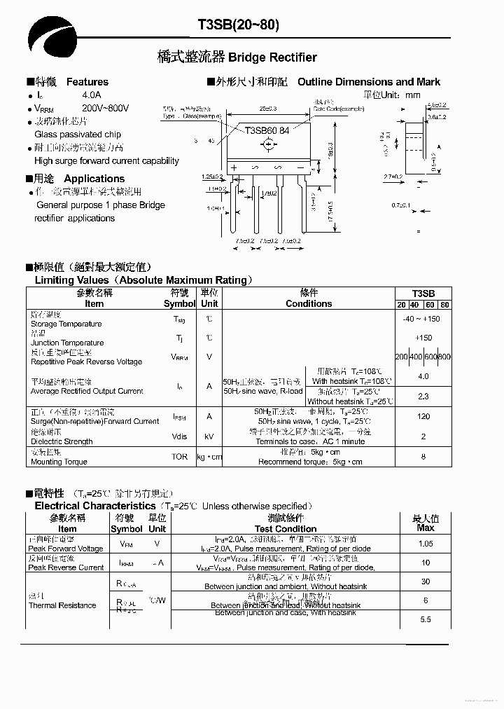
T3SB20 - Bridge Rectifier

T3SB20_7746598.PDF Datasheet


 Full text search : Bridge Rectifier
 Product Description search : Bridge Rectifier


 Related Part Number
PART Description Maker
DB107-BP DB105-BP DB101-BP DB104-BP RECTIFIER BRIDGE 1A 1000V DB-1 1 A, 1000 V, SILICON, BRIDGE RECTIFIER DIODE
RECTIFIER BRIDGE 1A 600V DB-1 1 A, 600 V, SILICON, BRIDGE RECTIFIER DIODE
RECTIFIER BRIDGE 1A 50V DB-1 1 A, 50 V, SILICON, BRIDGE RECTIFIER DIODE
RECTIFIER BRIDGE 1A 400V DB-1
Micro Commercial Components, Corp.
RB154-BP RB15108 RB152-BP RB156-BP RB155-BP RB153- 1.5 Amp Single Phase Bridge Rectifier 50 to 1000 Volts
RECTIFIER BRIDGE 1.5A 200V RB-15 1.5 A, 200 V, SILICON, BRIDGE RECTIFIER DIODE
天津环球磁卡股份有限公司
Micro Commercial Components, Corp.
MB108-BP MB101-BP RECTIFIER BRIDGE 10A 800V BR-6 10 A, 800 V, SILICON, BRIDGE RECTIFIER DIODE
RECTIFIER BRIDGE 10A 100V BR-6 10 A, 100 V, SILICON, BRIDGE RECTIFIER DIODE
Micro Commercial Components, Corp.
MB3505-BC01 MB351-BC01 MB352-BC01 MB354-BC01 MB356 35A, 600V ultra fast recovery rectifier
35 Amp Single Phase Bridge Rectifier 50 to 1000 Volts 35 A, 50 V, SILICON, BRIDGE RECTIFIER DIODE
35 Amp Single Phase Bridge Rectifier 50 to 1000 Volts 35 A, 1000 V, SILICON, BRIDGE RECTIFIER DIODE
35 Amp Single Phase Bridge Rectifier 50 to 1000 Volts 35 A, 400 V, SILICON, BRIDGE RECTIFIER DIODE
35 Amp Single Phase Bridge Rectifier 50 to 1000 Volts 35 A, 100 V, SILICON, BRIDGE RECTIFIER DIODE
MCC[Micro Commercial Components]
Micro Commercial Components Corp.
Micro Commercial Components, Corp.
DF005S DF005M DF10S DF01M DF01S DF02M DF02S DF04M 1000V Bridge in a D-71 package
800V Bridge in a D-71 package
400V Bridge in a D-71 package
200V Bridge in a D-71 package
100V Bridge in a D-71 package
50V Bridge in a D-71 package
600V Bridge in a D-71 package
1A Single Phase D.I.L. Rectifier Bridge (1.0A, from 50 to 1000V)
IRF[International Rectifier]
VKO55-14IO7 VKO55-16IO7 VKO55-12IO7 VGO55-08IO7 VG Single Phase Rectifier Bridge 41 A, 1600 V, SCR
Single Phase Rectifier Bridge 41 A, 1400 V, SCR
Single Phase Rectifier Bridge 41 A, 1200 V, SCR
Single Phase Rectifier Bridge 41 A, 800 V, SCR
Power Modules/Rectifier Bridge Modules: Single Phase Half-control Bridges / Single Phase, Full-control Rectifier Bridges
IXYS, Corp.
IXYS[IXYS Corporation]
CBR1F-D100S CBR1F-D020S CBR1F-D040S CBR1F-D060S CB SMD Bridge Rectifier Fast Recovery
1.0 AMP DUAL IN LINE FAST RECOVERY SILICON BRIDGE RECTIFIER 1 A, 1000 V, SILICON, BRIDGE RECTIFIER DIODE
1.0 AMP DUAL IN LINE FAST RECOVERY SILICON BRIDGE RECTIFIER 1 A, 600 V, SILICON, BRIDGE RECTIFIER DIODE
1 A, 800 V, SILICON, BRIDGE RECTIFIER DIODE
CENTRAL[Central Semiconductor Corp]
Central Semiconductor Corp.
Central Semiconductor, Corp.
GSIB1510 GSIB15100 GSIB1520 GSIB1540 GSIB1560 GSIB Bridge rectifier Pack: GSIB-5S
SINGLE PHASE GLASS PASSIVATED BRIDGE RECTIFIER Voltage: 50 to 1000V Current: 15.0A
Gulf Semiconductor
GSIB405 GSIB410 GSIB4100 GSIB420 GSIB440 GSIB460 G Bridge rectifier Pack: GSIB-3S
SINGLE PHASE GLASS PASSIVATED BRIDGE RECTIFIER Voltage: 50 to 1000V Current: 4.0A
Gulf Semiconductor
GSIB4A05 GSIB4A10 GSIB4A100 GSIB4A20 GSIB4A40 GSIB Bridge rectifier Pack: GSIB-3S
SINGLE PHASE GLASS PASSIVATED BRIDGE RECTIFIER Voltage: 50 to 1000V Current: 4.0A
Gulf Semiconductor
 
 Related keyword From Full Text Search System
T3SB20 Fairchild T3SB20 mosfet T3SB20 ac/dc eurocard T3SB20 dual T3SB20 filtran xfmr
T3SB20 filetype:pdf T3SB20 asm encoder T3SB20 Reference T3SB20 corporation T3SB20 transient design
 

 

Price & Availability of T3SB20

All Rights Reserved © IC-ON-LINE 2003 - 2022  

[Add Bookmark] [Contact Us] [Link exchange] [Privacy policy]
Mirror Sites :  [www.datasheet.hk]   [www.maxim4u.com]  [www.ic-on-line.cn] [www.ic-on-line.com] [www.ic-on-line.net] [www.alldatasheet.com.cn] [www.gdcy.com]  [www.gdcy.net]


 . . . . .
  We use cookies to deliver the best possible web experience and assist with our advertising efforts. By continuing to use this site, you consent to the use of cookies. For more information on cookies, please take a look at our Privacy Policy. X
0.039884805679321