Part Number Hot Search : 
AM685DL BF585 TC20V 2N5154L AEV04A24 SA15AG 300K1 SA9102F
Product Description
Full Text Search

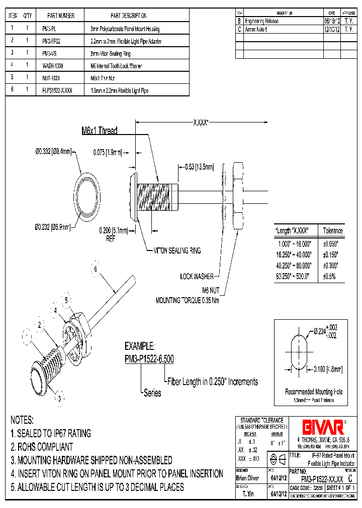
PM3-P1522 - IP-67 RATED PAANEL MOUNT FLEXLBLE LIGHT PLPE INDICATOR

PM3-P1522_7767244.PDF Datasheet


 Full text search : IP-67 RATED PAANEL MOUNT FLEXLBLE LIGHT PLPE INDICATOR
 Product Description search : IP-67 RATED PAANEL MOUNT FLEXLBLE LIGHT PLPE INDICATOR


 Related Part Number
PART Description Maker
951CXP825K-SF-F AC Rated, Round Axial Leaded, UL 810 Fail Safe, Rated 10,000 AFCLMax.
Cornell Dubilier Electr...
B84142-B8-R B84142-B12-R B84142-B16-R Power line filters for single-phase systems Rated voltage 250 V~, 50/60 Hz Rated current 8 A to 25 A
EPCOS[EPCOS]
B84110-B-A14 Power line filter for single-phase systems Rated voltage 250 V~, 50/60 Hz Rated current 1,4 A
EPCOS AG
B84142-A50-R B84142-A40-R B84142-A10-R B84142-A30- Power line filters for single-phase systems Rated voltage 250 V~, 50/60 Hz Rated current 10 to 60 A
EPCOS AG
B82482-A3601-A B82482-A3 B82482-A3102-A B82482-A31 Rated impedance 60 to 1000 W Rated current 0,05 to 1 A
EPCOS[EPCOS]
W171DIP-4 117SIP, 107DIP, 171DIP PCB Mount Miniature Reed Relays/SPDT and SPST 0.5 Amp Rated
List of Unclassifed Man...
B84110A B84110A0000A005 B84110A0000A010 B84110A000 EMC filters
Power line filters for 1-phase systems Rated voltage 250 V DC/AC, 50/60 Hz Rated current 0.5 to 6 A
EPCOS[EPCOS]
BUZ111 BUZ111S Q67040-S4003-A2 High Speed CMOS Logic 7-Stage Binary Ripple Counter 14-TSSOP -55 to 125
SIPMOS Power Transistor (N channel Enhancement mode Avalanche-rated dv/dt rated)
From old datasheet system
SIEMENS AG
SIEMENS[Siemens Semiconductor Group]
 
 Related keyword From Full Text Search System
PM3-P1522 price PM3-P1522 GaAs Hall Device PM3-P1522 synchronous PM3-P1522 替换的 PM3-P1522 suply voltase IC
PM3-P1522 Characteristic PM3-P1522 Data sheet PM3-P1522 Memory PM3-P1522 equivalent ic PM3-P1522 advantech pdf
 

 

Price & Availability of PM3-P1522

All Rights Reserved © IC-ON-LINE 2003 - 2022  

[Add Bookmark] [Contact Us] [Link exchange] [Privacy policy]
Mirror Sites :  [www.datasheet.hk]   [www.maxim4u.com]  [www.ic-on-line.cn] [www.ic-on-line.com] [www.ic-on-line.net] [www.alldatasheet.com.cn] [www.gdcy.com]  [www.gdcy.net]


 . . . . .
  We use cookies to deliver the best possible web experience and assist with our advertising efforts. By continuing to use this site, you consent to the use of cookies. For more information on cookies, please take a look at our Privacy Policy. X
0.31248712539673