Part Number Hot Search : 
SM5032D SP8481JS JC100B1 SCLS184C 1B30BN IM03DGR EL2150CW ADC0308
Product Description
Full Text Search

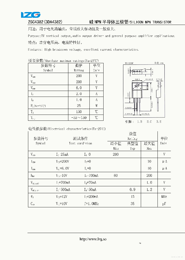
3DA4382 - SILICON NPN TRANSISTOR

3DA4382_7736524.PDF Datasheet


 Full text search : SILICON NPN TRANSISTOR
 Product Description search : SILICON NPN TRANSISTOR


 Related Part Number
PART Description Maker
2SD414 2SD415 2SB548 2SB549 2SD414Q 2SD414Q-AZ 800 mA, 80 V, NPN, Si, SMALL SIGNAL TRANSISTOR
PNP/NPN SILICON EPITAXIAL TRANSISTOR FOR LOW-FREQUENCY POWER AMPLIFIERS
(2SB548) PNP/NPN Silicon Epitaxial Transistor
NEC[NEC]
2SC4900 Silicon NPN Transistor
Silicon NPN Epitaxial
UHF BAND, Si, NPN, RF SMALL SIGNAL TRANSISTOR
Hitachi,Ltd.
HITACHI[Hitachi Semiconductor]
2SD1692 2SD1692L 2SD1692K NPN SILICON DARLINGTON TRANSISTOR
From old datasheet system
NPN SILICON POWER TRANSISTOR
Low-Power, Single/Dual-Level Battery Monitors with Hysteresis
TRANSISTOR | BJT | DARLINGTON | NPN | 100V V(BR)CEO | 3A I(C) | TO-126 晶体管|晶体管|达林顿|叩| 100V的五(巴西)总裁| 3A条一(c)|26
NEC Corp.
NEC, Corp.
MHQ6001 MHQ6002 MPQ918 MHQ4002A MHQ4013 MHQ4014 MP NPN silicon quad memory driver transistor.
6367254 MOTOROLA SC (XSTRS/R F)
NPN silicon quad amplifier transistor.
PNP silicon quad transistor.
http://
MOTOROLA[Motorola, Inc]
KSC1623LMTF KSC1623GMTFNL KSC1623O NPN Epitaxial Silicon Transistor; Package: SOT-23; No of Pins: 3; Container: Tape & Reel 100 mA, 50 V, NPN, Si, SMALL SIGNAL TRANSISTOR
NPN Epitaxial Silicon Transistor 100 mA, 50 V, NPN, Si, SMALL SIGNAL TRANSISTOR
Low Frequency Amplifier & High Frequency OSC. 100 mA, 50 V, NPN, Si, SMALL SIGNAL TRANSISTOR
Fairchild Semiconductor, Corp.
BU406-X-T3P-T BU406-X-TA3-T BU406-X-TF3-T BU406-A- SILICON NPN SWITCHING TRANSISTOR 7 A, 200 V, NPN, Si, POWER TRANSISTOR, TO-220AB
SILICON NPN SWITCHING TRANSISTOR 硅NPN开关晶体管
UNISONIC TECHNOLOGIES CO LTD
UTC[Unisonic Technologies]
友顺科技股份有限公司
Unisonic Technologies Co., Ltd.
??『绉???′唤??????
2SD596 2SD596-L 2SD596-T2B 2SD596DV1 2SD596DV4 2SD TRANSISTOR | BJT | NPN | 25V V(BR)CEO | 700MA I(C) | SOT-346 晶体管|晶体管|叩| 25V的五(巴西)总裁| 700mA的一(c)|的SOT - 346
AUDIO FREQUENCY POWER AMPLIFIER NPN SILICON EPITAXIAL TRANSISTOR MINI MOLD
Silicon transistor
NEC, Corp.
NEC Corp.
ETC
BFP620E7764 RF-Bipolar - NPN Silicon Germanium RF Transistor, high gain low noise RF transistor in SOT343 Package
C BAND, Si, NPN, RF SMALL SIGNAL TRANSISTOR
Infineon Technologies AG
BFP25 BFP22 Q62702-F721 Q62702-F621 Q62702-F201 Q6 NPN Silicon Transistor with high Reve...
From old datasheet system
NPN Silicon Transistors with High Reverse Voltage
Isolation- UL94V-0 Package Material- Power Sharing on Output- Efficiency to 84%
NPN Silicon RF Transisrors
NPN Silicon Transistors (High breakdown voltage l Low collector-emitter saturation voltage) NPN硅晶体管(高耐压l低集电极发射极饱和电压)
SIEMENS[Siemens Semiconductor Group]
Infineon
SIEMENS AG
MJE1300906 MJE13009G MJE13009 SWITCHMODE Series NPN Silicon Power Transistors(开关模式系列NPN硅功率晶体管) 12 A, 400 V, NPN, Si, POWER TRANSISTOR, TO-220AB
12 AMPERE NPN SILICON POWER TRANSISTOR 400 VOLTS − 100 WATTS
ONSEMI[ON Semiconductor]
CMLM0405 MULTI DISCRETE MODULESURFACE MOUNT LOW VCE (SAT) SILICON NPN TRANSISTOR AND LOW VF SILICON SCHOTTKY DIODE 200 mA, 40 V, NPN, Si, SMALL SIGNAL TRANSISTOR
Central Semiconductor, Corp.
 
 Related keyword From Full Text Search System
3DA4382 Specification of 3DA4382 MUX HCSL 3DA4382 DATASHEET PDF 3DA4382 maker 3DA4382 hitachi
3DA4382 download 3DA4382 Series 3DA4382 panasonic 3DA4382 Marin 3DA4382 参数 封装
 

 

Price & Availability of 3DA4382

All Rights Reserved © IC-ON-LINE 2003 - 2022  

[Add Bookmark] [Contact Us] [Link exchange] [Privacy policy]
Mirror Sites :  [www.datasheet.hk]   [www.maxim4u.com]  [www.ic-on-line.cn] [www.ic-on-line.com] [www.ic-on-line.net] [www.alldatasheet.com.cn] [www.gdcy.com]  [www.gdcy.net]


 . . . . .
  We use cookies to deliver the best possible web experience and assist with our advertising efforts. By continuing to use this site, you consent to the use of cookies. For more information on cookies, please take a look at our Privacy Policy. X
0.51292490959167