Part Number Hot Search : 
AD7510DI NDB6060L IMP2186 1N5405 BR220 77303 MC780 C155T
Product Description
Full Text Search

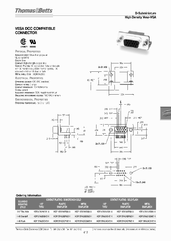
HDR15RA24CPM514 - 15 CONTACT(S), FEMALE, D SUBMINIATURE CONNECTOR, SOLDER

HDR15RA24CPM514_7724644.PDF Datasheet


 Full text search : 15 CONTACT(S), FEMALE, D SUBMINIATURE CONNECTOR, SOLDER
 Product Description search : 15 CONTACT(S), FEMALE, D SUBMINIATURE CONNECTOR, SOLDER


 Related Part Number
PART Description Maker
M80-4C10405F1-02-325-00-000 Datamate 2-Row Mix-Tek Female Crimp Connector, Hexagonal jackscrews, 4 x Small bore signal contacts, 2 x 12 AWG Power contacts 6 CONTACT(S), FEMALE, TWO PART BOARD CONNECTOR, CRIMP
Harwin PLC
M80-4T1164200-06-301-00-000 Datamate 2-Row Mix-Tek Female Vertical PC Tail Connector, No jackscrews, 16 x 3mm PC Tail signal contacts, 6 x 3mm PC Tail Coax contacts 22 CONTACT(S), FEMALE, STRAIGHT TWO PART BOARD CONNECTOR, SOLDER
Harwin PLC
50-84-2122 50-84-2020 50-84-2061 50-84-2091 MLX CAP 12CKT WHITE 94V0 4202212C 12 CONTACT(S), MALE AND FEMALE, POWER CONNECTOR, CRIMP, RECEPTACLE
Header Connector,Cable Mnt,PLG/RCP,2 Contacts,PIN/SKT,0.25 Pitch,CRIMP Terminal,POLARIZED LCK RoHS Compliant: Yes 2 CONTACT(S), MALE AND FEMALE, POWER CONNECTOR, CRIMP, RECEPTACLE
Header; No. of Contacts:6; Pitch Spacing:0.25"; No. of Rows:1; Gender:Female; Series:MLX; Body Material:Nylon 6/6 6 CONTACT(S), MALE AND FEMALE, POWER CONNECTOR, CRIMP, RECEPTACLE
9 CONTACT(S), MALE AND FEMALE, POWER CONNECTOR, CRIMP, RECEPTACLE
Molex, Inc.
MOLEX INC
M80-4T100F1-66-321 Datamate 2-Row Mix-Tek Female Vertical PC Tail Connector, Hexagonal jackscrews, no signal contacts, 12 x 3.5mm PC Tail Power contacts
HARWIN INC
39-01-2225 39-01-2025 Header; Number of Contacts:22; Pitch Spacing:0.165"; Number of Rows:2; Gender:Female; Series:Mini-Fit Jr. 5557; Body Material:Nylon 6/6 22 CONTACT(S), FEMALE, POWER CONNECTOR, RECEPTACLE
Multipole Connector; Gender:Female; Number of Contacts:2; Body Material:PA Polyamide (Nylon); Connecting Termination:Crimp; Mounting Type:Header; Operating Temp. Min:-40 C; Pitch Spacing:4.2mm; Voltage Rating:600V
Molex, Inc.
MOLEX INC
M80-4000000F1-06-327-00-000 M80-4000000F1-06-325-0 Datamate 2-Row Mix-Tek Female Crimp Connector, Hexagonal jackscrews, no signal contacts, 6 x 16 AWG Power contacts 6 CONTACT(S), FEMALE, TWO PART BOARD CONNECTOR, SOLDER
Datamate 2-Row Mix-Tek Female Crimp Connector, Hexagonal jackscrews, no signal contacts, 6 x 12 AWG Power contacts 6 CONTACT(S), FEMALE, TWO PART BOARD CONNECTOR, SOLDER
5 CONTACT(S), FEMALE, TWO PART BOARD CONNECTOR, CRIMP
Datamate 2-Row Mix-Tek Female Crimp Connector, Hexagonal jackscrews, no signal contacts, 2 x 14 AWG Power contacts
Harwin PLC
HARWIN INC
09-50-8151 09-50-8193 09-50-8171 09-50-8020 09-50- KK 156 Crimp Housing Ramp 15 Ckt 15 CONTACT(S), FEMALE, STRAIGHT TWO PART BOARD CONNECTOR, CRIMP
KK 156 Crimp Housing Pol Ramp 19 Ckt 19 CONTACT(S), FEMALE, STRAIGHT TWO PART BOARD CONNECTOR, CRIMP
KK 156 Crimp Housing Ramp 17 Ckt 17 CONTACT(S), FEMALE, STRAIGHT TWO PART BOARD CONNECTOR, CRIMP
Header Connector,Cable Mnt,PLUG,2 Contacts,SKT,0.156 Pitch 2 CONTACT(S), FEMALE, STRAIGHT TWO PART BOARD CONNECTOR, CRIMP
KK 156 Crimp Housing Pol Ramp 20 Ckt 20 CONTACT(S), FEMALE, STRAIGHT TWO PART BOARD CONNECTOR, CRIMP
Multipole Connector; Gender:Female; No. of Contacts:10; Series:KK; Body Material:Nylon; No. of Rows:1 RoHS Compliant: Yes 10 CONTACT(S), FEMALE, STRAIGHT TWO PART BOARD CONNECTOR, CRIMP
Header Connector,Cable Mnt,PLUG,13 Contacts,SKT,0.156 Pitch,POLARIZED LCK 13 CONTACT(S), FEMALE, STRAIGHT TWO PART BOARD CONNECTOR, CRIMP
KK 156 Crimp Housing 05 Ckt 5 CONTACT(S), FEMALE, STRAIGHT TWO PART BOARD CONNECTOR, CRIMP
KK 156 Crimp Housing 07 Ckt 7 CONTACT(S), FEMALE, STRAIGHT TWO PART BOARD CONNECTOR, CRIMP
9508153
KK 156 Crimp Housing 15 Ckt
Molex, Inc.
MOLEX INC
19418-0007 Receptacle assembly; Gender:Female; Number of Contacts:2; Series:MX150L; Color:Black; For Use With:19420; Pitch Spacing:5.84mm; Wire Size (AWG):16-14 2 CONTACT(S), FEMALE, COMBINATION LINE CONNECTOR, CRIMP, RECEPTACLE
Molex, Inc.
70ADJ-6-FL0G 70ADJ-5-FL1G 70ADJ-2-FL1G 70ADJ-4-FL0 Modular Contacts 6 Position Female SMD PCB CONNECTOR
Modular Contacts 5 Position Female SMD PCB CONNECTOR
Modular Contacts 2 Position Female SMD PCB CONNECTOR
Modular Contacts 4 Position Female SMD
Bourns, Inc.
BOURNS INC
S-303H-AB S-304H-AB Industrial Connector; Series:300; Number of Contacts:3; Gender:Female; Leaded Process Compatible:Yes 3 CONTACT(S), FEMALE, MULTIWAY RACK AND PANEL CONN, SOLDER, SOCKET
Industrial Connector; Series:300; Number of Contacts:4; Gender:Female; Leaded Process Compatible:Yes 4 CONTACT(S), FEMALE, MULTIWAY RACK AND PANEL CONN, SOLDER, SOCKET
Cinch Connectors
51146-1200 51146-2000 51146-0700 1.25 W/B HSG 12 CONTACT(S), FEMALE, TWO PART BOARD CONNECTOR, CRIMP
Header; No. of Contacts:20; Pitch Spacing:0.049"; No. of Rows:1; Gender:Female; Series:PanelMate; Body Material:PBT Polyester RoHS Compliant: Yes 20 CONTACT(S), FEMALE, TWO PART BOARD CONNECTOR, CRIMP
Header; No. of Contacts:7; Pitch Spacing:0.049"; No. of Rows:1; Gender:Female; Series:PanelMate; Body Material:PBT Polyester RoHS Compliant: Yes 7 CONTACT(S), FEMALE, TWO PART BOARD CONNECTOR, CRIMP
Molex, Inc.
 
 Related keyword From Full Text Search System
HDR15RA24CPM514 circuit board HDR15RA24CPM514 voltage vgs HDR15RA24CPM514 state diagram HDR15RA24CPM514 molex HDR15RA24CPM514 替换
HDR15RA24CPM514 supply HDR15RA24CPM514 receiver HDR15RA24CPM514 Price HDR15RA24CPM514 bus HDR15RA24CPM514 ocr
 

 

Price & Availability of HDR15RA24CPM514

All Rights Reserved © IC-ON-LINE 2003 - 2022  

[Add Bookmark] [Contact Us] [Link exchange] [Privacy policy]
Mirror Sites :  [www.datasheet.hk]   [www.maxim4u.com]  [www.ic-on-line.cn] [www.ic-on-line.com] [www.ic-on-line.net] [www.alldatasheet.com.cn] [www.gdcy.com]  [www.gdcy.net]


 . . . . .
  We use cookies to deliver the best possible web experience and assist with our advertising efforts. By continuing to use this site, you consent to the use of cookies. For more information on cookies, please take a look at our Privacy Policy. X
0.4142529964447