Part Number Hot Search : 
AD5439 FAITD35J RF331506 V016SA20 KTR0309 N4486 G3T22AP M12531EG
Product Description
Full Text Search

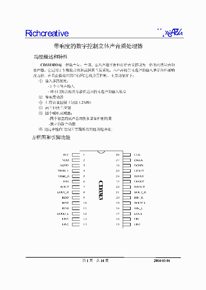
CD3313 - Digital stereo sound control processor

CD3313_7685185.PDF Datasheet


 Full text search : Digital stereo sound control processor
 Product Description search : Digital stereo sound control processor


 Related Part Number
PART Description Maker
CD3313 Digital stereo sound control processor
Richcreative
TDA9845 TDA9845T TV and VTR stereo/dual sound processor with digital identification and I 2 C-bus control(甯??瀛?????TV??TR绔??/??0??????)
NXP Semiconductors
TDA8415 TV and VTR stereo/dual sound processor with integrated filters and I2C-bus control
NXP Semiconductors
TDA8416 TV and VTR stereo/dual sound processor with integrated filters and I2C-bus control
PHILIPS[Philips Semiconductors]
TDA9845 TDA9845T TV and VTR stereo/dual sound processor with digital identification
PHILIPS[Philips Semiconductors]
XWM8816EDW Stereo Digital Volume Control
http://
MS6821 MS6821G MS6821TGTR MS6821TGU 4 Stereo Inputs, 2W BTL Stereo Output 16-bit Stereo DAC and Volume Control
MOSA ELECTRONICS
PAM8803NHR 3W FILTERLESS STEREO CLASS-D AUDIO AMPLIFIER WITH DIGITAL VOLUME CONTROL
Diodes
TPA5050 Stereo Digital Audio Lip-Sync Delay With I2C Control
TI
TS4975_05 TS4975 TS4975EIJT Stereo Headphone Drive Amplifier with Digital Volume Control via I2C Bus
STMICROELECTRONICS[STMicroelectronics]
SC7314 4CH OUTPUT STEREO AUDIO PROCESSOR WITH 4 STEREO INPUTS AND TONE/VOLUME CONTROL
Silan Microelectronics Joint-stock
SC7312 SC7312S 4CH OUTPUT STEREO AUDIO PROCESSOR WITH 4 STEREO INPUTS AND TONE/VOLUME CONTROL
Silan Microelectronics Joint-stock
 
 Related keyword From Full Text Search System
CD3313 silicon CD3313 电子元器件 CD3313 Chip CD3313 Sipat CD3313 Sipat
CD3313 semicon CD3313 Matsushita CD3313 oscillator CD3313 Ic-on-line CD3313 led
 

 

Price & Availability of CD3313

All Rights Reserved © IC-ON-LINE 2003 - 2022  

[Add Bookmark] [Contact Us] [Link exchange] [Privacy policy]
Mirror Sites :  [www.datasheet.hk]   [www.maxim4u.com]  [www.ic-on-line.cn] [www.ic-on-line.com] [www.ic-on-line.net] [www.alldatasheet.com.cn] [www.gdcy.com]  [www.gdcy.net]


 . . . . .
  We use cookies to deliver the best possible web experience and assist with our advertising efforts. By continuing to use this site, you consent to the use of cookies. For more information on cookies, please take a look at our Privacy Policy. X
0.035861015319824