Part Number Hot Search : 
995060 MBRF8200 824BP2 T6007C TA2S15D C2245 14584BC GRM32ER
Product Description
Full Text Search

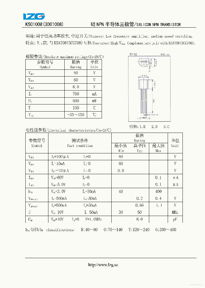
3DG1008 - SILICON NPN TRANSISTOR

3DG1008_7692622.PDF Datasheet


 Full text search : SILICON NPN TRANSISTOR
 Product Description search : SILICON NPN TRANSISTOR


 Related Part Number
PART Description Maker
BC848 BC849 BC846 BC847 BC850 BC848C-MR    NPN EPITAXIAL SILICON TRANSISTOR
NPN Epitaxial Silicon Transistor(NPN硅外延晶体管) 100 mA, 30 V, NPN, Si, SMALL SIGNAL TRANSISTOR
TRANSISTOR BC848C MINIREEL 500PCS 晶体管BC848C MINIREEL 500
NPN Epitaxial Silicon Transistor(NPN纭??寤舵?浣??)
FAIRCHILD SEMICONDUCTOR CORP
Fairchild Semiconductor, Corp.
Diodes, Inc.
2N6132 2N6101 2N6491 2N6486 2N6487 2N6489 2N6099 2    NPN SILICON TRANSISTOR
NPN SILICON TRANSISTOR 15 A, 80 V, NPN, Si, POWER TRANSISTOR, TO-220AB
(2N6130 - 2N6134) NPN SILICON TRANSISTOR
Leaded Power Transistor General Purpose
Leaded Power Transistor Darlington
http://
ON Semiconductor
Central Semiconductor Corp.
Advanced Semiconductor
CENTRAL[Central Semiconductor Corp]
Central Semiconductor C...
2SD1000 2SD1000-T1 2SD1000-T2 2SD1000-AZ 700 mA, 50 V, NPN, Si, SMALL SIGNAL TRANSISTOR
NPN SILICON EPITAXIAL TRANSISTOR POWER MINI MOLD
Silicon transistor
NEC[NEC]
FZT1051A NPN Low Sat Transistor
NPN SILICON PLANAR MEDIUM POWER HIGH GAIN TRANSISTOR
SOT223 NPN SILICON PLANAR
Zetex Semiconductors
Diodes Incorporated
MHQ6001 MHQ6002 MPQ918 MHQ4002A MHQ4013 MHQ4014 MP NPN silicon quad memory driver transistor.
6367254 MOTOROLA SC (XSTRS/R F)
NPN silicon quad amplifier transistor.
PNP silicon quad transistor.
http://
MOTOROLA[Motorola, Inc]
2SD2494 Silicon NPN Triple Diffused Planar Transistor(Darlington)(硅NPN三倍扩散平面达林顿晶体 6 A, 110 V, NPN, Si, POWER TRANSISTOR
Silicon NPN Triple Diffused Planar Transistor(Audio, Series Regulator and General Purpose)
Sanken Electric Co., Ltd.
SANKEN[Sanken electric]
ZXT11N15DF ZXT11N15DFTC ZXT11N15DFTA Discrete - Bipolar Transistors - Transistor (BJT) Master Table - Transistors
3000 mA, 15 V, NPN, Si, SMALL SIGNAL TRANSISTOR SOT-23, 3 PIN
15V NPN SILICON LOW SATURATION TRANSISTOR
NPN Low Sat Transistor
Diodes, Inc.
Diodes Incorporated
Zetex Semiconductors
BFS17S RF-Bipolar - NPN Silicon RF dual transistor array (2xBFS17W) for broadband amplifiers
NPN Silicon RF Transistor
Infineon Technologies AG
BC637L34Z BC637D26Z NPN Epitaxial Silicon Transistor 1000 mA, 60 V, NPN, Si, SMALL SIGNAL TRANSISTOR, TO-92
NPN Epitaxial Silicon Transistor; Package: TO-92; No of Pins: 3; Container: Tape & Reel 1000 mA, 60 V, NPN, Si, SMALL SIGNAL TRANSISTOR, TO-92
Fairchild Semiconductor, Corp.
2SC2921 Silicon NPN Transistor
Silicon NPN Epitaxial Planar Transistor(Audio and General Purpose)
Sanken electric
BFP620E7764 RF-Bipolar - NPN Silicon Germanium RF Transistor, high gain low noise RF transistor in SOT343 Package
C BAND, Si, NPN, RF SMALL SIGNAL TRANSISTOR
Infineon Technologies AG
MJE1300906 MJE13009G MJE13009 SWITCHMODE Series NPN Silicon Power Transistors(开关模式系列NPN硅功率晶体管) 12 A, 400 V, NPN, Si, POWER TRANSISTOR, TO-220AB
12 AMPERE NPN SILICON POWER TRANSISTOR 400 VOLTS − 100 WATTS
ONSEMI[ON Semiconductor]
 
 Related keyword From Full Text Search System
3DG1008 samsung 3DG1008 Description 3DG1008 philips 3DG1008 terminal 3DG1008 control
3DG1008 LPE model 3DG1008 crystal 3DG1008 Driver 3DG1008 Corp 3DG1008 Source
 

 

Price & Availability of 3DG1008

All Rights Reserved © IC-ON-LINE 2003 - 2022  

[Add Bookmark] [Contact Us] [Link exchange] [Privacy policy]
Mirror Sites :  [www.datasheet.hk]   [www.maxim4u.com]  [www.ic-on-line.cn] [www.ic-on-line.com] [www.ic-on-line.net] [www.alldatasheet.com.cn] [www.gdcy.com]  [www.gdcy.net]


 . . . . .
  We use cookies to deliver the best possible web experience and assist with our advertising efforts. By continuing to use this site, you consent to the use of cookies. For more information on cookies, please take a look at our Privacy Policy. X
0.38574886322021