Part Number Hot Search : 
LD1117V5 TS6121B1 TDSR515 TDSR516 MBR2035 100M1 BB609B MCRO1280
Product Description
Full Text Search

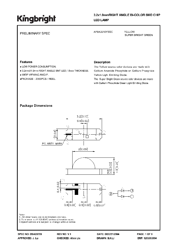
BA3210YSGC - DUAL COLOR LED, YELLOW/SUPER BRIGHT GREEN, 2 mm

BA3210YSGC_7525614.PDF Datasheet


 Full text search : DUAL COLOR LED, YELLOW/SUPER BRIGHT GREEN, 2 mm
 Product Description search : DUAL COLOR LED, YELLOW/SUPER BRIGHT GREEN, 2 mm


 Related Part Number
PART Description Maker
LOPT672-KN LOPT672-L LOPT672-LP LOPT672-M LOPT672- Header; No. of Contacts:11; Pitch Spacing:1.25mm; No. of Rows:1; Series:53048; Connector Body Material:Nylon; Mounting Type:PC Board; Terminal Type:Right Angle Pin RoHS Compliant: Yes
DSUB 15 F WW2 G
Super Multi TOPLED High-Current LED DUAL COLOR LED, ORANGE/GREEN, 2.4 mm
Super Multi TOPLED High-Current LED DUAL COLOR LED, ORANGE/PURE GREEN, 2.4 mm
Shielded Multiconductor Cable; Leaded Process Compatible:Yes RoHS Compliant: Yes DUAL COLOR LED, ORANGE/YELLOW, 2.4 mm
Super Multi TOPLED High-Current LED DUAL COLOR LED, SUPER RED/PURE GREEN, 2.4 mm
Connector assemblies DUAL COLOR LED, YELLOW/PURE GREEN, 2.4 mm
Siemens Semiconductor G...
SIEMENS[Siemens Semiconductor Group]
SIEMENS AG
SIEMENS A G
Q12P1BZZRYG110 Q12P1BZZRYG12 Q12P1BKKSY12AE Q12P1B TRIPLE COLOR LED, RED/YELLOW/GREEN, 12 mm PLASTIC PACKAGE-3
SINGLE COLOR LED, SUPER BRIGHT YELLOW, 12 mm
DUAL COLOR LED, RED/YELLOW, 12 mm
SINGLE COLOR LED, YELLOW, 12 mm
Murata Manufacturing Co., Ltd.
561-5301-100F 561-5201-070 561-5101-070 561-1301-0 LED Indicator; Color:Yellow; Luminous Intensity (MSCP):34; Viewing Angle:50 ; Forward Current:20mA; Forward Voltage:2.2V; LED Color:Yellow; Leaded Process Compatible:Yes; Wavelength:590nm T-1 3/4 SINGLE COLOR LED, YELLOW, 5 mm
T-1 3/4 SINGLE COLOR LED, GREEN, 5 mm
T-1 3/4 SINGLE COLOR LED, RED, 5 mm
T-1 3/4 DUAL COLOR LED, RED/GREEN, 5 mm
Dialight PLC
591-3101-013F Multi-Color LED; Color:Yellow/Green; Luminous Intensity (MSCP):6.8/8; Viewing Angle:40 ; Forward Voltage:2V; LED Color:Yellow/Green; Leaded Process Compatible:Yes; Lens Style:Round; Mounting Type:Surface Mount T-1 DUAL COLOR LED, YELLOW/GREEN, 3 mm
Dialight PLC
BP200-0AG-014V BP200-0CW-024V BP200-0UY-005V BP200 T-1 3/4 SINGLE COLOR LED, AQUA GREEN, 5 mm
T-1 3/4 SINGLE COLOR LED, WHITE, 5 mm
T-1 3/4 SINGLE COLOR LED, SUPER YELLOW, 5 mm
T-1 3/4 SINGLE COLOR LED, SUPER BLUE, 5 mm
T-1 3/4 SINGLE COLOR LED, LIME GREEN, 5 mm
T-1 3/4 SINGLE COLOR LED, SUPER ORANGE, 5 mm
T-1 3/4 SINGLE COLOR LED, ULTRA RED, 5 mm
LEDtronics, Inc.
BPF200-0CW-005V BPF200-0UR-005V BPF200-0UG-005V BP T-1 3/4 SINGLE COLOR LED, WHITE, 5 mm
T-1 3/4 SINGLE COLOR LED, ULTRA RED, 5 mm
T-1 3/4 SINGLE COLOR LED, LIME GREEN, 5 mm
T-1 3/4 SINGLE COLOR LED, SUPER YELLOW, 5 mm
T-1 3/4 SINGLE COLOR LED, AQUA GREEN, 5 mm
T-1 3/4 SINGLE COLOR LED, SUPER BLUE, 5 mm
T-1 3/4 SINGLE COLOR LED, SUPER ORANGE, 5 mm
LEDtronics, Inc.
LEDTRONICS INC
BL-HA0B433 BL-HE1Y033 BL-HG0Y033 Amber/super blue, 30 mA, surface mount dual color LED lamp
Hi-eff red/yellow, 30 mA, surface mount dual color LED lamp
Green/yellow, 30 mA, surface mount dual color LED lamp
Yellow Stone Corp
SSF-LXH169SISYW SSF-LXH139SISYW SSF-LXH169SISUGW T-1 3/4 DUAL COLOR LED, SUPER HIGH INTENSITY RED/SUPER YELLOW, 5 mm
T-1 3/4 DUAL COLOR LED, SUPER HIGH INTENSITY RED/ULTRA SUPER GREEN, 5 mm
Lumex, Inc.
CL-260TLY CL-270TLY CL-201SYG CL-201TLY CL-201TD C LED of super-luminance. Lighting color top high lemon yellow. Typ. wave length 590 nm.
LED of super-luminance. Lighting color super yellow green. Typ. wave length 574 nm.
LED of super-luminance. Lighting color top high orange. Typ. wave length 612 nm.
LED of super-luminance. Lighting color top high red. Typ. wave length 624 nm.
CITILED
QTLP670C-AG QTLP670C-E QTLP670C-IB QTLP670C-IG QTL Yellow-Orange Surface Mount LED Lamp - Super Bright PLCC-2
InGaN White Surface Mount LED Lamp - Super Bright PLCC-2
Yellow Surface Mount LED Lamp - Super Bright PLCC-2
Red - (640nm) Surface Mount LED Lamp - Super Bright PLCC-2
Red Surface Mount LED Lamp - Super Bright PLCC-2
InGaN True-Green Surface Mount LED Lamp - Super Bright PLCC-2
SURFACE MOUNT LED LAMP SUPER BRIGHT PLCC-2
LJT 6C 6#12 SKT RECP
SURFACE MOUNT LED LAMP SINGLE COLOR LED, YELLOW, 2.4 mm
FAIRCHILD[Fairchild Semiconductor]
Fairchild Semiconductor Corporation
Fairchild Semiconductor, Corp.
LSYT670-HO-E-7510 LOPT670-GK-E-7510 LOPT670-H-E-75 DUAL COLOR LED, SUPER RED/YELLOW, 2.4 mm
DUAL COLOR LED, ORANGE/PURE GREEN, 2.4 mm
SINGLE COLOR LED, PURE GREEN, 2.4 mm
SINGLE COLOR LED, GREEN, 2.4 mm
SINGLE COLOR LED, ORANGE, 2.4 mm
DUAL COLOR LED, SUPER RED/PURE GREEN, 2.4 mm
SINGLE COLOR LED, SUPER RED, 2.4 mm
SIEMENS AG
SIEMENS A G
67-22UYSYGC-S530-A5-TR8 67-22UYSYGC/S530-A5/TR8 Bi-Color (Multi-Color) Top LEDs
DUAL COLOR LED, BRILLIANT YELLOW/BRILLIANT YELLOW GREEN, 2.4 mm ROHS COMPLIANT, PLASTIC, LCC-4
Everlight Electronics Co., Ltd.
 
 Related keyword From Full Text Search System
BA3210YSGC afe + homeplug av BA3210YSGC Search BA3210YSGC Test BA3210YSGC ptc data BA3210YSGC Corporate
BA3210YSGC microchip BA3210YSGC gate BA3210YSGC molex BA3210YSGC uncooled cel BA3210YSGC volts
 

 

Price & Availability of BA3210YSGC

All Rights Reserved © IC-ON-LINE 2003 - 2022  

[Add Bookmark] [Contact Us] [Link exchange] [Privacy policy]
Mirror Sites :  [www.datasheet.hk]   [www.maxim4u.com]  [www.ic-on-line.cn] [www.ic-on-line.com] [www.ic-on-line.net] [www.alldatasheet.com.cn] [www.gdcy.com]  [www.gdcy.net]


 . . . . .
  We use cookies to deliver the best possible web experience and assist with our advertising efforts. By continuing to use this site, you consent to the use of cookies. For more information on cookies, please take a look at our Privacy Policy. X
0.091086149215698