Part Number Hot Search : 
GL1502 BZM55C 84145 GDSSF230 L5950 TFDS4400 MRSS29D 64001
Product Description
Full Text Search

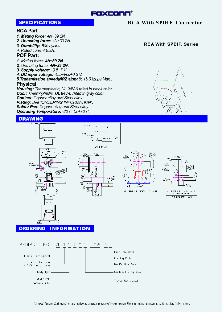
2F12TC1-FR58-4F - RCA CONNECTOR

2F12TC1-FR58-4F_7334597.PDF Datasheet


 Full text search : RCA CONNECTOR
 Product Description search : RCA CONNECTOR


 Related Part Number
PART Description Maker
RCA-021B RCA-021Y RCA-021R RCA CONNECTOR, JACK
POWER DYNAMICS INC
6881 6880 RCA Jack, RCA Plug
Pomona Electronics
CMRPRIW CONNECTORS, TEST RoHS Compliant: Yes RCA CONNECTOR
L-com, Inc.
YKB31-0016 YKB21-5010 YKB21-5166 6.3V, 2A, 1.65mm DIAMETER, DC POWER PLUG OR JACK
RCA CONNECTOR, JACK
JALCO Co., Ltd.
PE38134-YW PE38134-BL CABLE ASSEMBLY PE-B159 75 OHM HD PRECISION RCA PLUG RIGHT ANGLE TO RCA PLUG
CABLE ASSEMBLY PE-B159 75 OHM H PRECISION RCA PLUG RIGHT ANGLE TO RCA PLUG
Pasternack Enterprises, Inc.
Pasternack Enterprises,...
GB12232AHYBAMLB-V01 GB12232AHGABMDB-V01 GB12232AHY CABLE,MONITOR POWER ADAPTER,1' PROTECTED PLUG & SCK W/GUARD
KNOB,1/4" SHAFT,17.3MM,JK-907C GREY/RED,PRESSURE FIT
RCA PLUG,METAL HOUSING,WHITE
RCA PLUG,PLASTIC HOUSING,RED (PACKAGE OF 5 EACH)
CONNECTOR,.1",2RW,14PIN HSG USE W/100765 & 118455
RCA PLUG,GOLD PLATED,YELLOW HOUSING,YELLOW SPRING STRAIN
FAN,12VDC,42CFM,80X80X25,230mA BALL,11.5"LEADS,UL/CUL/TUV/CE
SOCKET,SHORTNG BLKS,BLU,OPEN (10)
KNOB,1/4" SHAFT,17.3MM,JK-907C GREY/YELLOW,PRESSURE FIT
ONNECTOR,PIN,FEM,POST TIN GOLD PLATE (10)
RCA PLUG GOLD PLATED METAL,RED HOUSING,RED SPRING STRAIN REL
RCA PLUG,METAL HOUSING,BLACK
PWR SPLY,SW,TT,12V@3.33A,F2 2.1mmx5.5mm,(W/O cord),UL/CE
RCA PLUG,PLASTIC HOUSING, WHITE(PACKAGE OF 5 EACH)
PWR SPLY,SW,TBL,12V@8.5A,F2 2.1mmx5.5mm,(W/O cord), UL/CE
CONNECTOR,.1",2RW,10PIN HSG USE W/100765 & 67820
CONNECTOR,.1",2RW,8PIN HSG USE W/100765
CONNECTOR,.1",2RW,40PIN HSG USE W/100765 & 53532
CONNECTOR,.1",2RW,50PIN HSG USE W/100765 & 53559
RCA PLUG,PLASTIC HOUSING, BLACK(PACKAGE OF 5 EACH)
KNOB,1/4"SHAFT,POINTER, W/SET SCREW
KNOB,1/4"SHAFT,19.8MM,JK-904A, BLACK/RED,w/SET SCREW
HEADER,.1"ST MALE,1RW,8PIN, .025"PST,.23"GOLD TAIL
OSC,64.000MHZ,HALF CAN,TTL, 70MA,5NS
CRYSTAL,49.860MHZ,HC-49/U,20PF
CONNECTOR,DISK DRIVE,MALE R/A PCB MOUNT,MATES W/114930
KNOB,1/4" SHAFT,23.6MM,JK-907B GREY/YELLOW,PRESSURE FIT
PROTOBOARD (8006),5.0"X13.25"
KNOB,1/4"SHAFT,33.3MM,JK-901B, BLACK/ALUMINUM,w/SET SCREW
KNOB,1/4"SHAFT,33.4MM,JK-902A, BLACK,w/SET SCREW
KNOB,1/4"SHAFT,27.1MM,JK-901C, BLACK/ALUMINUM,w/SET SCREW
CRYSTAL,12.000MHZ,CSM-7,20PF
KNOB,1/4"SHAFT,19.8MM,JK-901D, BLACK/ALUMINUM,w/SET SCREW
KNOB,1/4"SHAFT,19.8MM,JK-904B, BLACK/YELLOW,w/SET SCREW
KNOB,1/4"SHAFT,19.8MM,JK-904C, BLACK/BLUE,w/SET SCREW
KNOB,1/4"SHAFT,19.8MM,JK-904, BLACK/GREEN,w/SET SCREW
CRYSTAL,35.2512MHZ,HC-49/C, 18PF
CRYSTAL,3.579545MHZ,CSM-7,17PF HC49/US 规格液晶模块
CRYSTAL,6.000MHZ,CSM-7,32PF 规格液晶模块
CRYSTAL,14.31818MHZ,CSM-7,20PF 规格液晶模块
KNOB,1/4"SHAFT,14.6MM,JK-905D, BLACK/GREEN,w/SET SCREW 规格液晶模块
KNOB,1/4"SHAFT,15.5MM,JK-906D, BLACK,w/SET SCREW 规格液晶模块
KNOB,1/4"SHAFT,14.6MM,JK-905B BLACK/YELLOW,w/SET SCREW 规格液晶模块
HEADER,.1"ST MALE,1RW,4PIN, (10) .025" PST,.23" GOLDTAIL 规格液晶模块
KNOB,1/4" SHAFT,23.6MM,JK-907B GREY/BLUE,PRESSURE FIT 规格液晶模块
KNOB,1/4" SHAFT,23.6MM,JK-907B GREY/RED,PRESSURE FIT 规格液晶模块
KNOB,1/4"SHAFT,14.6MM,JK-905A, BLACK/RED,w/SET SCREW 规格液晶模块
KNOB,1/4" SHAFT,17.3MM,JK-907C GREY/BLUE,PRESSURE FIT 规格液晶模块
SPECIFICATIONS FOR LCD MODULE 规格液晶模块
FUSEHOLDER,IN-LINE,14AWGx48"L, 1.25"x.25"FUSE 规格液晶模块
FUSEHOLDER,IN-LINE,22AWGx3"L, 1.25"x.25"FUSE 规格液晶模块
CONNECTOR,DISK DRIVE,FEMALE, USE PIN P/N 42649 (10) 规格液晶模块
Jewel Hill Electronic Co., Ltd.
RCP-22-W-1-C5 RCA PLUG
Adam Technologies, Inc.
RCP-22-W-1-C5WIRE RCA PLUG WITH WIRE
Adam Technologies, Inc.
FP7208-13 FP5125-13 TR6535 FP5125-14 FP6134-14 FP6 GAS DISCHARGE TUBE LIBRE DE PLOMO
CA YCbCr VIDEO 3 RCA M/M 9'
Low Distortion Wideband Op Amp
Transient Voltage Suppressor Diodes
MU-MU DUPLEX COUPLER
CBL FIBER DIST 9/125SM 6CT
CA DUAL 3.5mm M-DUAL RCA M 20'
HDMI CABLE MALE/ HDMI MALE 3M
Analog IC 模拟IC
CA KVM HD15,(2) MD6 M/F 50' 模拟IC
CA SVHS M/DUAL BNC M 3' ASMBL 模拟IC
CA BNC M/BNC M RG58/U PLEM 6'
CIT Relay&Switch
NXP Semiconductors N.V.
Electronic Theatre Controls, Inc.
EPCOS AG
Intersil, Corp.
Maxim Integrated Products, Inc.
Alpha Wire Company
Filtran, Ltd.
TE Connectivity, Ltd.
Vishay Intertechnology, Inc.
RCA-10-4-R RCA-10-4-W RCA-7-2-R RCA-7-2-W RCA-7-2- RCA JACKS GANGED & STACKED
Adam Technologies, Inc.
RCA-6-1-WR-PBT-EU RCA JACK 2 PORTS GANGED
Adam Technologies, Inc.
RCA-22A-1-W-C3 RCA JACK SINGLE PORT
Adam Technologies, Inc.
 
 Related keyword From Full Text Search System
2F12TC1-FR58-4F components 2F12TC1-FR58-4F price 2F12TC1-FR58-4F Semiconductor 2F12TC1-FR58-4F 电子元器件 2F12TC1-FR58-4F level
2F12TC1-FR58-4F MUX HCSL 2F12TC1-FR58-4F Product 2F12TC1-FR58-4F connector 2F12TC1-FR58-4F использование 2F12TC1-FR58-4F maxim
 

 

Price & Availability of 2F12TC1-FR58-4F

All Rights Reserved © IC-ON-LINE 2003 - 2022  

[Add Bookmark] [Contact Us] [Link exchange] [Privacy policy]
Mirror Sites :  [www.datasheet.hk]   [www.maxim4u.com]  [www.ic-on-line.cn] [www.ic-on-line.com] [www.ic-on-line.net] [www.alldatasheet.com.cn] [www.gdcy.com]  [www.gdcy.net]


 . . . . .
  We use cookies to deliver the best possible web experience and assist with our advertising efforts. By continuing to use this site, you consent to the use of cookies. For more information on cookies, please take a look at our Privacy Policy. X
0.038532018661499