Part Number Hot Search : 
105J63 CSC03 MC13155D R05C12 K4000 MSP4448G 1N3212 AC181
Product Description
Full Text Search

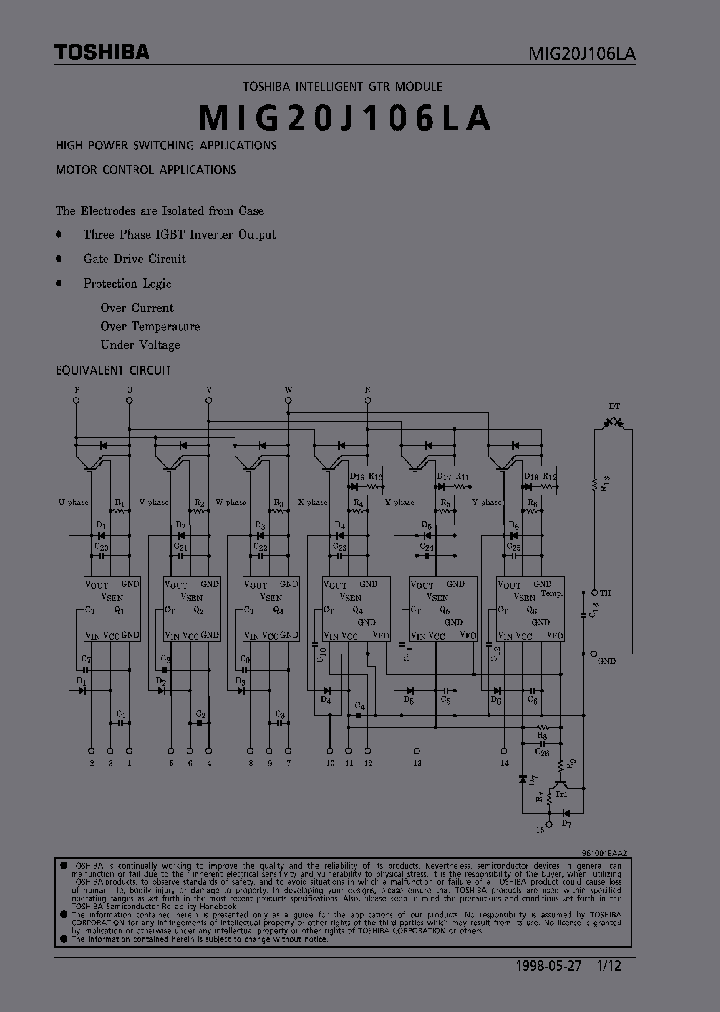
MIG20J106LA - AC MOTOR CONTROLLER, 40 A, XMA20

MIG20J106LA_6970880.PDF Datasheet


 Full text search : AC MOTOR CONTROLLER, 40 A, XMA20
 Product Description search : AC MOTOR CONTROLLER, 40 A, XMA20


 Related Part Number
PART Description Maker
SKIIP22NAB12IT1 AC MOTOR CONTROLLER, 23 A, XMA
SEMIKRON INTERNATIONAL
A3958SLBTR-T 395802 A3958SLB-T 3958 A3958SB-T A395 BRUSHLESS DC MOTOR CONTROLLER, 2 A, PDSO24
BRUSHLESS DC MOTOR CONTROLLER, 2 A, PDIP24
DMOS FULL-BRIDGE PWM MOTOR DRIVER
Allegro MicroSystems, Inc.
ALLEGRO[Allegro MicroSystems]
AMIS30623C6239G AMIS30623C623ARG AMIS30623C623BRG Stepper Motor Driver and Controller with LIN Bus, Micro-stepping Features and Stall Detection; Package: SOIC-20 Wide Body; No of Pins: 20; Container: Rail; Qty per Container: 38 STEPPER MOTOR CONTROLLER, 0.8 A, PDSO20
Stepper Motor Driver and Controller with LIN Bus, Micro-stepping Features and Stall Detection STEPPER MOTOR CONTROLLER, 0.8 A, QCC32
Stepper Motor Driver and Controller with LIN Bus, Micro-stepping Features and Stall Detection - Automotive Version STEPPER MOTOR CONTROLLER, 0.8 A, QCC32
TE Connectivity, Ltd.
ON Semiconductor
MC33030DWG DC Servo Motor Controller/Driver BRUSH DC MOTOR CONTROLLER, 1 A, PDSO16
ON Semiconductor
MC33035DWR2G MC33035PG Brushless DC Motor Controller BRUSHLESS DC MOTOR CONTROLLER, 0.1 A, PDSO24
Brushless DC Motor Controller BRUSHLESS DC MOTOR CONTROLLER, 0.1 A, PDIP24
ON Semiconductor
A3953SLBTR-T A3953SLB-T 3953_05 A3953SB-T A3953SLB STEPPER MOTOR CONTROLLER, 1.3 A, PDSO16
FULL-BRIDGE PWM MOTOR DRIVER
ALLEGRO[Allegro MicroSystems]
Allegro MicroSystems, Inc.
SLA6827M LA6827M AC MOTOR CONTROLLER, 3 A, ZFM24
High Voltage 3-Phase Motor Driver
Sanken electric
AM6651BU AM6651B AM6651BU-E1 MOTOR CONTROL CIRCUIT DISK DRIVE MOTOR CONTROLLER, PSIP4
BCD SEMICONDUCTOR MANUFACTURING LTD
BCD Semiconductor Manufacturing, Ltd.
BCD Semiconductor Manufacturing Limited
IRAM109-015SD Integrated Power Hybrid IC for Appliance Motor Drive Applications
AC MOTOR CONTROLLER, ZFM13
International Rectifier
SG1731 SG1731J SG2731 SG2731J SG2731N SG3731 SG373 DC MOTOR PULSE WIDTH MODULATOR BRUSH DC MOTOR CONTROLLER, 0.4 A, CDIP16
From old datasheet system
Microsemi, Corp.
MICROSEMI[Microsemi Corporation]
BA6878EFV DISK DRIVE MOTOR CONTROLLER, 1.5 A, PDSO24
3-phase motor driver for VTR capstan
Rohm
 
 Related keyword From Full Text Search System
MIG20J106LA Capacitor MIG20J106LA Integrate MIG20J106LA specs MIG20J106LA Instruments MIG20J106LA Corporation
MIG20J106LA text MIG20J106LA PDF MIG20J106LA Serie MIG20J106LA cantherm MIG20J106LA Mosfet
 

 

Price & Availability of MIG20J106LA

All Rights Reserved © IC-ON-LINE 2003 - 2022  

[Add Bookmark] [Contact Us] [Link exchange] [Privacy policy]
Mirror Sites :  [www.datasheet.hk]   [www.maxim4u.com]  [www.ic-on-line.cn] [www.ic-on-line.com] [www.ic-on-line.net] [www.alldatasheet.com.cn] [www.gdcy.com]  [www.gdcy.net]


 . . . . .
  We use cookies to deliver the best possible web experience and assist with our advertising efforts. By continuing to use this site, you consent to the use of cookies. For more information on cookies, please take a look at our Privacy Policy. X
0.035788059234619