Part Number Hot Search : 
MUR1510G MAX16841 UPD43 D303RU 2SD2689 LB1011AB FJP5021O 08004GOB
Product Description
Full Text Search

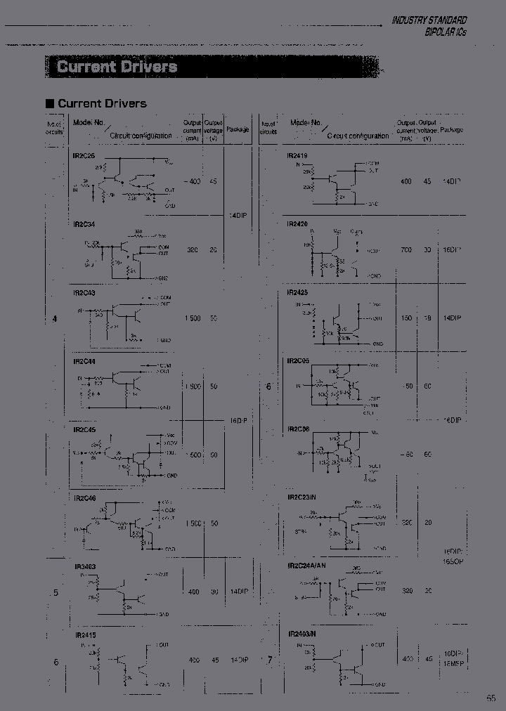
IR2C23 - SPECIALTY INTERFACE CIRCUIT, PDIP16

IR2C23_6976074.PDF Datasheet


 Full text search : SPECIALTY INTERFACE CIRCUIT, PDIP16
 Product Description search : SPECIALTY INTERFACE CIRCUIT, PDIP16


 Related Part Number
PART Description Maker
BD8904F BD8904FV BD8905F BD8906F BD8906FV BD8907F SPECIALTY INTERFACE CIRCUIT, PDSO28
IC card interface ICs with Built-in DC / DC Converter
Rohm
LTC1756EGN 1756I LTC1756 From old datasheet system
Smart Card Interface SPECIALTY INTERFACE CIRCUIT, PDSO16
Linear Technology, Corp.
MAX31722MUA MAX31723MUA MAX31723MUAT MAX31722MUAT Digital Thermometers and Thermostats with SPI/3-Wire Interface
SPECIALTY INTERFACE CIRCUIT, PDSO8
Maxim Integrated Products
MAXIM INTEGRATED PRODUCTS INC
TOIM4232 IC SPECIALTY INTERFACE CIRCUIT, PDSO16, ROHS COMPLIANT, SO-16, Interface IC:Other
Vishay Semiconductors
LTC3900 LTC3901 LT4430HS6 LT44301 LT4430ES6 LT4430 Secondary-Side Opto-Coupler Driver Ground-Referenced Opto-Coupler Drive
Secondary-Side Optocoupler Driver; Package: SOT; No of Pins: 6; Temperature Range: -40°C to 125°C SPECIALTY INTERFACE CIRCUIT, PDSO6
SPECIALTY INTERFACE CIRCUIT, PDSO6 LEAD FREE, PLASTIC, MO-193, TSOT-23, 6 PIN
Linear Technology, Corp.
STX2G4245UX SPECIALTY INTERFACE CIRCUIT, PDSO8
PERICOM SEMICONDUCTOR CORP
TDE3247FP SPECIALTY INTERFACE CIRCUIT, PDSO14
STMICROELECTRONICS
PCA9512DP118 SPECIALTY INTERFACE CIRCUIT, PDSO8
NXP SEMICONDUCTORS
HCTL-2020 SPECIALTY INTERFACE CIRCUIT, PDIP20
AGILENT TECHNOLOGIES INC
UN11006 SPECIALTY INTERFACE CIRCUIT, SIP3
PANASONIC CORP
ADUM1250WSRZ SPECIALTY INTERFACE CIRCUIT, PDSO8
ANALOG DEVICES INC
 
 Related keyword From Full Text Search System
IR2C23 Range IR2C23 reference voltage IR2C23 Regulators IR2C23 Polarity IR2C23 found
IR2C23 Matsushita IR2C23 products IR2C23 level converter IR2C23 huck IR2C23 number
 

 

Price & Availability of IR2C23

All Rights Reserved © IC-ON-LINE 2003 - 2022  

[Add Bookmark] [Contact Us] [Link exchange] [Privacy policy]
Mirror Sites :  [www.datasheet.hk]   [www.maxim4u.com]  [www.ic-on-line.cn] [www.ic-on-line.com] [www.ic-on-line.net] [www.alldatasheet.com.cn] [www.gdcy.com]  [www.gdcy.net]


 . . . . .
  We use cookies to deliver the best possible web experience and assist with our advertising efforts. By continuing to use this site, you consent to the use of cookies. For more information on cookies, please take a look at our Privacy Policy. X
0.041455984115601