Part Number Hot Search : 
VSKUV41 36902 ON0052 AD626ANZ 2SD1114K A5800162 A3122ELT S8550D
Product Description
Full Text Search

M81712FP - HIGH VOLTAGE HALF BRIDGE DRIVER

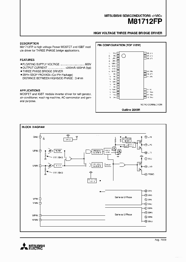
M81712FP_6952269.PDF Datasheet


 Full text search : HIGH VOLTAGE HALF BRIDGE DRIVER
 Product Description search : HIGH VOLTAGE HALF BRIDGE DRIVER


 Related Part Number
PART Description Maker
IR03H420 500V Hi-Voltage Half-Bridge Hybrid MOSFET and Gate Driver in a 9 Lead SIP w/o #5and8 package
HIGH VOLTAGE HALF-BRIDGE
IRF[International Rectifier]
IS9-2100ARH/PROTO 5962F9953602QXC IS9-2100ARH-Q IS High Frequency Half Bridge Driver, Rad-Hard, without UVLO
RES POWER .036 OHM 3W 5% SMT
Radiation Hardened High Frequency Half Bridge Driver 1.5 A HALF BRDG BASED MOSFET DRIVER, CDFP16
Intersil Corporation
Intersil, Corp.
NCP1392BDR2G NCP1392B09 NCP1392D NCP1392DDR2G NCP1 High-Voltage Half-Bridge Driver with Inbuiltc Oscillator
High-Voltage Half-Bridge Driver with Inbuilt Oscillator
ON Semiconductor
BTN7930 BTN7930S BTN7930P High Current PN Half Bridge NovalithIC
42 A HALF BRIDGE BASED PRPHL DRVR, PSFM7
High Current PN Half Bridge NovalithIC?/a>
Infineon Technologies AG
IR03H420 HIGH VOLTAGE HALF-BRIDGE
HIGH VOLTAGE HALF-BRIDGE
M63954P HIGH VOLTAGE HALF BRIDGE DRIVER
Mitsubishi Electric Semiconductor
M81706AFP HIGH VOLTAGE HALF BRIDGE DRIVER
Mitsubishi Electric Semiconductor
M63994P M63994FP HIGH VOLTAGE HALF BRIDGE DRIVER
MITSUBISHI[Mitsubishi Electric Semiconductor]
M81700FP HIGH VOLTAGE HALF BRIDGE DRIVER
MITSUBISHI[Mitsubishi Electric Semiconductor]
M81716FP HIGH VOLTAGE HALF BRIDGE DRIVER
Mitsubishi Electric Semiconductor
IR01D420 IR01D214 (IR01H(D)xxx) HIGH VOLTAGE HALF BRIDGE
(IR01H(D)xxx) HIGH VOLTAGE HALF BRIDGE
International Rectifier
M81019FP 1200V HIGH VOLTAGE HALF BRIDGE DRIVER
Mitsubishi Electric Semiconductor
 
 Related keyword From Full Text Search System
M81712FP state M81712FP ac/dc eurocard M81712FP vcc M81712FP advantech pdf M81712FP rectifier
M81712FP size M81712FP Dual M81712FP Phase M81712FP Megabit M81712FP max
 

 

Price & Availability of M81712FP

All Rights Reserved © IC-ON-LINE 2003 - 2022  

[Add Bookmark] [Contact Us] [Link exchange] [Privacy policy]
Mirror Sites :  [www.datasheet.hk]   [www.maxim4u.com]  [www.ic-on-line.cn] [www.ic-on-line.com] [www.ic-on-line.net] [www.alldatasheet.com.cn] [www.gdcy.com]  [www.gdcy.net]


 . . . . .
  We use cookies to deliver the best possible web experience and assist with our advertising efforts. By continuing to use this site, you consent to the use of cookies. For more information on cookies, please take a look at our Privacy Policy. X
0.064052820205688