Part Number Hot Search : 
2SC3031 MBRD320 PC2501 TT8U2 2SC1324 20WHK GFC140 24M10
Product Description
Full Text Search

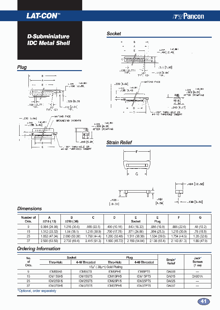
IDM25ST5 - 25 CONTACT(S), FEMALE, D SUBMINIATURE CONNECTOR, IDC, SOCKET

IDM25ST5_6621984.PDF Datasheet


 Full text search : 25 CONTACT(S), FEMALE, D SUBMINIATURE CONNECTOR, IDC, SOCKET
 Product Description search : 25 CONTACT(S), FEMALE, D SUBMINIATURE CONNECTOR, IDC, SOCKET


 Related Part Number
PART Description Maker
M80-4C13042F1-02-325-00-000 Datamate 2-Row Mix-Tek Female Crimp Connector, Hexagonal jackscrews, 30 x Small bore signal contacts, 2 x 12 AWG Power contacts 32 CONTACT(S), FEMALE, TWO PART BOARD CONNECTOR, CRIMP
Harwin PLC
M80-4C10405F1-02-325-00-000 Datamate 2-Row Mix-Tek Female Crimp Connector, Hexagonal jackscrews, 4 x Small bore signal contacts, 2 x 12 AWG Power contacts 6 CONTACT(S), FEMALE, TWO PART BOARD CONNECTOR, CRIMP
Harwin PLC
M80-4C12005F1-02-327-02-327 Datamate 2-Row Mix-Tek Female Crimp Connector, Hexagonal jackscrews, 20 x Small bore signal contacts, 4 x 16 AWG Power contacts
HARWIN INC
M80-4C10805F2-02-325-00-000 Datamate 2-Row Mix-Tek Female Crimp Connector, Hex Socket jackscrews, 8 x Small bore signal contacts, 2 x 12 AWG Power contacts
HARWIN INC
M83-LFC1FBN19-0101-325 Datamate 3-Row Mix-Tek Female Crimp Connector, Hex Socket jackscrews with extended guide, 19 x Small bore signal contacts, 2 x 12 AWG Power contacts
HARWIN INC
50-84-2122 50-84-2020 50-84-2061 50-84-2091 MLX CAP 12CKT WHITE 94V0 4202212C 12 CONTACT(S), MALE AND FEMALE, POWER CONNECTOR, CRIMP, RECEPTACLE
Header Connector,Cable Mnt,PLG/RCP,2 Contacts,PIN/SKT,0.25 Pitch,CRIMP Terminal,POLARIZED LCK RoHS Compliant: Yes 2 CONTACT(S), MALE AND FEMALE, POWER CONNECTOR, CRIMP, RECEPTACLE
Header; No. of Contacts:6; Pitch Spacing:0.25"; No. of Rows:1; Gender:Female; Series:MLX; Body Material:Nylon 6/6 6 CONTACT(S), MALE AND FEMALE, POWER CONNECTOR, CRIMP, RECEPTACLE
9 CONTACT(S), MALE AND FEMALE, POWER CONNECTOR, CRIMP, RECEPTACLE
Molex, Inc.
MOLEX INC
15-38-8100 15-38-8180 15-38-8070 15-38-8020 15-38- Connector Housing; Number of Contacts:10; Pitch Spacing:2.54mm; Number of Rows:1; Gender:Receptacle; Series:C-Grid SL; Connector Body Material:Polyester; Contact Termination:Crimp 10 CONTACT(S), FEMALE, FFC/FPC CONNECTOR, CRIMP
SL FFC/FPC Opt G Female Tin 18Ckt 18 CONTACT(S), FEMALE, FFC/FPC CONNECTOR, CRIMP
SL FFC/FPC Opt G Female Tin 7Ckt 7 CONTACT(S), FEMALE, FFC/FPC CONNECTOR, CRIMP
SL FFC/FPC Opt G Female Tin 2Ckt 2 CONTACT(S), FEMALE, FFC/FPC CONNECTOR, CRIMP
SL FFC/FPC Opt G Female Tin 4Ckt 4 CONTACT(S), FEMALE, FFC/FPC CONNECTOR, CRIMP
SL FFC/FPC Opt G Female Tin 12Ckt 12 CONTACT(S), FEMALE, FFC/FPC CONNECTOR, CRIMP
SL FFC/FPC Opt G Female Tin 13Ckt 13 CONTACT(S), FEMALE, FFC/FPC CONNECTOR, CRIMP
SL FFC/FPC Opt G Female Tin 16Ckt 16 CONTACT(S), FEMALE, FFC/FPC CONNECTOR, CRIMP
SL FFC/FPC Opt G Female Tin 23Ckt 23 CONTACT(S), FEMALE, FFC/FPC CONNECTOR, CRIMP
SL FFC/FPC Opt G Female Tin 20Ckt 20 CONTACT(S), FEMALE, FFC/FPC CONNECTOR, CRIMP
SL FFC/FPC Opt G Female 30 SAu 25Ckt 25 CONTACT(S), FEMALE, FFC/FPC CONNECTOR, CRIMP
SL FFC/FPC Opt G Female 15 SAu 20Ckt 20 CONTACT(S), FEMALE, FFC/FPC CONNECTOR, CRIMP
SL FFC/FPC Opt G Female 15 SAu 13Ckt 13 CONTACT(S), FEMALE, FFC/FPC CONNECTOR, CRIMP
SL FFC/FPC Opt G Female 15 SAu 9Ckt 9 CONTACT(S), FEMALE, FFC/FPC CONNECTOR, CRIMP
SL FFC/FPC Opt G Female 15 SAu 14Ckt
SL FFC/FPC Opt G Female 30 SAu 12Ckt
Molex, Inc.
MOLEX INC
19418-0005 Connector; Gender:Female; Number of Contacts:4; Series:MX150L; Color:Black; For Use With:19420; Pitch Spacing:5.84mm; Wire Size (AWG):22-18 4 CONTACT(S), FEMALE, COMBINATION LINE CONNECTOR, CRIMP, RECEPTACLE
Molex, Inc.
3005W5SXX99A30X D-SUB COMBINATION FEMALE 5W5S WITHOUT CONTACTS
CONEC Elektronische Bau...
15-45-3522 15-45-3570 15-45-3624 15-45-3532 15-45- Connector; Number of Contacts:22; Pitch Spacing:0.1"; Number of Rows:2; Mounting Type:PCB; Gender:Header 22 CONTACT(S), FEMALE, STRAIGHT TWO PART BOARD CONNECTOR, SURFACE MOUNT
CGrid VT SMT Rcpt w/peg 15 SAu 70Ckt 70 CONTACT(S), FEMALE, STRAIGHT TWO PART BOARD CONNECTOR, SURFACE MOUNT
Header Connector,PCB Mnt,PLUG,24 Contacts,SKT,0.1 Pitch 24 CONTACT(S), FEMALE, STRAIGHT TWO PART BOARD CONNECTOR, SURFACE MOUNT
CGrid VT SMT Rcpt w/peg 15 SAu 32Ckt 32 CONTACT(S), FEMALE, STRAIGHT TWO PART BOARD CONNECTOR, SURFACE MOUNT
A-71395-0042 42 CONTACT(S), FEMALE, STRAIGHT TWO PART BOARD CONNECTOR, SURFACE MOUNT
15453614
Molex, Inc.
MOLEX INC
 
 Related keyword From Full Text Search System
IDM25ST5 toshiba IDM25ST5 Processor IDM25ST5 fet IDM25ST5 byte IDM25ST5 tdma modulator
IDM25ST5 found IDM25ST5 filtran xfmr IDM25ST5 device IDM25ST5 reset IDM25ST5 sfp configuration
 

 

Price & Availability of IDM25ST5

All Rights Reserved © IC-ON-LINE 2003 - 2022  

[Add Bookmark] [Contact Us] [Link exchange] [Privacy policy]
Mirror Sites :  [www.datasheet.hk]   [www.maxim4u.com]  [www.ic-on-line.cn] [www.ic-on-line.com] [www.ic-on-line.net] [www.alldatasheet.com.cn] [www.gdcy.com]  [www.gdcy.net]


 . . . . .
  We use cookies to deliver the best possible web experience and assist with our advertising efforts. By continuing to use this site, you consent to the use of cookies. For more information on cookies, please take a look at our Privacy Policy. X
0.46312499046326