Part Number Hot Search : 
T48C893 26013 ASI10 44373 YM740 MBR4060W LF357BN RFBC4
Product Description
Full Text Search

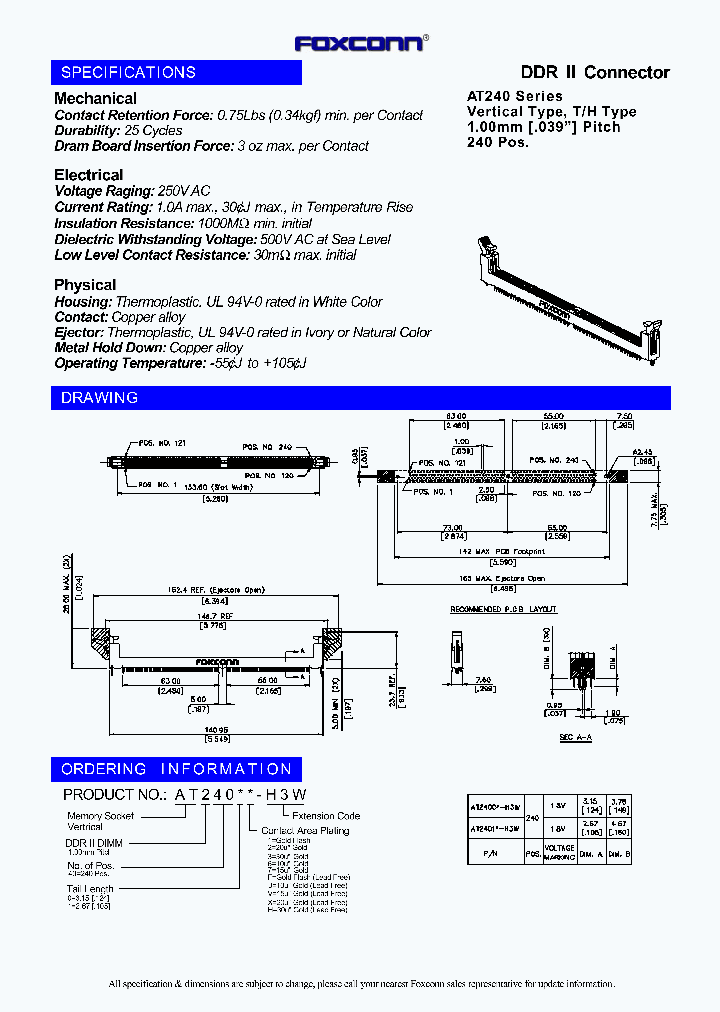
AT24013-H3W - 240 CONTACT(S), FEMALE, STRAIGHT SINGLE PART CARD EDGE CONN, SOLDER

AT24013-H3W_6620519.PDF Datasheet


 Full text search : 240 CONTACT(S), FEMALE, STRAIGHT SINGLE PART CARD EDGE CONN, SOLDER
 Product Description search : 240 CONTACT(S), FEMALE, STRAIGHT SINGLE PART CARD EDGE CONN, SOLDER


 Related Part Number
PART Description Maker
M80-4C13042F1-02-325-00-000 Datamate 2-Row Mix-Tek Female Crimp Connector, Hexagonal jackscrews, 30 x Small bore signal contacts, 2 x 12 AWG Power contacts 32 CONTACT(S), FEMALE, TWO PART BOARD CONNECTOR, CRIMP
Harwin PLC
50-37-5073 50-37-5123 50-37-5023 MOLEXINC-50-37-50 Multipole Connector; Gender:Female; Number of Contacts:7; Series:SPOX; Body Material:Nylon 6/6; Number of Rows:1; Pitch Spacing:0.098" 7 CONTACT(S), FEMALE, STRAIGHT TWO PART BOARD CONNECTOR, CRIMP, RECEPTACLE
Connector Housing; Gender:Female; Number of Contacts:12; Series:5264-N SPOX(TM); Body Material:PA Polyamide (Nylon) 6/6; Connecting Termination:Crimp; Connector Shroud:Yes 12 CONTACT(S), FEMALE, STRAIGHT TWO PART BOARD CONNECTOR, CRIMP, RECEPTACLE
HEADER CONNECTOR,CABLE MNT,PLUG,2 CONTACTS,0.098 PITCH 2 CONTACT(S), FEMALE, STRAIGHT TWO PART BOARD CONNECTOR, CRIMP, RECEPTACLE
Molex, Inc.
050-0 050-010-455A 050-034-455 050-040-455 050-006 6 CONTACT(S), FEMALE, TWO PART EURO CONNECTOR, IDC, SOCKET
Insulation Displacement (IDC) Connector; Number of Contacts:10; Contact Termination:IDC; Gender:Female; Contact Plating:Gold 10 CONTACT(S), FEMALE, TWO PART EURO CONNECTOR, IDC, SOCKET
Insulation Displacement (IDC) Connector; Number of Contacts:40; Contact Termination:IDC; Gender:Female; Contact Plating:Gold; Leaded Process Compatible:Yes 40 CONTACT(S), FEMALE, TWO PART EURO CONNECTOR, IDC, SOCKET
Insulation Displacement (IDC) Connector; No. of Contacts:34; Contact Termination:IDC; Gender:Female; Contact Plating:Gold RoHS Compliant: Yes 34 CONTACT(S), FEMALE, TWO PART EURO CONNECTOR, IDC, SOCKET
6 to 64 contact sockets
ITW Pancon
19418-0010 Connector; Gender:Female; Number of Contacts:6; Series:MX150L; Color:Black; For Use With:19420; Pitch Spacing:5.84mm; Wire Size (AWG):16-14 6 CONTACT(S), FEMALE, COMBINATION LINE CONNECTOR, CRIMP, RECEPTACLE
Molex, Inc.
QSH-120-04-C-D-A 240 CONTACT(S), FEMALE, STRAIGHT BOARD STACKING CONNECTOR, SURFACE MOUNT, SOCKET
SAMTEC INC
26-03-4030 26-03-3031 26-03-4032 26-03-4221 26-03- Connector Housing; Gender:Female; No. of Contacts:3; Series:6442; Body Material:PA Polyamide (Nylon); No. of Rows:1; Pitch Spacing:3.96mm RoHS Compliant: Yes 3 CONTACT(S), FEMALE, TWO PART BOARD CONNECTOR, CRIMP
KK 156 Crimp Housing 03 Ckt 3 CONTACT(S), FEMALE, TWO PART BOARD CONNECTOR, CRIMP
KK 156 Crimp Housing Ramp 03 Ckt 2 CONTACT(S), FEMALE, TWO PART BOARD CONNECTOR
KK 156 Crimp Housing Ramp 22 Ckt 22 CONTACT(S), FEMALE, TWO PART BOARD CONNECTOR, CRIMP
KK 156 Crimp Housing 20 Ckt 20 CONTACT(S), FEMALE, TWO PART BOARD CONNECTOR, CRIMP
KK 156 Crimp Housing 09 Ckt 9 CONTACT(S), FEMALE, TWO PART BOARD CONNECTOR, CRIMP
KK 156 Crimp Housing 11 Ckt 11 CONTACT(S), FEMALE, TWO PART BOARD CONNECTOR, CRIMP
Header Connector,Cable Mnt,PLUG,16 Contacts,SKT,0.156 Pitch,POLARIZED LCK 16 CONTACT(S), FEMALE, TWO PART BOARD CONNECTOR, CRIMP
KK 156 Crimp Housing 24 Ckt 24 CONTACT(S), FEMALE, TWO PART BOARD CONNECTOR, CRIMP
Connector Housing; Gender:Female; No. of Contacts:24; Series:6442; Body Material:PA Polyamide (Nylon); No. of Rows:1; Pitch Spacing:3.96mm 24 CONTACT(S), FEMALE, TWO PART BOARD CONNECTOR, CRIMP
KK 156 Crimp Housing 04 Ckt 4 CONTACT(S), FEMALE, TWO PART BOARD CONNECTOR, CRIMP
Header Connector,Cable Mnt,PLUG,4 Contacts,SKT,0.156 Pitch,POLARIZED LCK 4 CONTACT(S), FEMALE, TWO PART BOARD CONNECTOR, CRIMP
KK 156 Crimp Housing Ramp 10 Ckt 9 CONTACT(S), FEMALE, TWO PART BOARD CONNECTOR
KK 156 Crimp Housing Ramp 11 Ckt 10 CONTACT(S), FEMALE, TWO PART BOARD CONNECTOR
Header Connector,Cable Mnt,PLUG,13 Contacts,SKT,0.156 Pitch,POLARIZED LCK 13 CONTACT(S), FEMALE, TWO PART BOARD CONNECTOR, CRIMP
Header Connector,Cable Mnt,PLUG,18 Contacts,SKT,0.156 Pitch,POLARIZED LCK 18 CONTACT(S), FEMALE, TWO PART BOARD CONNECTOR, CRIMP
KK 156 Crimp Housing 15 Ckt 15 CONTACT(S), FEMALE, TWO PART BOARD CONNECTOR, CRIMP
KK 156 Crimp Housing 13 Ckt 13 CONTACT(S), FEMALE, TWO PART BOARD CONNECTOR, CRIMP
KK 156 Crimp Housing 06 Ckt 6 CONTACT(S), FEMALE, TWO PART BOARD CONNECTOR, CRIMP
KK 156 Crimp Housing 07 Ckt 7 CONTACT(S), FEMALE, TWO PART BOARD CONNECTOR, CRIMP
Molex, Inc.
MOLEX INC
ATH4003-H3B-4F 240 CONTACT(S), FEMALE, STRAIGHT SINGLE PART CARD EDGE CONN, SOLDER, SOCKET
HON HAI PRECISION INDUSTRY CO LTD
ATH4017-H9B-4F ATH4001-H96-4F 240 CONTACT(S), FEMALE, STRAIGHT SINGLE PART CARD EDGE CONN, SOLDER, SOCKET
HON HAI PRECISION INDUSTRY CO LTD
AU04012-R3-4F 240 CONTACT(S), FEMALE, RIGHT ANGLE SINGLE PART CARD EDGE CONN, SOLDER, SOCKET
HON HAI PRECISION INDUSTRY CO LTD
AT24012-H3W-4F 240 CONTACT(S), FEMALE, STRAIGHT SINGLE PART CARD EDGE CONN, SOLDER, SOCKET
HON HAI PRECISION INDUSTRY CO LTD
AT24002-H3E AT24013-H3E AT24006-H3E 240 CONTACT(S), FEMALE, STRAIGHT SINGLE PART CARD EDGE CONN, SOLDER, SOCKET
HON HAI PRECISION INDUSTRY CO LTD
 
 Related keyword From Full Text Search System
AT24013-H3W 中文简介 AT24013-H3W ptc data AT24013-H3W Signal AT24013-H3W protection AT24013-H3W ascel
AT24013-H3W Crystals AT24013-H3W availability AT24013-H3W hitachi AT24013-H3W Temperature AT24013-H3W Vbe(on)
 

 

Price & Availability of AT24013-H3W

All Rights Reserved © IC-ON-LINE 2003 - 2022  

[Add Bookmark] [Contact Us] [Link exchange] [Privacy policy]
Mirror Sites :  [www.datasheet.hk]   [www.maxim4u.com]  [www.ic-on-line.cn] [www.ic-on-line.com] [www.ic-on-line.net] [www.alldatasheet.com.cn] [www.gdcy.com]  [www.gdcy.net]


 . . . . .
  We use cookies to deliver the best possible web experience and assist with our advertising efforts. By continuing to use this site, you consent to the use of cookies. For more information on cookies, please take a look at our Privacy Policy. X
0.037308931350708