Part Number Hot Search : 
SC9711 RT8101A SI9434DY 601HR010 NJU6413A SFT13 8631ZGD3 07N60C
Product Description
Full Text Search

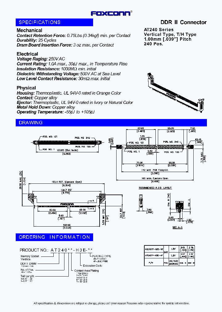
AT24001-H3E-4F - 240 CONTACT(S), FEMALE, STRAIGHT SINGLE PART CARD EDGE CONN, SOLDER, SOCKET

AT24001-H3E-4F_6610128.PDF Datasheet


 Full text search : 240 CONTACT(S), FEMALE, STRAIGHT SINGLE PART CARD EDGE CONN, SOLDER, SOCKET
 Product Description search : 240 CONTACT(S), FEMALE, STRAIGHT SINGLE PART CARD EDGE CONN, SOLDER, SOCKET


 Related Part Number
PART Description Maker
70AAJ-2-F0 70AAJ-5-F1 70AAJ-3-F0 70AAJ-2-F1 70AAJ- CONN MOD 2 POS FEMALE SMD PCB CONNECTOR
CONN MOD 5 POS FEMALE SMD PCB CONNECTOR
Battery Holder; Body Material:Glass-Filled Thermoplastic; Contact Plating:Copper Alloy; For Use With:Handheld communications; Leaded Process Compatible:Yes; Terminal Type:PCB Surface Mount PCB CONNECTOR
Modular Contacts 2.54mm 6Pin Female Standard Pins PCB CONNECTOR
Modular Contacts 2.54mm 6Pin Female Locating Pins
CONN MOD 4 POS FEMALE SMD
Modular Contacts 2.54mm 4Pin Female Standard Pins
AVX, Corp.
Bourns, Inc.
BOURNS INC
M80-4D11405F2-04-325-02-325 Datamate 2-Row Mix-Tek Female Crimp Connector, Hex Socket jackscrews, 14 x Large bore signal contacts, 6 x 12 AWG Power contacts
HARWIN INC
M80-4D11205F2-03-327-00-000 Datamate 2-Row Mix-Tek Female Crimp Connector, Hex Socket jackscrews, 12 x Large bore signal contacts, 3 x 16 AWG Power contacts
HARWIN INC
39-01-2225 39-01-2025 Header; Number of Contacts:22; Pitch Spacing:0.165"; Number of Rows:2; Gender:Female; Series:Mini-Fit Jr. 5557; Body Material:Nylon 6/6 22 CONTACT(S), FEMALE, POWER CONNECTOR, RECEPTACLE
Multipole Connector; Gender:Female; Number of Contacts:2; Body Material:PA Polyamide (Nylon); Connecting Termination:Crimp; Mounting Type:Header; Operating Temp. Min:-40 C; Pitch Spacing:4.2mm; Voltage Rating:600V
Molex, Inc.
MOLEX INC
15-87-0205 Connector; No. of Contacts:68; Mounting Type:PCB; Gender:Female; No. of Rows:2; Pitch Spacing:0.05" 68 CONTACT(S), FEMALE, TELECOM AND DATACOM CONNECTOR, SOLDER, RECEPTACLE
Molex, Inc.
15-04-5221 15-04-5184 15-04-5424 15-04-5421 15-04- SL ItmCp DR O/Ribs 22Ckt 22 CONTACT(S), FEMALE, TWO PART BOARD CONNECTOR
SL ItmCp DR W/Ribs 18Ckt 18 CONTACT(S), FEMALE, TWO PART BOARD CONNECTOR
SL ItmCp DR W/Ribs 42Ckt 42 CONTACT(S), FEMALE, TWO PART BOARD CONNECTOR
SL ItmCp DR O/Ribs 42Ckt 42 CONTACT(S), FEMALE, TWO PART BOARD CONNECTOR
SL ItmCp DR O/Ribs 24Ckt 24 CONTACT(S), FEMALE, TWO PART BOARD CONNECTOR
SL ItmCp DR W/Ribs 38Ckt 38 CONTACT(S), FEMALE, TWO PART BOARD CONNECTOR
SL ItmCp DR W/Ribs 44Ckt 44 CONTACT(S), FEMALE, TWO PART BOARD CONNECTOR
SL ItmCp DR W/Ribs 34Ckt 34 CONTACT(S), FEMALE, TWO PART BOARD CONNECTOR
SL ItmCp DR O/Ribs 36Ckt 36 CONTACT(S), FEMALE, TWO PART BOARD CONNECTOR
SL ItmCp DR W/Ribs 36Ckt 36 CONTACT(S), FEMALE, TWO PART BOARD CONNECTOR
15045181 18 CONTACT(S), FEMALE, TWO PART BOARD CONNECTOR
Multipole Connector; Number of Contacts:50; Series:SL; Body Material:Polyester; Number of Rows:2 50 CONTACT(S), FEMALE, TWO PART BOARD CONNECTOR
15045341 34 CONTACT(S), FEMALE, TWO PART BOARD CONNECTOR
Clip; For Use With:Dual row panel mount or headers; Connector Body Material:Polyester; Mounting Type:Panel Mount; No. of Contacts:40; Series:SL RoHS Compliant: Yes 40 CONTACT(S), FEMALE, TWO PART BOARD CONNECTOR
Clip; For Use With:Dual row panel mount or headers; Connector Body Material:Polyester; Mounting Type:Panel Mount; Number of Contacts:12; Series:SL
SL ItmCp DR O/Ribs 38Ckt
SL ItmCp DR W/Ribs 30Ckt
Molex, Inc.
MOLEX INC
15-38-8100 15-38-8180 15-38-8070 15-38-8020 15-38- Connector Housing; Number of Contacts:10; Pitch Spacing:2.54mm; Number of Rows:1; Gender:Receptacle; Series:C-Grid SL; Connector Body Material:Polyester; Contact Termination:Crimp 10 CONTACT(S), FEMALE, FFC/FPC CONNECTOR, CRIMP
SL FFC/FPC Opt G Female Tin 18Ckt 18 CONTACT(S), FEMALE, FFC/FPC CONNECTOR, CRIMP
SL FFC/FPC Opt G Female Tin 7Ckt 7 CONTACT(S), FEMALE, FFC/FPC CONNECTOR, CRIMP
SL FFC/FPC Opt G Female Tin 2Ckt 2 CONTACT(S), FEMALE, FFC/FPC CONNECTOR, CRIMP
SL FFC/FPC Opt G Female Tin 4Ckt 4 CONTACT(S), FEMALE, FFC/FPC CONNECTOR, CRIMP
SL FFC/FPC Opt G Female Tin 12Ckt 12 CONTACT(S), FEMALE, FFC/FPC CONNECTOR, CRIMP
SL FFC/FPC Opt G Female Tin 13Ckt 13 CONTACT(S), FEMALE, FFC/FPC CONNECTOR, CRIMP
SL FFC/FPC Opt G Female Tin 16Ckt 16 CONTACT(S), FEMALE, FFC/FPC CONNECTOR, CRIMP
SL FFC/FPC Opt G Female Tin 23Ckt 23 CONTACT(S), FEMALE, FFC/FPC CONNECTOR, CRIMP
SL FFC/FPC Opt G Female Tin 20Ckt 20 CONTACT(S), FEMALE, FFC/FPC CONNECTOR, CRIMP
SL FFC/FPC Opt G Female 30 SAu 25Ckt 25 CONTACT(S), FEMALE, FFC/FPC CONNECTOR, CRIMP
SL FFC/FPC Opt G Female 15 SAu 20Ckt 20 CONTACT(S), FEMALE, FFC/FPC CONNECTOR, CRIMP
SL FFC/FPC Opt G Female 15 SAu 13Ckt 13 CONTACT(S), FEMALE, FFC/FPC CONNECTOR, CRIMP
SL FFC/FPC Opt G Female 15 SAu 9Ckt 9 CONTACT(S), FEMALE, FFC/FPC CONNECTOR, CRIMP
SL FFC/FPC Opt G Female 15 SAu 14Ckt
SL FFC/FPC Opt G Female 30 SAu 12Ckt
Molex, Inc.
MOLEX INC
19418-0010 Connector; Gender:Female; Number of Contacts:6; Series:MX150L; Color:Black; For Use With:19420; Pitch Spacing:5.84mm; Wire Size (AWG):16-14 6 CONTACT(S), FEMALE, COMBINATION LINE CONNECTOR, CRIMP, RECEPTACLE
Molex, Inc.
87705-6210 87705-6232 240 CONTACT(S), FEMALE, STRAIGHT SINGLE PART CARD EDGE CONN, SOLDER
MOLEX INC
AT2400J-D3 240 CONTACT(S), FEMALE, STRAIGHT SINGLE PART CARD EDGE CONN, SOLDER
HON HAI PRECISION INDUSTRY CO LTD
26-03-4030 26-03-3031 26-03-4032 26-03-4221 26-03- Connector Housing; Gender:Female; No. of Contacts:3; Series:6442; Body Material:PA Polyamide (Nylon); No. of Rows:1; Pitch Spacing:3.96mm RoHS Compliant: Yes 3 CONTACT(S), FEMALE, TWO PART BOARD CONNECTOR, CRIMP
KK 156 Crimp Housing 03 Ckt 3 CONTACT(S), FEMALE, TWO PART BOARD CONNECTOR, CRIMP
KK 156 Crimp Housing Ramp 03 Ckt 2 CONTACT(S), FEMALE, TWO PART BOARD CONNECTOR
KK 156 Crimp Housing Ramp 22 Ckt 22 CONTACT(S), FEMALE, TWO PART BOARD CONNECTOR, CRIMP
KK 156 Crimp Housing 20 Ckt 20 CONTACT(S), FEMALE, TWO PART BOARD CONNECTOR, CRIMP
KK 156 Crimp Housing 09 Ckt 9 CONTACT(S), FEMALE, TWO PART BOARD CONNECTOR, CRIMP
KK 156 Crimp Housing 11 Ckt 11 CONTACT(S), FEMALE, TWO PART BOARD CONNECTOR, CRIMP
Header Connector,Cable Mnt,PLUG,16 Contacts,SKT,0.156 Pitch,POLARIZED LCK 16 CONTACT(S), FEMALE, TWO PART BOARD CONNECTOR, CRIMP
KK 156 Crimp Housing 24 Ckt 24 CONTACT(S), FEMALE, TWO PART BOARD CONNECTOR, CRIMP
Connector Housing; Gender:Female; No. of Contacts:24; Series:6442; Body Material:PA Polyamide (Nylon); No. of Rows:1; Pitch Spacing:3.96mm 24 CONTACT(S), FEMALE, TWO PART BOARD CONNECTOR, CRIMP
KK 156 Crimp Housing 04 Ckt 4 CONTACT(S), FEMALE, TWO PART BOARD CONNECTOR, CRIMP
Header Connector,Cable Mnt,PLUG,4 Contacts,SKT,0.156 Pitch,POLARIZED LCK 4 CONTACT(S), FEMALE, TWO PART BOARD CONNECTOR, CRIMP
KK 156 Crimp Housing Ramp 10 Ckt 9 CONTACT(S), FEMALE, TWO PART BOARD CONNECTOR
KK 156 Crimp Housing Ramp 11 Ckt 10 CONTACT(S), FEMALE, TWO PART BOARD CONNECTOR
Header Connector,Cable Mnt,PLUG,13 Contacts,SKT,0.156 Pitch,POLARIZED LCK 13 CONTACT(S), FEMALE, TWO PART BOARD CONNECTOR, CRIMP
Header Connector,Cable Mnt,PLUG,18 Contacts,SKT,0.156 Pitch,POLARIZED LCK 18 CONTACT(S), FEMALE, TWO PART BOARD CONNECTOR, CRIMP
KK 156 Crimp Housing 15 Ckt 15 CONTACT(S), FEMALE, TWO PART BOARD CONNECTOR, CRIMP
KK 156 Crimp Housing 13 Ckt 13 CONTACT(S), FEMALE, TWO PART BOARD CONNECTOR, CRIMP
KK 156 Crimp Housing 06 Ckt 6 CONTACT(S), FEMALE, TWO PART BOARD CONNECTOR, CRIMP
KK 156 Crimp Housing 07 Ckt 7 CONTACT(S), FEMALE, TWO PART BOARD CONNECTOR, CRIMP
Molex, Inc.
MOLEX INC
AT54002-H3BF-4F 240 CONTACT(S), FEMALE, STRAIGHT SINGLE PART CARD EDGE CONN, SOLDER, SOCKET
HON HAI PRECISION INDUSTRY CO LTD
 
 Related keyword From Full Text Search System
AT24001-H3E-4F taping code AT24001-H3E-4F control AT24001-H3E-4F Package AT24001-H3E-4F epitaxial AT24001-H3E-4F Control
AT24001-H3E-4F usb-hs otg AT24001-H3E-4F atmel AT24001-H3E-4F regulation AT24001-H3E-4F Device AT24001-H3E-4F Table
 

 

Price & Availability of AT24001-H3E-4F

All Rights Reserved © IC-ON-LINE 2003 - 2022  

[Add Bookmark] [Contact Us] [Link exchange] [Privacy policy]
Mirror Sites :  [www.datasheet.hk]   [www.maxim4u.com]  [www.ic-on-line.cn] [www.ic-on-line.com] [www.ic-on-line.net] [www.alldatasheet.com.cn] [www.gdcy.com]  [www.gdcy.net]


 . . . . .
  We use cookies to deliver the best possible web experience and assist with our advertising efforts. By continuing to use this site, you consent to the use of cookies. For more information on cookies, please take a look at our Privacy Policy. X
0.0294349193573