Part Number Hot Search : 
BB81407 TRR01 LBN090 144865 IXDN604 63LV1024 CXA2032Q 33ZGE
Product Description
Full Text Search

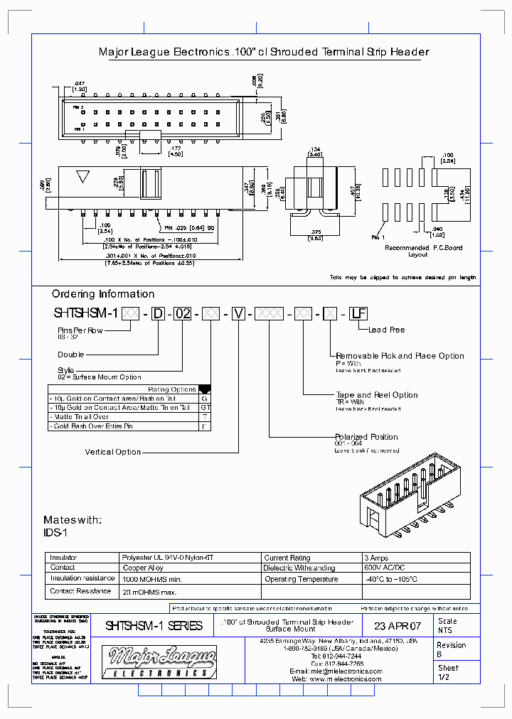
SHTSHSM-1 - .100 cl Shrouded Terminal Strip Header Surface Mount

SHTSHSM-1_6175996.PDF Datasheet


 Full text search : .100 cl Shrouded Terminal Strip Header Surface Mount
 Product Description search : .100 cl Shrouded Terminal Strip Header Surface Mount


 Related Part Number
PART Description Maker
SHTSHSM-1 .100 cl Shrouded Terminal Strip Header Surface Mount
Major League Electronics
09-07-5038 3.96mm (.156) KK? IDT Double Cantilever Contact, 3 Circuits, Tin (Sn), Feed-To, 24 and 22 Solid or Fused Stranded, and 22 Stranded, Black ID Stri
Molex Electronics Ltd.
0918143118 91814-3118 2.54mm (.100) Pitch C-Grid III Dual Row Right Angle Shrouded Header
2.54mm (.100) Pitch C-Grid III?/a> Dual Row Right Angle Shrouded Header
2.54mm (.100") Pitch C-Grid III垄芒 Dual Row Right Angle Shrouded Header
Molex Electronics Ltd.
0906634403 90663-4403 2.54mm (.100) Pitch QF-50?Right Angle, MIL Keying with Latch/Eject Levers, Shrouded Header
2.54mm (.100") Pitch QF-50?⒁ight Angle, MIL Keying with Latch/Eject Levers, Shrouded Header
MOLEX Connector
Molex Electronics Ltd.
90136-2210 2.54mm (.100) Pitch C-Grid III Header, Single Row, Right Angle, Shrouded, 10 Circuits, 0.38μm (15μ) Gold (Au) Selective Plating
2.54mm (.100) Pitch C-Grid III垄芒 Header, Single Row, Right Angle, Shrouded, 10 Circuits, 0.38楼矛m (15楼矛) Gold (Au) Selective Plating
Molex Electronics Ltd.
010-18-1033 0010-18-1033 001018-1033 0010181033 2.36mm Diameter Standard .093 Pin and Socket Header, Shrouded, 3 Circuits, 1 Female Terminal, 2 Male Terminals
Molex Electronics Ltd.
15-80-0081 A-70567-0002 0015800081 705670002 2.54mm (.100) Pitch C-Grid? Header, Through Hole without Peg, Dual Row, Vertical, Shrouded, High Temperature, 8 Circuits, Tin (Sn) Plating
2.54mm (.100) Pitch C-Grid庐 Header, Through Hole without Peg, Dual Row, Vertical, Shrouded, High Temperature, 8 Circuits, Tin (Sn) Plating
2.54mm (.100) Pitch C-Grid垄莽 Header, Through Hole without Peg, Dual Row, Vertical, Shrouded, High Temperature, 8 Circuits, Tin (Sn) Plating
Molex Electronics Ltd.
Molex Electronics Ltd.
15-80-0121 A-70567-0004 0015800121 705670004 2.54mm (.100) Pitch C-Grid? Header, Through Hole without Peg, Dual Row, Vertical, Shrouded, High Temperature, 12 Circuits, Tin (Sn) Plating
2.54mm (.100) Pitch C-Grid庐 Header, Through Hole without Peg, Dual Row, Vertical, Shrouded, High Temperature, 12 Circuits, Tin (Sn) Plating
2.54mm (.100) Pitch C-Grid垄莽 Header, Through Hole without Peg, Dual Row, Vertical, Shrouded, High Temperature, 12 Circuits, Tin (Sn) Plating
Molex Electronics Ltd.
Molex Electronics Ltd.
15-80-0141 A-70567-0005 0015800141 705670005 2.54mm (.100) Pitch C-Grid? Header, Through Hole without Peg, Dual Row, Vertical, Shrouded, High Temperature, 14 Circuits, Tin (Sn) Plating
2.54mm (.100) Pitch C-Grid庐 Header, Through Hole without Peg, Dual Row, Vertical, Shrouded, High Temperature, 14 Circuits, Tin (Sn) Plating
2.54mm (.100) Pitch C-Grid垄莽 Header, Through Hole without Peg, Dual Row, Vertical, Shrouded, High Temperature, 14 Circuits, Tin (Sn) Plating
Molex Electronics Ltd.
Molex Electronics Ltd.
15-80-0125 0015800125 70567-0140 2.54mm (.100) Pitch C-Grid? Header, Through Hole without Peg, Dual Row, Vertical, Shrouded, High Temperature, 12 Circuits, 0.76μm (30μ) Gold (Au) Selective Plating
2.54mm (.100) Pitch C-Grid庐 Header, Through Hole without Peg, Dual Row, Vertical, Shrouded, High Temperature, 12 Circuits, 0.76渭m (30渭") Gold (Au) Selective Pla
Molex Electronics Ltd.
Molex Electronics Ltd.
0025021040 25-02-1040 2.54mm (.100") Pitch C-Grid庐 Header, Dual Row, Shrouded, with PC Slot and Guide Ear, 40 Circuits, 0.76渭m (30渭") Gold (Au) Selective Plating
2.54mm (.100) Pitch C-Grid? Header, Dual Row, Shrouded, with PC Slot and Guide Ear, 40 Circuits, 0.76μm (30μ) Gold (Au) Selective Plating
Molex Electronics Ltd.
0741620244 74162-0244 2.54mm (.100") Pitch C-Grid庐 Receptacle, Right Angle, Through Hole, Dual Row,Shrouded, Version A, High-Temperature, 44 Circuits, 0.4渭m (15渭") Gold (Au)
2.54mm (.100) Pitch C-Grid? Receptacle, Right Angle, Through Hole, Dual Row,Shrouded, Version A, High-Temperature, 44 Circuits, 0.4μm (15μ) Gold (Au)
Molex Electronics Ltd.
 
 Related keyword From Full Text Search System
SHTSHSM-1 level SHTSHSM-1 lcd SHTSHSM-1 preis SHTSHSM-1 参数比较 SHTSHSM-1 Gain
SHTSHSM-1 Clock SHTSHSM-1 technology SHTSHSM-1 SHTSHSM-1 Noise SHTSHSM-1 international
 

 

Price & Availability of SHTSHSM-1

All Rights Reserved © IC-ON-LINE 2003 - 2022  

[Add Bookmark] [Contact Us] [Link exchange] [Privacy policy]
Mirror Sites :  [www.datasheet.hk]   [www.maxim4u.com]  [www.ic-on-line.cn] [www.ic-on-line.com] [www.ic-on-line.net] [www.alldatasheet.com.cn] [www.gdcy.com]  [www.gdcy.net]


 . . . . .
  We use cookies to deliver the best possible web experience and assist with our advertising efforts. By continuing to use this site, you consent to the use of cookies. For more information on cookies, please take a look at our Privacy Policy. X
0.086059093475342