Part Number Hot Search : 
0GB20DPB HU362WA 601HR010 MMSZ5227 PT50M FPZ140 D5V0X C0810
Product Description
Full Text Search

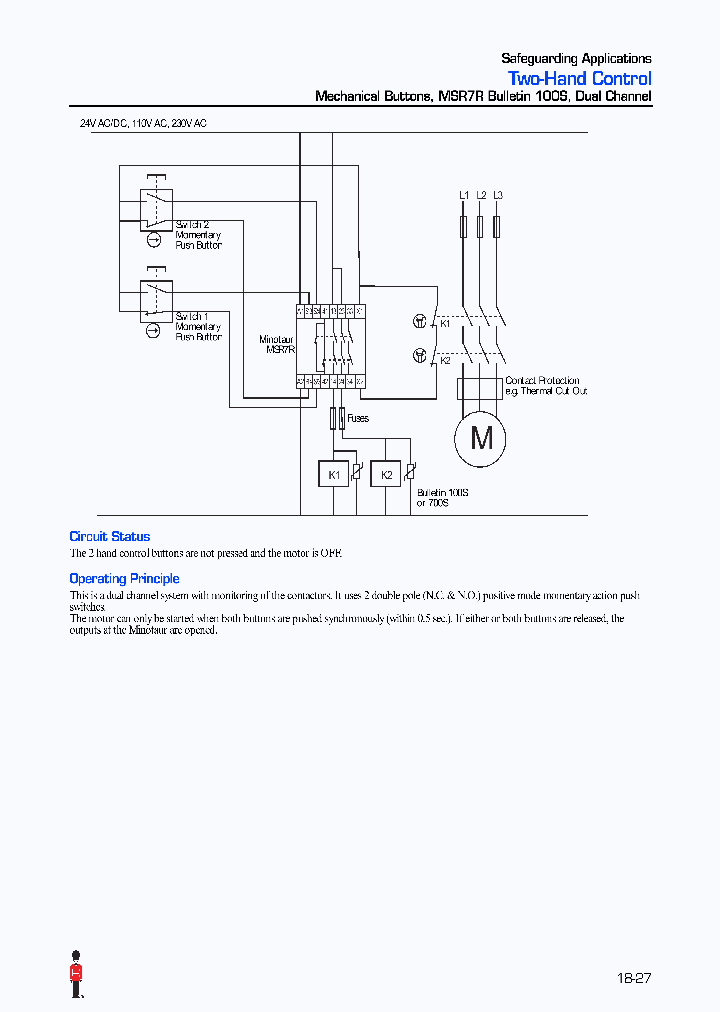
MSR7R1 - Two-Hand Control

MSR7R1_6083680.PDF Datasheet


 Full text search : Two-Hand Control
 Product Description search : Two-Hand Control


 Related Part Number
PART Description Maker
FT500DL FT500DL-24 FT500DL-4 FT500DL-20 FT500DL-16 Phase control SCR. 500A, 400V.
Phase Control SCR 500 Amperes Avg 200-1400 Volts
Phase control SCR. 500A, 1200V.
Phase control SCR. 500A, 200V.
Phase control SCR. 500A, 1000V.
Phase control SCR. 500A, 800V.
Phase control SCR. 500A, 300V.
Phase control SCR. 500A, 500V.
Phase control SCR. 500A, 600V.
Phase control SCR. 500A, 1400V.
Powerex Power Semiconductor...
POWEREX[Powerex Power Semiconductors]
DCR1595SW50 DCR1596SW DCR1595SW48 DCR1595SW47 DCR1 4900V phase control thyristor
5200V phase control thyristor
5100V phase control thyristor
5000V phase control thyristor
Phase Control Thyristor 4487 A, 4800 V, SCR
Phase Control Thyristor 相位控制晶闸
4700V phase control thyristor
DYNEX[Dynex Semiconductor]
Dynex Semiconductor, Ltd.
ZL10355 ZL10355QCG1 ZL10355QCF1 Nordig Unified DVB-T COFDM Terrestrial Demodulator for PC-TV and Hand-held Digital TV(DTV) SPECIALTY CONSUMER CIRCUIT, PQFP64
Nordig Unified DVB-T COFDM Terrestrial Demodulator for PC-TV and Hand-held Digital TV(DTV) NorDig统一的DVB - T的COFDM地面解调器为PC - TV和手持式数字电视(DTV
Zarlink Semiconductor Inc.
Zarlink Semiconductor, Inc.
11-01-0068 011-01-0068 011010068 01101-0068 0011-0 Hand Crimper
Molex Electronics Ltd.
SDKTH-1000 HAND CRIMP TOOL
Winchester Electronics Corporation
0640030700 Hand Crimp Tool
Molex Electronics Ltd.
43374-0001 43375-0001 43178-1001 43178-1002 43178- HAND CRIMP TOOL
Molex Electronics Ltd.
EDS8-47N HAND-HELD COMMUNICATOR < HHC >
Fuji Electric
64001-0100 PremiumGrade Hand Crimp Tool
Molex Electronics Ltd.
STS-M-179-2030-13 Straight Action Hand Tool
Samtec, Inc
DHCR15 LD Terminals, Hand Tools & Accessories
List of Unclassifed Manufacturers
 
 Related keyword From Full Text Search System
MSR7R1 Processor MSR7R1 noise MSR7R1 Derating Rule MSR7R1 データシート MSR7R1 查询
MSR7R1 Adjustable MSR7R1 configuration MSR7R1 21 ic on line MSR7R1 cost MSR7R1 Driver
 

 

Price & Availability of MSR7R1

All Rights Reserved © IC-ON-LINE 2003 - 2022  

[Add Bookmark] [Contact Us] [Link exchange] [Privacy policy]
Mirror Sites :  [www.datasheet.hk]   [www.maxim4u.com]  [www.ic-on-line.cn] [www.ic-on-line.com] [www.ic-on-line.net] [www.alldatasheet.com.cn] [www.gdcy.com]  [www.gdcy.net]


 . . . . .
  We use cookies to deliver the best possible web experience and assist with our advertising efforts. By continuing to use this site, you consent to the use of cookies. For more information on cookies, please take a look at our Privacy Policy. X
0.24297285079956