Part Number Hot Search : 
BPV23 OM6101ST GS1086 ST486DX HAL206 HC573 SDA20 TP4N50
Product Description
Full Text Search

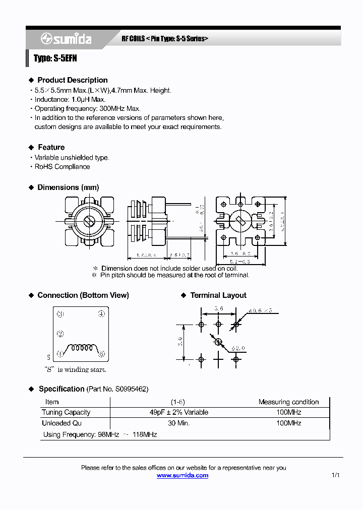
S-5EFN - RF COILS

S-5EFN_5876854.PDF Datasheet


 Full text search : RF COILS
 Product Description search : RF COILS


 Related Part Number
PART Description Maker
TCACL0.83.18.5 TCACR0.83.18.5 TCAC Air Coils Inductors Spring Coils
Token Electronics Industry Co., Ltd.
CTCH875F-102K CTCH875F-182K CTCH875F CTCH875F-100M Peaking Coils - Radial
1 ELEMENT, 10 uH, GENERAL PURPOSE INDUCTOR
   Peaking Coils - Radial
Central Technologies
FB-7LDG 5333-T006 1 FUNCTIONS, DATA LINE FILTER
Filter Coils Pin Type: FB Series
Filter Coils < Pin Type: FB Series>
Sumida Corporation
http://
FB-7LG 5326-T039 1 FUNCTIONS, DATA LINE FILTER
Filter Coils Pin Type: FB Series
Filter Coils < Pin Type: FB Series>
Sumida Corporation
http://
VLS252010T-4R7M VLS252010T-R47N SMD Inductors(Coils) For Power Line(Wound, Magnetic Shielded)
SMD Inductors(Coils) For Power Line(Wound, Magnetic Shieded)
TDK Electronics
S-7LFN RF COILS
Sumida Corporation
S-7GC RF COILS
Sumida Corporation
S-5E RF COILS
Sumida Corporation
QU-10W Filter COILS
Sumida Corporation
SM-10C IFT COILS
Sumida Corporation
 
 Related keyword From Full Text Search System
S-5EFN memory S-5EFN Engine S-5EFN GaAs Hall Device S-5EFN Channel S-5EFN Switch
S-5EFN usb circuit diagram S-5EFN Data S-5EFN data S-5EFN varactor S-5EFN pulse
 

 

Price & Availability of S-5EFN

All Rights Reserved © IC-ON-LINE 2003 - 2022  

[Add Bookmark] [Contact Us] [Link exchange] [Privacy policy]
Mirror Sites :  [www.datasheet.hk]   [www.maxim4u.com]  [www.ic-on-line.cn] [www.ic-on-line.com] [www.ic-on-line.net] [www.alldatasheet.com.cn] [www.gdcy.com]  [www.gdcy.net]


 . . . . .
  We use cookies to deliver the best possible web experience and assist with our advertising efforts. By continuing to use this site, you consent to the use of cookies. For more information on cookies, please take a look at our Privacy Policy. X
0.41327595710754