Part Number Hot Search : 
PTF10160 54180 NDP4060 XL2596 15108EI 12LCT 70EG01 M79C9
Product Description
Full Text Search

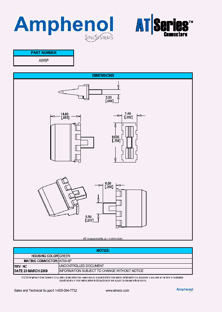
AW8P - HOUSING COLOR GREEN

AW8P_5860644.PDF Datasheet


 Full text search : HOUSING COLOR GREEN
 Product Description search : HOUSING COLOR GREEN


 Related Part Number
PART Description Maker
AW2S AT06-2S HOUSING COLOR GREEN
Amphenol Corporation
AW6P HOUSING COLOR GREEN
Amphenol Corporation
A-LED8-1GAAS-MR7-1-R Waterproof LED - Green color, M8 size connector, 酶3MM, Metal housing, Solder pins, IP67 unmated
Waterproof LED - Green color, M8 size connector, ?3MM, Metal housing, Solder pins, IP67 unmated
Assmann Electronics Inc.
586-2402-101 586-2402-105 LED Lamp; Bulb Size:T-3 1/4; LED Color:Green; Luminous Intensity:2200ucd; Forward Current:15mA; Forward Voltage:6V; Operating Temperature Range:-30 C to C; Color:Green; Leaded Process Compatible:No; Lens Width:5 RoHS Compliant: No
T-3 1/4 SINGLE COLOR LED, GREEN, 10.7 mm
DIALIGHT CORP
561-5301-100F 561-5201-070 561-5101-070 561-1301-0 LED Indicator; Color:Yellow; Luminous Intensity (MSCP):34; Viewing Angle:50 ; Forward Current:20mA; Forward Voltage:2.2V; LED Color:Yellow; Leaded Process Compatible:Yes; Wavelength:590nm T-1 3/4 SINGLE COLOR LED, YELLOW, 5 mm
T-1 3/4 SINGLE COLOR LED, GREEN, 5 mm
T-1 3/4 SINGLE COLOR LED, RED, 5 mm
T-1 3/4 DUAL COLOR LED, RED/GREEN, 5 mm
Dialight PLC
PC120TY3K-P PCL120CG5N-SO PCM120CG5N-SO PC120CG5N- T-1 SINGLE COLOR LED, YELLOW, 3 mm
T-1 SINGLE COLOR LED, HIGH EFFICIENCY GREEN, 3 mm
T-1 SINGLE COLOR LED, ULTRA GREEN, 3 mm
T-1 SINGLE COLOR LED, PURE GREEN, 3 mm
T-1 SINGLE COLOR LED, BLUE, 3 mm
T-1 SINGLE COLOR LED, ORANGE, 3 mm
T-1 SINGLE COLOR LED, HIGH EFFICIENCY RED, 3 mm
T-1 SINGLE COLOR LED, AMBER YELLOW, 3 mm
LEDtronics, Inc.
LEDTRONICS INC
PPS251TWYG4-14V-T PP156TWYG4-12V-T PP156TWYG4-5V-T DUAL COLOR LED, YELLOW/GREEN, 6.35 mm
DUAL COLOR LED, YELLOW/GREEN, 3.96 mm
T-1 3/4 SINGLE COLOR LED, SUPER ORANGE, 4.7 mm
T-1 3/4 SINGLE COLOR LED, ORANGE, 4.7 mm
SINGLE COLOR LED, SUPER ORANGE, 6.35 mm
T-1 3/4 SINGLE COLOR LED, AQUA GREEN, 4.7 mm
T-1 3/4 SINGLE COLOR LED, ULTRA GREEN, 4.7 mm
T-1 3/4 SINGLE COLOR LED, SUPER YELLOW, 4.7 mm
T-1 3/4 SINGLE COLOR LED, SUPER BLUE, 4.7 mm
T-1 3/4 SINGLE COLOR LED, COOL WHITE, 4.7 mm
T-1 3/4 SINGLE COLOR LED, SUPER RED, 4.7 mm
T-1 3/4 SINGLE COLOR LED, ULTRA RED, 4.7 mm
SINGLE COLOR LED, COOL WHITE, 3.96 mm
SINGLE COLOR LED, AQUA GREEN, 3.96 mm 2 PIN
SINGLE COLOR LED, SUPER BLUE, 3.96 mm
SINGLE COLOR LED, ULTRA GREEN, 3.96 mm
SINGLE COLOR LED, AQUA GREEN, 6.35 mm
SINGLE COLOR LED, ULTRA RED, 6.35 mm
SINGLE COLOR LED, ORANGE, 6.35 mm
SINGLE COLOR LED, HIGH EFFICIENCY GREEN, 6.35 mm
SINGLE COLOR LED, SUPER BLUE, 6.35 mm
SINGLE COLOR LED, SUPER YELLOW, 6.35 mm
SINGLE COLOR LED, HIGH EFFICIENCY RED, 6.35 mm
SINGLE COLOR LED, ULTRA GREEN, 6.35 mm
SINGLE COLOR LED, PURE GREEN, 6.35 mm
SINGLE COLOR LED, YELLOW, 6.35 mm
SINGLE COLOR LED, COOL WHITE, 6.35 mm
SINGLE COLOR LED, SUPER RED, 6.35 mm
DUAL COLOR LED, RED/GREEN, 6.35 mm
T-1 3/4 DUAL COLOR LED, YELLOW/GREEN, 4.7 mm
T-1 3/4 SINGLE COLOR LED, YELLOW, 4.7 mm
LEDtronics, Inc.
LEDTRONICS INC
BPF200-0CW-005V BPF200-0UR-005V BPF200-0UG-005V BP T-1 3/4 SINGLE COLOR LED, WHITE, 5 mm
T-1 3/4 SINGLE COLOR LED, ULTRA RED, 5 mm
T-1 3/4 SINGLE COLOR LED, LIME GREEN, 5 mm
T-1 3/4 SINGLE COLOR LED, SUPER YELLOW, 5 mm
T-1 3/4 SINGLE COLOR LED, AQUA GREEN, 5 mm
T-1 3/4 SINGLE COLOR LED, SUPER BLUE, 5 mm
T-1 3/4 SINGLE COLOR LED, SUPER ORANGE, 5 mm
LEDtronics, Inc.
LEDTRONICS INC
46SB200CLY5-12V/30 46SB200CLY5-14V/30-BP 46SB200CO T-1 SINGLE COLOR LED, LIME YELLOW
T-1 SINGLE COLOR LED, ORANGE
SINGLE COLOR LED, ORANGE, 5.3 mm
SINGLE COLOR LED, PURE GREEN, 5.3 mm
T-1 SINGLE COLOR LED, PURE GREEN
SINGLE COLOR LED, GREEN
SINGLE COLOR LED, BLUE
SINGLE COLOR LED, RED
LEDtronics, Inc.
550-2305F 550-1305F 550-1005F 550-5305F 550-5105F LED Lamp; Leaded Process Compatible:Yes T-1 3/4 SINGLE COLOR LED, YELLOW, 5 mm
LED Lamp; Color:Green; Luminous Intensity (MSCP):1.8; Forward Current:2mA; Forward Voltage:1.8V; LED Color:Green; Leaded Process Compatible:Yes T-1 3/4 SINGLE COLOR LED, GREEN, 5 mm
LED 5MM R/A BLUE WATER CLEAR T-1 3/4 SINGLE COLOR LED, BLUE, 5 mm
LED 5MM RT ANG SUP DIFF YEL PCMT T-1 3/4 SINGLE COLOR LED, YELLOW, 5 mm
LED 5MM RT ANG SUP DIFF RED PCMN T-1 3/4 SINGLE COLOR LED, RED, 5 mm
T-1 3/4 SINGLE COLOR LED, AMBER, 5 mm ROHS COMPLIANT PACKAGE-2
T-1 3/4 SINGLE COLOR LED, YELLOW, 5 mm ROHS COMPLIANT PACKAGE-2
Dialight PLC
DIALIGHT CORP
2202312 Light guides, can be used for the BC housing range (housing must be processed), color: transparent
PHOENIX CONTACT
LTST-C17FB1WTBINP TRIPLE COLOR LED, RED/GREEN/BLUE, 2.4 mm GREEN, PLASTIC PACKAGE-4
Lite-On Technology, Corp.
 
 Related keyword From Full Text Search System
AW8P ptc data AW8P performance AW8P Package AW8P Bipolar AW8P 21 ic on line
AW8P Interface AW8P AW8P Mixed AW8P ic查尋 AW8P sfp configuration
 

 

Price & Availability of AW8P

All Rights Reserved © IC-ON-LINE 2003 - 2022  

[Add Bookmark] [Contact Us] [Link exchange] [Privacy policy]
Mirror Sites :  [www.datasheet.hk]   [www.maxim4u.com]  [www.ic-on-line.cn] [www.ic-on-line.com] [www.ic-on-line.net] [www.alldatasheet.com.cn] [www.gdcy.com]  [www.gdcy.net]


 . . . . .
  We use cookies to deliver the best possible web experience and assist with our advertising efforts. By continuing to use this site, you consent to the use of cookies. For more information on cookies, please take a look at our Privacy Policy. X
0.52127909660339