Part Number Hot Search : 
ACT510X ACS8510 R3001 MJ1103 EDS25 Y62148 2B100R F1608
Product Description
Full Text Search

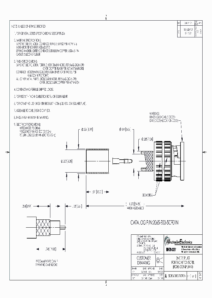
SD2065-E00-5CF01N - BNC 75 PLUG FOR TACHII TCX-5CFBL

SD2065-E00-5CF01N_5733334.PDF Datasheet


 Full text search : BNC 75 PLUG FOR TACHII TCX-5CFBL
 Product Description search : BNC 75 PLUG FOR TACHII TCX-5CFBL


 Related Part Number
PART Description Maker
SD2065-E00-3C202N BNC 75 PLUG FOR TACHII TCX-3C2V(S) (ROHS COMPLIANT)
Winchester Electronics Corporation
SD2065-E00-3CH02N BNC 75 PLUG FOR TACHII TCX-3CHD (ROHS COMPLIANT)
Winchester Electronics Corporation
1-1337491-0 1-1337493-0 1-1478041-0 1-1478045-0 1- BNC ELBOW PLUG URM70 75
BNC BULKHEAD SOCKET 75
BNC STR AD J-J 75 OHM
BNC BULK AD J-J 75 OHM
BNC STR AD J-J 50 OHM
BNC INS BULK AD J-J 50
BNC BULK AD J-J 50 OHM
BNC INS BULK AD J-J 75
BNC STR PCB SOCK SQ 50
BNC STR PLUG URM70
BNC STR PLUG URM202
BNC STR PLUG BT2003
BNC STR PLUG BT2002
BNC ELBOW PLUG RG59
BNC TEE AD J-P-J 50 OHM
BNC STRAIGHT PLUG RG174 插头直插头RG174
BNC ELBOW PLUG RG58 50 插头弯头插头RG58 50
TE Connectivity, Ltd.
13-10-1TSSFORUR70CABLE75OHM 13-10-1TSSFORRG58UCABL ADAPTER BNC KUPPLUNG/TNC STECKER
BNC PLUG-UHF JACK
Low-Power, Single-/Dual-Level Battery Monitors with Hysteresis and Integrated µP Reset
ADAPTER MINI UHF KUPPLUNG/BNC STECKER
BUCHSE BNC PCB GERADE RUND
BUCHSE FLANSCH BNC 50 OHM
GEHAEUSEKUPPLER BNC 50 OHM 4MM PANEL
ADAPTER N STECKER/F BUCHSE 75 OHM
BUCHSE BNC PCB ISOLIERT ELLBOGEN 50 OHM
BUCHSE BNC PCB GERADE SOCKEL
DURCHFUEHRUNGSKUPPLUNG BNC 50 OHM
ADAPTER BNC STECKER/N KUPPLUNG
ADAPTER BNC STECKER/TNC KUPPLUNG
BNC STECKER/CINCH KUPPLUNG
ADAPTER BNC STECKER/F KUPPLUNG
BUCHSE BNC PCB VOLLMETALL ELLBOGEN 50OHM
BUCHSE BNC PCB ISOLIERT GERADE 50 OHM
ADAPTER N BUCHSE/F STECKER 75 OHM
ADAPTER BNC WINK STECKER KUPPLUNG 50 OHM
ADAPTER BNC DOPPELWINKEL GERADE 50 OHM
KABELSTECKER BNC GERADE 75 OHM RG59
ADAPTER N STECKER/SMA BUCHSE 50 OHM
KABELKUPPLER BNC TWIST ON 75 OHM
PLUG BNC PANEL 50R
GEHAEUSEKUPPLER BNC 50 OHM 9MM PANEL
ADAPTER MINI UHF STECKER/TNC KUPPLUNG
BUCHSE EINBAU F 75 OHM FRONT
BUCHSE PCB F 75 OHM
PLUG BNC CRIMP 75R 2003 NICKEL
CROCODILE CLIPS RED
PLUG BNC ELBOW 75R
MINI-UHF JACK-TNC PLUG
KABELKUPPLER BNC TWIST ON 50 OHM
DURCHFUEHRUNGSKUPPLUNG BNC 75 OHM
ADAPTER MINI UHF STECKER/BNC KUPPLUNG
SMA PLUG -N PLUG
PLUG BNC 50R
JACK BNC CRIMP 75R
JACK BNC B/H 50R
PLUG BNC 75R
JACK BNC 50R
JACK BNC CRIMP 50R
STECKER F 75 OHM
STECKER BNC TWIST ON 75 OHM
STECKER BNC TWIST ON 50 OHM
CRIMPSTECKER BNC 50 OHM RG58
PLUG BNC CRIMP 75R 插头插头压接75R
PLUG BNC CRIMP 50R 插头插头压接50R
PLUG N 50 R 插销N 50个研
CRIMPSTECKER MINI UHF CRIMPSTECKER迷你超高
ADAPTER N STECKER/TNC BUCHSE 50 OHM 适配 STECKER /跨国公司比克0欧姆
PLUG BNC CRIMP 75R UR70 NICKEL 插头插头5R UR70
JACK BNC B/H CRIMP 50R 插座插头小时0R
BNC JACK-UHF PLUG BNC插座,超高频插头
KABELSTECKER BNC ELLBOGEN 50 OHM RG58 KABELSTECKER插头ELLBOGEN 50欧姆RG58
KABELSTECKER BNC GERADE 50 OHM RG58 KABELSTECKER插头收听50欧姆RG58
SOCKET BNC B/H 50R 插座插头小时50R
Low-Power, Single-/Dual-Level Battery Monitors with Hysteresis and Integrated µP Reset
Chipcon
Sharp Electronics, Corp.
Jameco Electronics
3M Company
Honeywell International, Inc.
TE Connectivity, Ltd.
Vishay Intertechnology, Inc.
1337783-1 1337783-3 LEAD RG62 BNC R/A PLUG-R/A PLUG 0.25M RG62插头阿插 R A插头0.25
LEAD RG62 BNC R/A PLUG-R/A PLUG 1.0M RG62插头阿插 R A插头-1.0
Advanced Interconnections, Corp.
1274563-2 BNC; PLUG KIT, STRAIGHT, MINI BNC ( Tyco Electronics )
Tyco Electronics
1274574-5 BNC; COMM BNC PLUG, LEAD FREE ( AMP )
Tyco Electronics
APH-BNCJ-HDBNCP HD BNC PLUG TO BNC JACK 75 OHM ADAPTER
Amphenol Corporation
5413557-2 BNC; TERMINATOR,PLUG,SERIES BNC ( AMP )
Tyco Electronics
5221185-7 BNC; PLUG,75 OHM,COML BNC ( AMP )
Tyco Electronics
PE3480 PE3480-1200 PE3480LF-1200 CABLE ASSEMBLY RG108A/U BNC TWINAX PLUG TO BNC TWINAX PLUG
CABLE ASSEMBLY RG108A/U BNC TWINAX PLUG TO BNC TWINAX PLUG
Pasternack Enterprises, Inc.
 
 Related keyword From Full Text Search System
SD2065-E00-5CF01N flash SD2065-E00-5CF01N 型号替换 SD2065-E00-5CF01N Technique SD2065-E00-5CF01N pnp SD2065-E00-5CF01N operation
SD2065-E00-5CF01N datasheet online SD2065-E00-5CF01N epitaxial SD2065-E00-5CF01N interrupt SD2065-E00-5CF01N Fixed SD2065-E00-5CF01N standard
 

 

Price & Availability of SD2065-E00-5CF01N

All Rights Reserved © IC-ON-LINE 2003 - 2022  

[Add Bookmark] [Contact Us] [Link exchange] [Privacy policy]
Mirror Sites :  [www.datasheet.hk]   [www.maxim4u.com]  [www.ic-on-line.cn] [www.ic-on-line.com] [www.ic-on-line.net] [www.alldatasheet.com.cn] [www.gdcy.com]  [www.gdcy.net]


 . . . . .
  We use cookies to deliver the best possible web experience and assist with our advertising efforts. By continuing to use this site, you consent to the use of cookies. For more information on cookies, please take a look at our Privacy Policy. X
0.042623996734619