Part Number Hot Search : 
50215 PE4607 F10LC20U LT1079A 109718 ESD8551 10CBE1 QY212
Product Description
Full Text Search

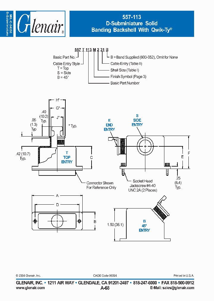
557E113M - D-Subminiature Solid

557E113M_5390386.PDF Datasheet


 Full text search : D-Subminiature Solid
 Product Description search : D-Subminiature Solid


 Related Part Number
PART Description Maker
QTLP912-2 QTLP912-3 QTLP912-4 QTLP912-9 QTLP913 QT SUBMINIATURE T-3/4 (1.9 mm) SOLID STATE LAMPS
Green Diffused Subminiature T-3/4 (1.9 mm) Solid State Lamp
SUBMINIATURE T-3/4 (1.9mm) SOLID STATE LAMPS
Green Subminiature T-3/4 (1.9 mm) Solid State Lamp
HER Subminiature T-3/4 (1.9 mm) Solid State Lamp
Yellow Subminiature T-3/4 (1.9 mm) Solid State Lamp
AlGaAs Red Subminiature T-3/4 (1.9 mm) Solid State Lamp
HER Diffused Subminiature T-3/4 (1.9 mm) Solid State Lamp
AlGaAs Red Diffused Subminiature T-3/4 (1.9 mm) Solid State Lamp
Yellow Diffused Subminiature T-3/4 (1.9 mm) Solid State Lamp
Fairchild Semiconductor Corporation
FAIRCHILD[Fairchild Semiconductor]
HLMA-QL00A HLMP-Q106A HLMA-QH00A HLMPQ106A HLMPQ10 SOLID STATE LED LAMPS SUBMINIATURE T-1 3/4 1.9mm
AlGaAs Red Clear Solid State LED Lamp Subminiature T-1 3/4 (1.9 mm)
SOLID STATE LED LAMPS SUBMINIATURE T-1 3/4 (1.9mm) ORANGE
AllnGaP Orange Clear Solid State LED Lamp Subminiature T-1 3/4 (1.9 mm)
SOLID STATE LED LAMPS SUBMINIATURE T-1 3/4 (1.9mm) YELLOW
AllnGaP Yellow Clear Solid State LED Lamp Subminiature T-1 3/4 (1.9 mm)
Fairchild Semiconductor Corporation
Agilent(Hewlett-Packard)
FAIRCHILD[Fairchild Semiconductor]
AM2520SRD03 AM2520SRC03 Subminiature solid state lamp. Super bright red (peak wavelength 660 nm). Lens type water clear.
SUBMINIATURE SOLID STATE LAMPS
Subminiature solid state lamp. Super bright red (peak wavelength 660 nm). Lens type red diffused.
Kingbright Corporation
Kingbright Electronic
AM27MBCK09 SUBMINIATURE SOLID STATE LAMP
KINGBRIGHT[Kingbright Corporation]
AM27EC03 SUBMINIATURE SOLID STATE LAMP
Kingbright Corporation.
KINGBRIGHT[Kingbright Corporation]
AM27EC09 SUBMINIATURE SOLID STATE LAMP
KINGBRIGHT[Kingbright Corporation]
AM2520SGC08 SUBMINIATURE SOLID STATE LAMP
Kingbright Corporation
AM2520SGD08 SUBMINIATURE SOLID STATE LAMP
Kingbright Corporation
AM2520SEC09 SUBMINIATURE SOLID STATE LAMP
Kingbright Corporation
AM27SURC08 SUBMINIATURE SOLID STATE LAMP
KINGBRIGHT[Kingbright Corporation]
 
 Related keyword From Full Text Search System
557E113M 查ic资料 557E113M filetype:pdf 557E113M marking code 557E113M poliester 557E113M 制造商
557E113M Marin 557E113M gain 557E113M standard 557E113M corporation 557E113M Processor
 

 

Price & Availability of 557E113M

All Rights Reserved © IC-ON-LINE 2003 - 2022  

[Add Bookmark] [Contact Us] [Link exchange] [Privacy policy]
Mirror Sites :  [www.datasheet.hk]   [www.maxim4u.com]  [www.ic-on-line.cn] [www.ic-on-line.com] [www.ic-on-line.net] [www.alldatasheet.com.cn] [www.gdcy.com]  [www.gdcy.net]


 . . . . .
  We use cookies to deliver the best possible web experience and assist with our advertising efforts. By continuing to use this site, you consent to the use of cookies. For more information on cookies, please take a look at our Privacy Policy. X
0.033171892166138