Part Number Hot Search : 
JE3055T 1N3062 W20NC50 HC4051 AS13411 KSC20 T0805XH 2N5090
Product Description
Full Text Search

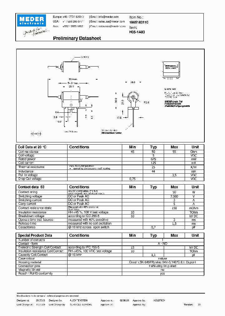
H05-1A83 - H Reed Relay

H05-1A83_5141073.PDF Datasheet


 Full text search : H Reed Relay
 Product Description search : H Reed Relay


 Related Part Number
PART Description Maker
ES62UL256-45TC ES62UL256 ES62UL256-25SC ES62UL256- REED RELAY 32Kx8位超低功耗异步静态RAM
Dry Reed Relay; Relay Terminals:Thru Hole 32Kx8位超低功耗异步静态RAM
32Kx8 Bit Ultra-Low Power Asynchronous Static RAM
Electronic Theatre Controls, Inc.
NanoAmp Solutions, Inc.
ETC[ETC]
DIP05-1C90-51E DRY REED RELAY, SPDT, MOMENTARY, 0.025A (COIL), 5VDC (COIL), 125mW (COIL), 0.5A (CONTACT), 175VDC (CONTACT), THROUGH HOLE-STRAIGHT MOUNT ROHS COMPLIANT
DIP Reed Relay
MEDER electronic
DIP05-1A72-13DHR DIP Reed Relay
DRY REED RELAY, SPST, MOMENTARY, 0.005A (COIL), 5VDC (COIL), 25mW (COIL), 0.5A (CONTACT), 200VDC (CONTACT), THROUGH HOLE-STRAIGHT MOUNT
MEDER ELECTRONIC AG
DIP24-1A72-10L DRY REED RELAY, SPST, MOMENTARY, 0.012A (COIL), 24VDC (COIL), 288mW (COIL), 1A (CONTACT), 200VDC (CONTACT), THROUGH HOLE-STRAIGHT MOUNT
DIP Reed Relay
MEDER electronic
H12-B69 H12-A69 H24-A69 H12-B83 H05-B83 H24-1A83 H High Voltage Reed Relays
H Reed Relay
Meder Electronic
BE24-1B71-V BE24-1B66-V BE24-1B66-VDE BE24-1B71-VD BE Reed Relays
(deutsch) BE Reed Relay
Meder Electronic
NP12-1A71-2500-213 NP12-1A66-2500-213 NP12-1A71-25 NP Reed Relays
(deutsch) NP Reed Relay
Meder Electronic
http://
BE12-1B66-V BE12-1B66-VDE BE Reed Relays
(deutsch) BE Reed Relay
Meder Electronic
D1B0510 D1B051D D1A0510 D1A051D D2A0510 D1B1210 D1 Reed relay. Contact form 1B SPST-NC. Nominal voltage (VDC) 5.
Reed relay. Contact form 1A SPST-NO. Nominal voltage (VDC) 5.
Reed relay. Contact form 1B DPST-NO. Nominal voltage (VDC) 5.
Reed relay. Contact form 1B SPST-NC. Nominal voltage (VDC) 12.
Reed relay. Contact form 1B SPDT-CO. Nominal voltage (VDC) 5.
Reed relay. Contact form 1B DPST-NO. Nominal voltage (VDC) 12.
Reed relay. Contact form 1B DPST-NO. Nominal voltage (VDC) 24.
Global Components & Controls
SIL12-1A72-74L SIL12-1A72-74LDE SIL Reed Relays
(deutsch) SIL Reed Relay
Meder Electronic
DIL12-1C90-51SHR DIL12-1C90-51SHRDE (deutsch) DIL Reed Relay
DIL Reed Relays
Meder Electronic
 
 Related keyword From Full Text Search System
H05-1A83 sensor H05-1A83 processor H05-1A83 Driver H05-1A83 LPE model H05-1A83 Bipolar
H05-1A83 ICPRICE H05-1A83 Dual H05-1A83 Timer H05-1A83 samsung H05-1A83 Reset
 

 

Price & Availability of H05-1A83

All Rights Reserved © IC-ON-LINE 2003 - 2022  

[Add Bookmark] [Contact Us] [Link exchange] [Privacy policy]
Mirror Sites :  [www.datasheet.hk]   [www.maxim4u.com]  [www.ic-on-line.cn] [www.ic-on-line.com] [www.ic-on-line.net] [www.alldatasheet.com.cn] [www.gdcy.com]  [www.gdcy.net]


 . . . . .
  We use cookies to deliver the best possible web experience and assist with our advertising efforts. By continuing to use this site, you consent to the use of cookies. For more information on cookies, please take a look at our Privacy Policy. X
0.049615859985352