Part Number Hot Search : 
4728A P6KE56 D3045 DB25PAM1 SC3BA1 TOCA100 OP04AZ MC623
Product Description
Full Text Search

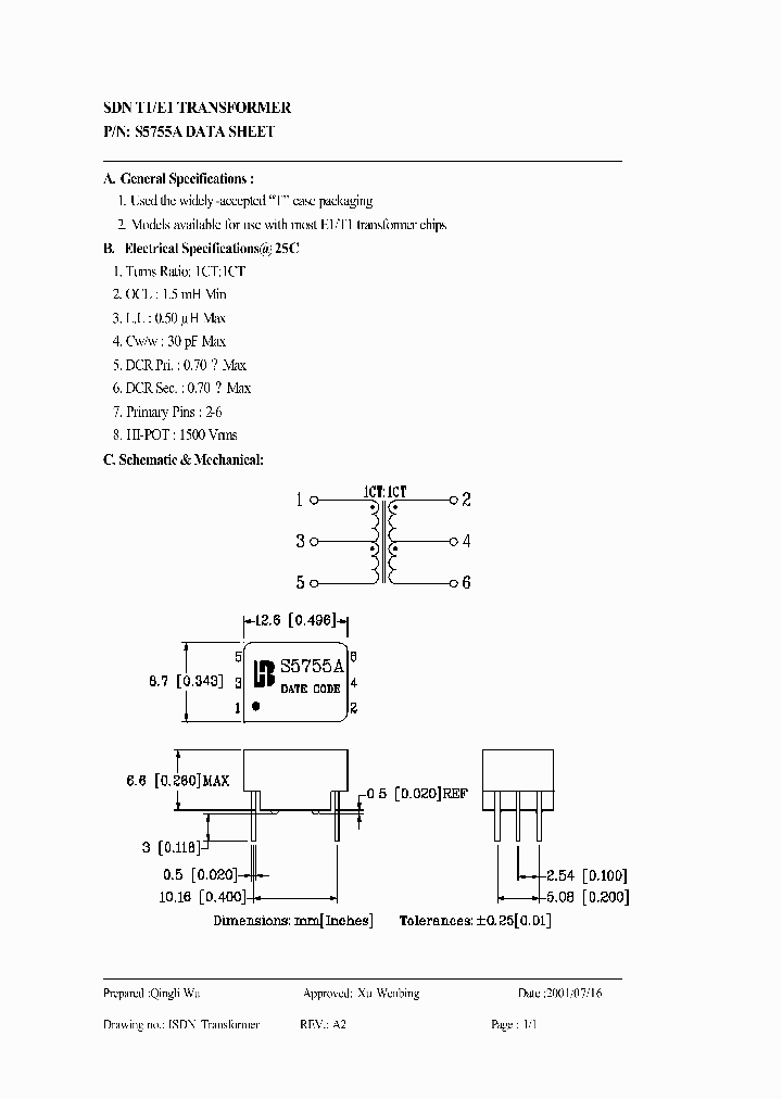
S5755A - SDN T1/E1 TRANSFORMER

S5755A_5115897.PDF Datasheet


 Full text search : SDN T1/E1 TRANSFORMER
 Product Description search : SDN T1/E1 TRANSFORMER


 Related Part Number
PART Description Maker
B0727-BL B0727-BLD ADSL2 Transformer
DSL transformer, for Broadcom BCM6348, SMT, not RoHS TELECOM TRANSFORMER
Coilcraft lnc.
Coilcraft, Inc.
MH1500AM MT500AM MH250AE MH250AJ MH250JE MH1000PR POWER TRANSFORMER, 1500 VA
POWER TRANSFORMER, 500 VA
POWER TRANSFORMER, 250 VA
POWER TRANSFORMER, 1000 VA
POWER TRANSFORMER, 750 VA

WBC9-1LC WBC9-1LB WBC4-1WLC WBC4-14LC WBC4-4LB WBC Wideband RF transformer, SMT, RoHS 0.3 MHz - 500 MHz RF TRANSFORMER
Wideband RF transformer, SMT, RoHS 0.5 MHz - 1000 MHz RF TRANSFORMER
Wideband RF transformer, SMT, RoHS 1.5 MHz - 1200 MHz RF TRANSFORMER
Wideband RF transformer, SMT, RoHS 0.25 MHz - 800 MHz RF TRANSFORMER
Coilcraft, Inc.
COILCRAFT INC
S553-6500-C7 T1/E1 Transformer Miniature
HIGH FREQUENCY MAGNETICS T1/E1 Mini-Octal Transformer Module
Bel Fuse Inc.
HA3801-AL HA3802-AL HA3803-AL HA3801-ALB HA3801-AL Flyback Transformers
Transformer, for TI TPS23753, SMT, RoHS 10 W, SMPS TRANSFORMER
Coilcraft lnc.
Coilcraft, Inc.
COILCRAFT INC
B2243T TELECOM TRANSFORMER
ADSL LINE TRANSFORMER For Use with Texas Instruments Chipset
PULSE ELECTRONICS CORP
Pulse A Technitrol Company
B0726-EL B0726-ELB C1350-ALD ADSL Transformers
DSL transformer, for Broadcom BCM63xx, SMT, RoHS TELECOM TRANSFORMER
Coilcraft lnc.
Coilcraft, Inc.
COILCRAFT INC
MABAES0032 Transformer, 1:1 Transmission Line Transformer 5 to 1000 MHz
M/A-COM Technology Solutions, Inc.
EPC3029G EPC3028G Surface Mount Power Transformer
SMPS TRANSFORMER
PCA ELECTRONICS INC.
 
 Related keyword From Full Text Search System
S5755A transistor S5755A led S5755A samsung S5755A mosi program S5755A display
S5755A bit S5755A Reset S5755A ac/dc eurocard S5755A download S5755A switching
 

 

Price & Availability of S5755A

All Rights Reserved © IC-ON-LINE 2003 - 2022  

[Add Bookmark] [Contact Us] [Link exchange] [Privacy policy]
Mirror Sites :  [www.datasheet.hk]   [www.maxim4u.com]  [www.ic-on-line.cn] [www.ic-on-line.com] [www.ic-on-line.net] [www.alldatasheet.com.cn] [www.gdcy.com]  [www.gdcy.net]


 . . . . .
  We use cookies to deliver the best possible web experience and assist with our advertising efforts. By continuing to use this site, you consent to the use of cookies. For more information on cookies, please take a look at our Privacy Policy. X
0.046397924423218