Part Number Hot Search : 
DTQS3 GR2JA 13UK41D2 KRA106S IECJ3200 L6565D SN67040 B5942
Product Description
Full Text Search

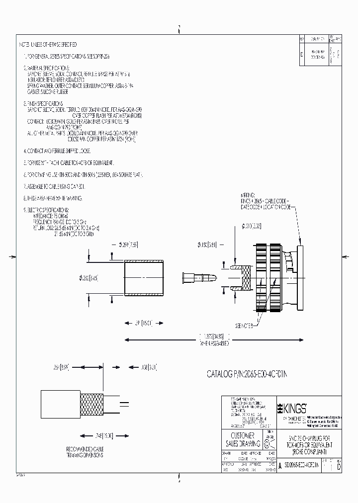
SD2065-E00-4CF01N - BNC 75 OHM PLUG FOR TCX-4CFB OR EQUIVALENT (ROHS COMPLIANT)

SD2065-E00-4CF01N_4781321.PDF Datasheet


 Full text search : BNC 75 OHM PLUG FOR TCX-4CFB OR EQUIVALENT (ROHS COMPLIANT)
 Product Description search : BNC 75 OHM PLUG FOR TCX-4CFB OR EQUIVALENT (ROHS COMPLIANT)


 Related Part Number
PART Description Maker
SD2065-E00-4CF01N BNC 75 OHM PLUG FOR TCX-4CFB OR EQUIVALENT (ROHS COMPLIANT)
Winchester Electronics Corporation
SD2065-E00-4CH01N BNC 75 OHM PLUG FOR TACHII TCX-4CHD CABLE (ROHS COMPLIANT)
Winchester Electronics Corporation
SD2065-E00-3CW01N BNC 75 OHM PLUG FOR TACHII TCX-3CFWS CABLE (ROHS COMPLIANT)
Winchester Electronics Corporation
SD2065-E00-4CH02N BNC 75 PLUG FOR TACHII TCX-4CHD (ROHS COMPLIANT)
Winchester Electronics Corporation
SD2065-E00-3CH01N BNC 75 PLUG FOR TACHII TCX-3CHD (ROHS COMPLIANT)
Winchester Electronics Corporation
0-1310754-1 105-03-000 0-1311105-2 0-1310706-1 0-1 ABSCHLUSSWIDERSTAND BNC 75 OHM
ADAPTER T BNC 50 OHM VERNICKELT
ISOLIERSCHEIBE BNC
BUCHSE EINBAU BNC ISOLIERT 50 OHM
BUCHSE EINBAU BNC ISOLIERT 75 OHM
ADAPTER BNC KUPPLUNG KUPPLUNG 50 OHM
ADAPTER BNC STECKER STECKER 50 OHM 适配器插头STECKER STECKER 50欧姆
DAEMPFUNGSGLIED 50 OHM 6DB DAEMPFUNGSGLIED 50欧姆分贝
KAPPE MIT KETTE BNC 凯普麻省理工学院凯特插头
Veeder-Root Company
Vishay Intertechnology, Inc.
1-1337426-0 BNC STRAIGHT PLUG CRIMP 50 OHM
BNC; BNC Str Plg Hex 50Ohm Nickel Pltd RG58C/ ( Greenpar )
Tyco Electronics
5221185-7 BNC; PLUG,75 OHM,COML BNC ( AMP )
Tyco Electronics
APH-HDBNCP-J ADAPTOR,75 OHM HD-BNC,PLUG TO HD BNC JACK
Amphenol Corporation
2025-44-9 SD2025-44-9 75 OHM BNC PLUG
Winchester Electronics Corporation
C34-5027 50 OHM HD-BNC STR PLUG FOR 0.047 CONFORMABLE CABLE
Amphenol Corporation
PE9617 75 Ohm Mini SMB Plug to BNC Female Adapter
Pasternack Enterprises, Inc.
 
 Related keyword From Full Text Search System
SD2065-E00-4CF01N MARKING SD2065-E00-4CF01N Register SD2065-E00-4CF01N epitaxial SD2065-E00-4CF01N Corp SD2065-E00-4CF01N rail
SD2065-E00-4CF01N circuit SD2065-E00-4CF01N gate threshold SD2065-E00-4CF01N crystal SD2065-E00-4CF01N maxim SD2065-E00-4CF01N logic
 

 

Price & Availability of SD2065-E00-4CF01N

All Rights Reserved © IC-ON-LINE 2003 - 2022  

[Add Bookmark] [Contact Us] [Link exchange] [Privacy policy]
Mirror Sites :  [www.datasheet.hk]   [www.maxim4u.com]  [www.ic-on-line.cn] [www.ic-on-line.com] [www.ic-on-line.net] [www.alldatasheet.com.cn] [www.gdcy.com]  [www.gdcy.net]


 . . . . .
  We use cookies to deliver the best possible web experience and assist with our advertising efforts. By continuing to use this site, you consent to the use of cookies. For more information on cookies, please take a look at our Privacy Policy. X
0.19539308547974