Part Number Hot Search : 
UN412X 2SC2591Q C281KGKT 68754 SP10100L LM781 2SC3895 P712DB
Product Description
Full Text Search

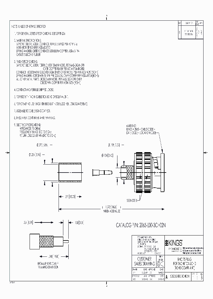
SD2065-E00-3CH02N - BNC 75 PLUG FOR TACHII TCX-3CHD (ROHS COMPLIANT)

SD2065-E00-3CH02N_4781318.PDF Datasheet


 Full text search : BNC 75 PLUG FOR TACHII TCX-3CHD (ROHS COMPLIANT)
 Product Description search : BNC 75 PLUG FOR TACHII TCX-3CHD (ROHS COMPLIANT)


 Related Part Number
PART Description Maker
SD2065-E00-3C202N BNC 75 PLUG FOR TACHII TCX-3C2V(S) (ROHS COMPLIANT)
Winchester Electronics Corporation
SD2065-E00-3CH01N BNC 75 PLUG FOR TACHII TCX-3CHD (ROHS COMPLIANT)
Winchester Electronics Corporation
SD2065-E00-3CH02N BNC 75 PLUG FOR TACHII TCX-3CHD (ROHS COMPLIANT)
Winchester Electronics Corporation
SD2065-E00-5C202N BNC 75 PLUG FOR TACHII TCX-5C2V(S) (ROHS COMPLIANT)
Winchester Electronics Corporation
SD2065-E00-3C201N BNC 75 PLUG FOR TACHII TCX-3C2V(S) (ROHS COMPLIANT)
Winchester Electronics Corporation
SD2065-E00-3CF02N SD2065-E00-3CF02N FOR TACHII TCX-3CFB (ROHS COMPLIANT)
Winchester Electronics Corporation
R191419000 R191303000 ADAPTOR, N JACK/BNC PLUGADAPTOR, N JACK/BNC PLUG; Connector type A:N Jack; Connector type B:BNC Plug; Impedance:50R MALE-FEMALE, RF STRAIGHT ADAPTER
ADAPTOR, SMA PLUG/BNC JACKADAPTOR, SMA PLUG/BNC JACK; Connector type A:SMA Plug; Connector type B:BNC Jack; Impedance:50R FEMALE-MALE, RF STRAIGHT ADAPTER, PLUG-JACK
Molex, Inc.
Radiall S.A.
1274563-2 BNC; PLUG KIT, STRAIGHT, MINI BNC ( Tyco Electronics )
Tyco Electronics
CBS3522 BNC STRAIGHT PLUG BNC STRAIGHT PLUG FOR ECS CABLE 352001
List of Unclassifed Manufacturers
APH-BNCJ-HDBNCP1010 HD-BNC PLUG TO BNC JACK 75 OHM ADAPTER
Amphenol Corporation
32S151-S00L5 ADAPTOR SMA PLUG ?BNC 50 W PLUG
Rosenberger Hochfrequen...
APH-NP-HDBNCJ1010 ADAPTOR, 75OHM N PLUG TO HD BNC JACK
RF STRAIGHT ADAPTER, PLUG-JACK
Amphenol Corporation
Amphenol, Corp.
 
 Related keyword From Full Text Search System
SD2065-E00-3CH02N diode SD2065-E00-3CH02N Transistor SD2065-E00-3CH02N Regulators SD2065-E00-3CH02N prezzo baumer SD2065-E00-3CH02N control
SD2065-E00-3CH02N ic marking SD2065-E00-3CH02N national SD2065-E00-3CH02N diode SD2065-E00-3CH02N Amplifier SD2065-E00-3CH02N power
 

 

Price & Availability of SD2065-E00-3CH02N

All Rights Reserved © IC-ON-LINE 2003 - 2022  

[Add Bookmark] [Contact Us] [Link exchange] [Privacy policy]
Mirror Sites :  [www.datasheet.hk]   [www.maxim4u.com]  [www.ic-on-line.cn] [www.ic-on-line.com] [www.ic-on-line.net] [www.alldatasheet.com.cn] [www.gdcy.com]  [www.gdcy.net]


 . . . . .
  We use cookies to deliver the best possible web experience and assist with our advertising efforts. By continuing to use this site, you consent to the use of cookies. For more information on cookies, please take a look at our Privacy Policy. X
0.027943134307861