Part Number Hot Search : 
MAH16063 2SC366 TC02VZB 54534 23201 SY10E104 50150 1206C
Product Description
Full Text Search

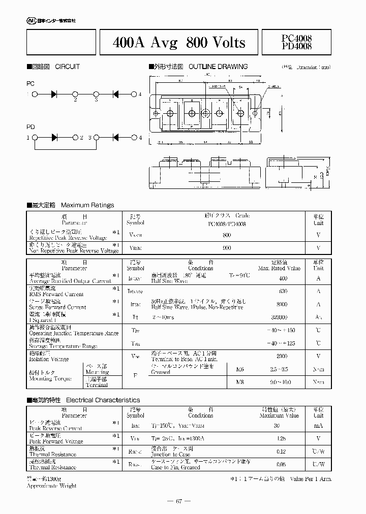
PC4008 - DIODE 400A Avg 800 Volts

PC4008_4649072.PDF Datasheet

 
Part No. PC4008
Description DIODE 400A Avg 800 Volts

File Size 203.61K  /  2 Page  

Maker


Nihon Inter Electronics Corporation



JITONG TECHNOLOGY
(CHINA HK & SZ)
Datasheet.hk's Sponsor

Part: PC400T
Maker: SHARP
Pack: SOP-5
Stock: Reserved
Unit price for :
    50: $0.64
  100: $0.60
1000: $0.57

Email: oulindz@gmail.com

Contact us

Homepage http://www.niec.co.jp/
Download [ ]
[ PC4008 Datasheet PDF Downlaod from Datasheet.HK ]
[PC4008 Datasheet PDF Downlaod from Maxim4U.com ] :-)


[ View it Online ]   [ Search more for PC4008 ]

[ Price & Availability of PC4008 by FindChips.com ]

 Full text search : DIODE 400A Avg 800 Volts
 Product Description search : DIODE 400A Avg 800 Volts


 Related Part Number
PART Description Maker
PH4008 DIODE 400A Avg 800 Volts
Nihon Inter Electronics Corporation
PD40016 PC40016 DIODE 400A Avg 1600 Volts
Nihon Inter Electronics Corporation
PD150KN8 DIODE 150A Avg 800 Volts
Nihon Inter Electronics Corporation
T9G03408 T9G02609 T9G0 T9G03809 T9G02608 T9G03609 Phase Control SCR (800-900 Amperes Avg 2400-4000 Volts) 第一阶段控制晶闸管(800-900安培平均2400-4000伏特
Powerex Power Semiconductors
Powerex, Inc.
PDT2018 PDT20181 200A Avg 800 Volts
Nihon Inter Electronics Corporation
PD200S8 200A Avg 800 Volts
Nihon Inter Electronics Corporation
FT800DL-8 FT800DL FT800DL-10 FT800DL-12 FT800DL-16 Phase Control SCR 800 Amperes Avg 200-1200 Volts
Powerex Power Semicondu...
POWEREX[Powerex Power Semiconductors]
PDT608 PDT6081 PCH608 60A Avg 800 Volts
   60A Avg 800 Volts
Nihon Inter Electronics Corporation
Nihon Inter Electronics...
CD410830 Dual Diode POW-R-BLOK?Modules 30 Amperes/800 Volts
Dual Diode POW-R-BLOK⑩ Modules 30 Amperes/800 Volts
Dual Diode POW-R-BLOK Modules 30 Amperes/800 Volts
TV 6C 6#8(COAX) SKT PLUG
Powerex Power Semicondu...
POWEREX[Powerex Power Semiconductors]
CDD10810 Dual Diode POW-R-BLOK⑩ Modules 100 Amperes/800 Volts
Dual Diode POW-R-BLOK Modules 100 Amperes/800 Volts
POWEREX[Powerex Power Semiconductors]
FM806C GLASS PASSIVATED SILICON RECTIFIER VOLTAGE 800 Volts CURRENT 8.0 Amperes 8 A, 800 V, SILICON, RECTIFIER DIODE, DO-214AB
Rectron Semiconductor
 
 Related keyword From Full Text Search System
PC4008 rohm PC4008 Speed PC4008 oscillator PC4008 mosfet PC4008 Matsushita
PC4008 Operation PC4008 Stmicroelectronic PC4008 Battery MCU PC4008 speech voice PC4008 transient design
 

 

Price & Availability of PC4008

All Rights Reserved © IC-ON-LINE 2003 - 2022  

[Add Bookmark] [Contact Us] [Link exchange] [Privacy policy]
Mirror Sites :  [www.datasheet.hk]   [www.maxim4u.com]  [www.ic-on-line.cn] [www.ic-on-line.com] [www.ic-on-line.net] [www.alldatasheet.com.cn] [www.gdcy.com]  [www.gdcy.net]


 . . . . .
  We use cookies to deliver the best possible web experience and assist with our advertising efforts. By continuing to use this site, you consent to the use of cookies. For more information on cookies, please take a look at our Privacy Policy. X
0.06372594833374