Part Number Hot Search : 
LM1237 AOCJY LM337MT 70004 TPSCXXXX HWD2119 CDSX400B LPBSA50L
Product Description
Full Text Search

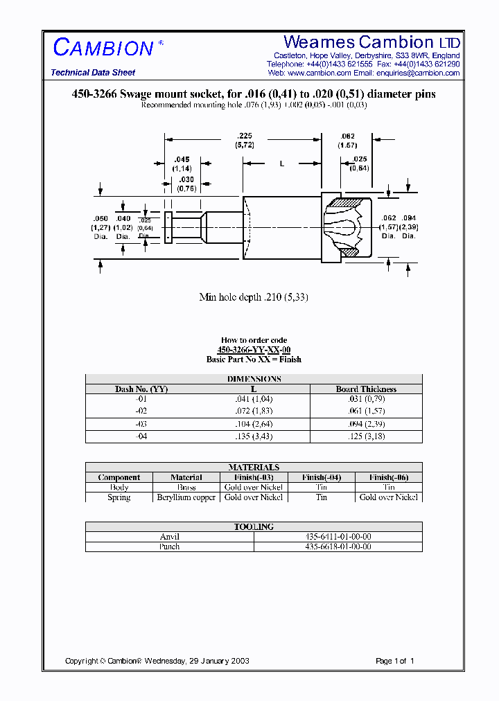
450-3266 - Swage mount socket, for .016 (0,41) to .020 (0,51) diameter pins

450-3266_4651721.PDF Datasheet


 Full text search : Swage mount socket, for .016 (0,41) to .020 (0,51) diameter pins
 Product Description search : Swage mount socket, for .016 (0,41) to .020 (0,51) diameter pins


 Related Part Number
PART Description Maker
450-3263 Swage mount socket stackable .025 (0 / 64) diameter pin and socket
CAMBION Electronic
450-3310 Swage mount socket stackable .040 (1 / 02) diameter pin and socket
CAMBION Electronic
450-3320 Swage mount socket, for .040 (1,02) diameter pins
CAMBION Electronic Components
450-3324 Swage mount socket, for .059 (1,52) to .062 (1,57) diameter pins
CAMBION Electronic Components
450-3268 Solder mount socket, for .016 (0,41) to .020 (0,51) diameter pins
CAMBION Electronic Components
0605-G-14-L SST-1209-S-15-L SST-1209-S-32-L SST-12 PGA30, IC SOCKET
PGA108, IC SOCKET
PGA20, IC SOCKET
DIP10, IC SOCKET
PGA96, IC SOCKET
SIP1, IC SOCKET
PGA84, IC SOCKET
PGA80, IC SOCKET
PGA225, IC SOCKET
PGA98, IC SOCKET
SIP14, IC SOCKET
PGA28, IC SOCKET
PGA126, IC SOCKET
PGA18, IC SOCKET
PGA180, IC SOCKET
PGA15, IC SOCKET
SIP3, IC SOCKET
SIP12, IC SOCKET
PGA270, IC SOCKET
DIP24, IC SOCKET
SAMTEC INC
KS320-50TT KS420-236GG KA946-236GG KA450-236GG KA4 20 POS PEEL-A-WAY® DIP SOCKET DIP60, IC SOCKET
DIP46, IC SOCKET
DIP50, IC SOCKET
DIP8, IC SOCKET
DIP58, IC SOCKET
DIP48, IC SOCKET
DIP56, IC SOCKET
DIP64, IC SOCKET
DIP52, IC SOCKET
DIP62, IC SOCKET
Advanced Interconnections, Corp.
ADVANCED INTERCONNECTIONS CORP
APH-326-T-T APH-822-G-H APH-532-T-T APH-918-T-T AP DIP26, IC SOCKET
DIP22, IC SOCKET
DIP32, IC SOCKET
DIP18, IC SOCKET
DIP34, IC SOCKET
DIP28, IC SOCKET
DIP12, IC SOCKET
DIP16, IC SOCKET
DIP36, IC SOCKET
DIP30, IC SOCKET
SAMTEC INC
8HCA084-08T 8HCA084-08G 1HCA262-68G 1HCA262-185G 1 PGA84, IC SOCKET
PGA262, IC SOCKET
128 POS PEEL-A-WAY® PGA ADAPTER PGA128, IC SOCKET
42 POS PEEL-A-WAY® PGA ADAPTER PGA42, IC SOCKET
144 POS PEEL-A-WAY® PGA ADAPTER PGA144, IC SOCKET
145 POS MOLDED PGA ADAPTER PGA145, IC SOCKET
181 POS MOLDED PGA ADAPTER PGA181, IC SOCKET
132 POS PEEL-A-WAY® PGA ADAPTER PGA132, IC SOCKET
PGA76, IC SOCKET
PGA121, IC SOCKET
PGA70, IC SOCKET
PGA384, IC SOCKET
PGA229, IC SOCKET
PGA44, IC SOCKET
PGA116, IC SOCKET
PGA29, IC SOCKET
PGA256, IC SOCKET
PGA100, IC SOCKET
PGA339, IC SOCKET
PGA148, IC SOCKET
PGA64, IC SOCKET
PGA326, IC SOCKET
PGA193, IC SOCKET
PGA153, IC SOCKET
PGA304, IC SOCKET
PGA196, IC SOCKET
PGA324, IC SOCKET
PGA68, IC SOCKET
PGA80, IC SOCKET
PGA28, IC SOCKET
PGA136, IC SOCKET
PGA165, IC SOCKET
PGA65, IC SOCKET
PGA230, IC SOCKET
PGA173, IC SOCKET
PGA431, IC SOCKET
PGA188, IC SOCKET
PGA83, IC SOCKET
PGA172, IC SOCKET
PGA88, IC SOCKET
PGA171, IC SOCKET
PGA211, IC SOCKET
PGA264, IC SOCKET
PGA301, IC SOCKET
PGA125, IC SOCKET
PGA257, IC SOCKET
PGA36, IC SOCKET
PGA32, IC SOCKET
PGA200, IC SOCKET
PGA299, IC SOCKET
PGA239, IC SOCKET
PGA133, IC SOCKET
PGA184, IC SOCKET
PGA149, IC SOCKET
Advanced Interconnections, Corp.
ADVANCED INTERCONNECTIONS CORP
460-2629 Swage mount, .080 (2,03) diameter pin
CAMBION Electronic Components
460-2983 Swage mount, .031 (0,79) diameter pin
CAMBION Electronic Components
 
 Related keyword From Full Text Search System
450-3266 rectifier 450-3266 transformer 450-3266 filetype:pdf 450-3266 control 450-3266 Vout
450-3266 查询 450-3266 Programmable 450-3266 Bandwidth 450-3266 eeprom pdf 450-3266 Octal
 

 

Price & Availability of 450-3266

All Rights Reserved © IC-ON-LINE 2003 - 2022  

[Add Bookmark] [Contact Us] [Link exchange] [Privacy policy]
Mirror Sites :  [www.datasheet.hk]   [www.maxim4u.com]  [www.ic-on-line.cn] [www.ic-on-line.com] [www.ic-on-line.net] [www.alldatasheet.com.cn] [www.gdcy.com]  [www.gdcy.net]


 . . . . .
  We use cookies to deliver the best possible web experience and assist with our advertising efforts. By continuing to use this site, you consent to the use of cookies. For more information on cookies, please take a look at our Privacy Policy. X
0.049865961074829